九阳面条机常见故障解决方法
维修2026-03-09
九阳面条机常见故障解决方法1、故障:通电后,启动开关,面条机不工作电源线未插到位,检查电源线插座看是否安装到位。电机连续工作时间过长,自动断电保护。待面条机冷却20分钟后再使用。进料筒、搅拌杯盖未安装到
浴霸接线图详细图解 浴霸安装时应该如何接线
维修2026-03-09
新买来的浴霸,浴霸怎么安装才好,浴霸接线又是如何的?浴霸安装的时候接线要注意哪些事项,那么今天就给大家简单的介绍一下浴霸怎么安装和如何接线的问题,需要提醒的事,如果对浴霸不太了解的,还是交给安装师傅
抽油烟机的常见故障检修。
维修2026-03-09
1、吸油烟机按下开关,照明灯不亮、电动机不转的检修方法出现此类故障时,先检査电源插头与插座是否接触不良。若电源插头与插座接触良好,则检查开关是否损坏或触头接触不良。若开关正常,则检査熔断器是否熔断。若
象印NP-HIH18型电饭煲不加热故障检修
维修2026-03-09
象印NP-HIH18型电饭煲不加热故障检修一台日本产象印NP-HIH18型电饭煲,屏显时钟走时正常(该机内部有电池),但上电后屏显无变化,按键无反应。该机采用电磁加热,工作原理和电磁炉一样。测电源插头两端阻值为无穷大
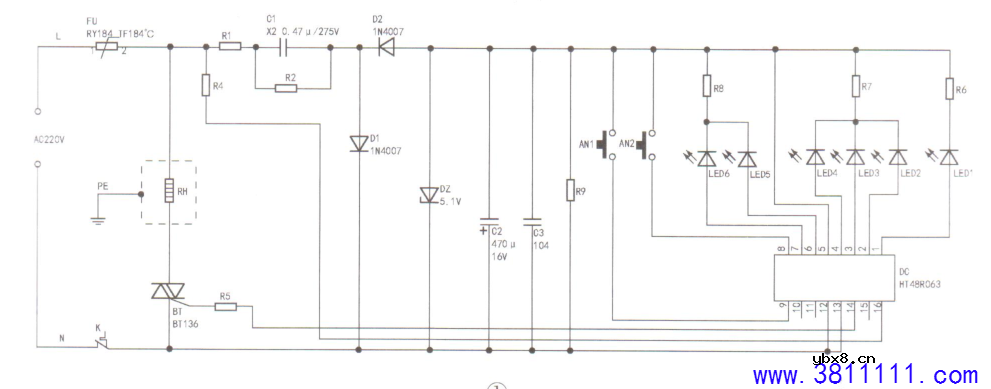
天际DDZ-7B电炖盅不加热故障检修
维修2026-03-09
天际DDZ-7B电炖盅不加热故障检修一台天际DDZ-7B电炖盅,上电后4个定时设定指示灯轮流点亮闪烁,不加热。分析检修:为方便维修,特实绘出该电炖盅电路,如图1所示。该机使用的单片机型号为HT48R063,LED1~LED4为定时指示灯
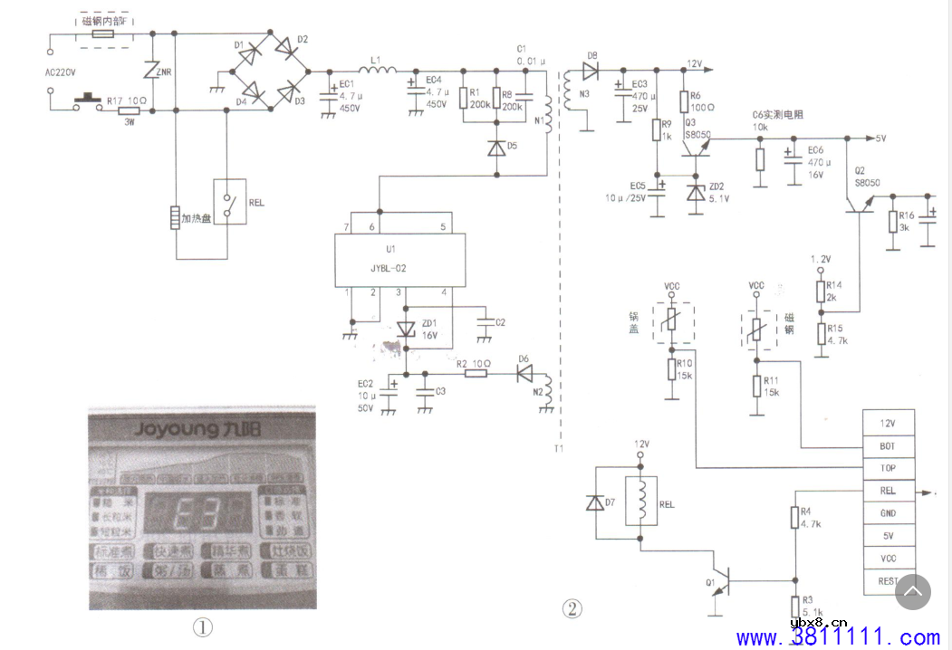
九阳JYF-40FS19智能电饭煲故障检修3例
维修2026-03-09
九阳JYF-40FS19智能电饭煲故障检修3例例1:上电后继电器有吸合声,水温升高,但工作约4分钟后蜂鸣器鸣叫,并屏显故障代“E3”,如图1所示。分析检修:经查,锅盖温度检测电路的连线断路,断路点在锅盖转轴处。换用新线后试
金灶T-22A电茶壶不吸水故障检修
维修2026-03-09
金灶T-22A电茶壶不吸水故障检修一台金灶T-22A自吸加水微电脑控温电茶壶,加热功能正常,但不能自动吸水,且按面板“加水”键时自动关机。检查面板按键,未发现异常;代换相关按键,故障依旧。上电测量,发现按键时5
BY-500型分体式制冰机不制冰故障检修
维修2026-03-09
BY-500型分体式制冰机不制冰故障检修一台BY-500型分体式制冷机,开机后不制冰。上电试机,上水正常,用手触摸缺冰槽内无凉感,怀疑制冷剂泄漏。拆机检查,目测各焊点无异常;拆下保温棉,膨胀阀及螺丝接口处也没有油
豆浆机的常见故障检修。
维修2026-03-09
1、豆浆机通电后指示灯不亮,整机不工作的检修出现此类故障时,先检查电路是否发生短路,造成熔丝管损坏。若否,则检査电压是否过高或机内进水,变压器一次绕组是否损坏。若否,则检查电脑板是否受潮,稳压管支脚生
空调器制冷系统泄漏与堵塞的检査方法。
维修2026-03-09
一、空调器制冷系统泄漏常用的检査方法1.外观检漏使用了一定时间的空调器,当制冷剂泄漏时,冷冻油会渗出或滴出,用目测油污的方法即可判定该处是否存在泄漏。需注意的是,压缩机轴封处微量的油迹属于正常现象。2.
电压力锅的常见故障检修。
维修2026-03-09
1、电压力锅锅体周边漏气的检修出现此类故障时,首先检査是否内胆翻边变形,导致密封不良。若内胆翻边变形, 轻微变形则可用工具校正,严重变形则需更换内胆。若内胆翻边未变形,则检査内胆与内罩相对高度是否偏低
豆浆机理论基础。
维修2026-03-09
一、豆浆机的组成1、豆浆机外部组成豆浆机主要由机头、指示灯、电源插座、防溢电极、微动开关、电热器、下盖、刀 片、温度传感器、杯体、网罩、防干烧电极(温度传感器外壳兼作防干烧电极)等组成。下图所示为九阳
万喜强排燃气热水器间歇性熄火故障检修
维修2026-03-09
万喜强排燃气热水器间歇性熄火故障检修一台万喜强排燃气热水器,开机后风机运转打火、点火正常,不一会后无规律间歇性熄火,然后又正常,并且在熄火时有电磁阀吸合与释放声。根据经验分析,电磁阀或控制器有故障。
电磁炉IGBT管的检测方法。
维修2026-03-09
IGBT可以用指针式万用表和数字式万用表进行引脚识别和检测,检测前应先将IGBT三只引脚短路放电,避免影响检测的准确度。具体操作方法如下:1.判别引脚1) 将指针式万用表置Rx1k挡,测量时,若某一极与其他两极阻值
消毒柜、吸油烟机控制电路简介
维修2026-03-09
一、消毒柜电路简介电子消毒柜电路由电源电路、控制电路和加热电路组成。下图所示为电子消毒柜电路原理参考图。图中,电源电路主要由电源开关S1、消毒定时开关S2、 启动按钮SB1、停止按钮SB2等组成;加热电路主要由
高湿度“多雨季节”的家电该如何防潮?实用
维修2026-03-09
多雨季节,一般出现在我国的长江中下游南部等地,梅雨季里空气湿度大、气温高、衣物等容易发霉,所以也有人把梅雨称为同音的“霉雨”。每到这个季节,湿哒哒、黏糊糊的感觉就会如影随形。而今年全国普遍雨水较多,
一台索佳4S4205D型液晶电视,开机后背光亮一...
时间:2026-03-09
TCL L42F1600E型液晶电视不开机故障检修
时间:2026-03-09
TCL 32英寸液晶电视滤波不良导致背光异常
时间:2026-03-09
TCL F3370B液晶彩电背光不亮故障维修
时间:2026-03-09
背光亮度控制芯片0Z9906GN工作原理与维修(上...
时间:2026-03-09
SHARP LCD-42GE50A型液晶彩电不开机故障维修...
时间:2026-03-09
康佳LED42M3500PDE有时候开机正常播放,有时...
时间:2026-03-09
三洋LCD-32CA320工厂模式进入和复位方法
时间:2026-03-09
夏普液晶电视维修模式进入方法与强制启动的...
时间:2026-03-09
创维洗衣机故障代码查询及处理方法
时间:2026-03-09
电信 IPTV 常见故障排除方法与检修实例 (三...
时间:2026-03-08
格兰仕G90F25CN3LV-Q6(GO)变频 微波炉,按启...
时间:2026-03-09
《洗衣机维修从入门到精通》电子书PPT之三
时间:2026-03-09
图文解说微波炉的原理知识与维修。
时间:2026-03-08
九阳电压力锅维修过程
时间:2026-03-09
洗衣机出现常见故障知识问答
时间:2026-03-08
电磁炉常见故障检修几例
时间:2026-03-09
豆浆机更换电机全过程
时间:2026-03-09
图解小天鹅全自动洗衣机各零部件及故障维修...
时间:2026-03-08
一台电压力锅死机的原因竟然是显示屏故障
时间:2026-03-08