一、消毒柜电路简介 电子消毒柜电路由电源电路、控制电路和加热电路组成。下图所示为电子消毒柜电路原理参考图。图中,电源电路主要由电源开关S1、消毒定时开关S2、 启动按钮SB1、停止按钮SB2等组成;加热电路主要由加热器EH、臭氧发生器Q3、加热温控器T1等组成;控制电路主要由继电器K、保温温控器T2、保温开关S3等组成。
1、接通电源开关S1,将温控器选择至需要消毒的挡位,按下启动按钮SB1,继电器K得电吸合,常开触头K2闭合,加热指示灯亮,加热器EH通电加热。 2、按下消毒定时开关S2,选择合适的时间,S2闭合。臭氧发生器得电产生臭氧对柜内食具进行消毒。 3、当消毒时间达到定时时间,S2断开,臭氧发生器停止工作,消毒结束。 4、消毒结束后,消毒柜内加热器继续加热对食具进行烘干。当柜内温度达到 120℃左右时,温控器T1动作,切断继电器K供电电源,继电器常开触头K1、K2断 开,加热器停止加热,加热指示灯熄灭。 5、加热后进行保温,保温电路由S3、T2及K3组成,当消毒结束后,保温开关S3接通,市电经S3、T2及K3加至EH一端,另一端直接接零线形成回路,保温指示灯亮。 6、随后保温加热器EH加热,当柜内温度上升到60T时,T2动作断开电路,EH 停止加热。 7、当柜内温度低于60℃时,T2又闭合,接通电路,EH又得电加热,如此反复, 使柜内温度始终保持在60℃左右。 二、吸油烟机电路简介 吸油烟机主要由电源电路、按键接口电路、单片机控制电路、开关控制电路等 组成。
1.电源电路 下图所示为吸油烟机电源电路原理图。
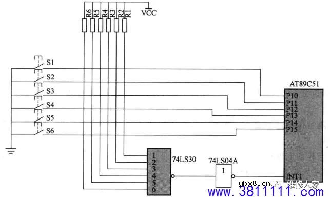
220V市电经过变压器降压成为12V交流电,再经过桥式整流器整流,经过电容C4滤波后供给7805,得到稳定的5V电压, 此电压用以供给单片机及整个电路稳定的直流电压。 2. 按键接口电路 下图所示为吸油烟机按键接口电路原理图。
1)未按下按键时,P10 -P15口输入均为同一信号,同时经八输入与非门及反相器,输出一高电平到单片机AT89C51的INT1引脚,此时不申请中断。 2)有键按下时,低电平则通过按键输入到P10 -P15的某一口,同时经八输入与非门输入到INT1引脚,从而使INT1有效,向单片机AT85C51申请中断,AT89C51响应后,立即转至中断服务程序,査出键号,做相应处理。 3. 单片机控制电路 下图所示为吸油烟机单片机控制电路原理图。该电路由单片机时钟电路和单片 机复位电路组成。其中,单片机时钟电路是由晶振电容构成的简单石英晶体自激振荡电路,用于提供单片机工作时使用到的内部时钟信号。
单片机U1的晶振振荡频率直接影响单片机的处理速度,频率越大处理速度越快。复位电路的极性电容的大小直接影响单片机的复位时间。 4.开关控制电路 下图所示为吸油烟机开关控制电路原理图。单片机通过P0.0外接一反相器控 制固态继电器发光二极管的通断,来控制电动机的起停。
1)当P0.0输出低电平时,固态继电器SSR-10DA内部的发光二极管通电变亮,触发导通右侧的光控晶闸管,形成电动机起动的闭合回路,吸油烟机启动。 2)当P0.0输出为高电平时,发光二极管不发光,固态继电器SSR-10DA不能触发导通,无法形成电动机起动的闭合回路,吸油烟机关闭。 |
MOSFET的米勒平台电压很重要,1400字教你两...
时间:2026-03-09
GaN Systems易于驱动的GaN功率器件技术文档...
时间:2026-03-09
MDD辰达半导体MDD100N03D 先进Trench工艺N...
时间:2026-03-09
GaN驱动技术手册免费下载 氮化镓半导体功率...
时间:2026-03-09
Nexperia推出行业领先的D2PAK-7封装车规级1...
时间:2026-03-09
NMOS在充电桩上的应用
时间:2026-03-09
教科书上没讲清楚的MOS管开关重点今天全交代...
时间:2026-03-09
AOS新一代电源设计:基于FRD MOSFET的高效、...
时间:2026-03-09
如何用合科泰MOS管做一个高性能理想二极管控...
时间:2026-03-09
超越国际巨头:微碧半导体VBGQTA1101以顶尖...
时间:2026-03-09
电信 IPTV 常见故障排除方法与检修实例 (三...
时间:2026-03-08
三相电的相序 怎样才能分辨ABC
时间:2026-03-09
分享一下解决TV远程各种问题的工具方法,你...
时间:2026-03-09
格兰仕G90F25CN3LV-Q6(GO)变频 微波炉,按启...
时间:2026-03-09
九阳电压力锅维修过程
时间:2026-03-09
《洗衣机维修从入门到精通》电子书PPT之三
时间:2026-03-09
安装师傅却说:他只是帮忙的,并表示这个线...
时间:2026-03-09
电气电工专业就业前景,如果再给你一次机会...
时间:2026-03-09
电工师傅说,“干的农民工搬砖的活儿,挣的...
时间:2026-03-09
电工的16个中级电工基础知识,弄懂了再说升...
时间:2026-03-09