苏泊尔CFXB40HC3-120型IH电磁电饭煲E5不加热故障检修1例
维修2026-03-09
故障现象:一台苏泊尔IH型电饭煲不加热,显示屏闪烁显示故障代码E5。分析与检修:该IH电磁电饭煲其实就是采用了电磁加热原理,沿用了时下流行的电磁炉技术,只是在加热过程控制上稍有区别,整个发热原理大致相同。
豆浆机、电热水壶控制电路简介。
维修2026-03-09
一、豆浆机电路简介豆浆机一般采用微电脑控制,具有自动控温、加热保温、低水位防干烧、防溢、语音提示和自动停机等功能。主要由稳压电源电路、微电脑控制电路、温度检测电路、电动机和加热管电路、语音电路等组成
苏泊尔电磁电饭煲E5不加热故障检修1例。
维修2026-03-09
故障现象:一台苏泊尔CFXB40HC3-120 IH型电饭煲不加热,显示屏闪烁显示故障代码E5。原因分析:该IH电磁电饭煲其实就是采用了电磁加热原理,沿用了时下流行的电磁炉技术,只是在加热过程控制上稍有区别,整个发热原
格力GMV6多联机故障代码表(必藏)
维修2026-03-09
格力GMV6多联机,也就是六代多联机,已经销售了一年多,这些设备陆续开始维修,很多人第一次遇到,会出现无从下手,为什么会这样呢?手里没有6代机的故障代码表,不知道怎么查。今天就把6代多联机的代码表整理了一
维修2026-03-09
空调机漏氟较常见,且大多数在外机,一部份在连接管及蒸发器.漏点在外机,相信大家处理方法都差不多,且比较容易解决,但漏点在蒸发器时,可能相对来说就有点难度了.并且,有的漏点也有点隐蔽.很久很久之前,接
维修2026-03-09
一、电路板维修方法1、当更换器件后不要急着接通电源,首先在有条件的情况下,将电路板敷铜面用洗板水清洁一下,干燥后仔细观察一下电路板的正反面,确定没有连焊、虚焊,没有锡渣等有可能会引起炸机的因素存在,特
电磁炉的一般维修程序。
维修2026-03-09
一、电磁炉损坏的原因:1、用户使用了不符合要求的锅而导致保护失效,烧坏功率管;2、风扇缺油、供电不足导致不转或转速变慢,风力不足散热不良而损坏电磁炉;3、使用时间较长的电磁炉由于元器件老化接触不良而导致
消毒柜的常见故障检修。
维修2026-03-09
1、消毒柜插上电源,按启动键,灯不亮、不加热的检修出现此类故障时,先检查电源插座是否有电或接触不良。若否,则检查熔断器是否烧坏。若熔断器良好,则检査电源线与机体是否接触不良或断路。若接触良好,则检査
饮水机理论基础。
维修2026-03-09
—、饮水机的组成(1)饮水机外部组成如下图所示,饮水机外部主要由显示屏、按键、热水按键、冷水水龙头、面板、热水出水口、上门、接水杯、接水盒、保鲜柜、下门、电源线、冷水排水口、热水排水口等组成。(2)饮水
饮水机的常见故障检修。
维修2026-03-09
1、饮水机不通电、不加热也不制冷的检修出现此类故障时,首先检查电源插座是否有电,如没有则接通;其次是检查电源插头与插座接触是否可靠,如松脱则插牢;再次是检査机内外电源连线是否断开、是否与插件脱落,如有
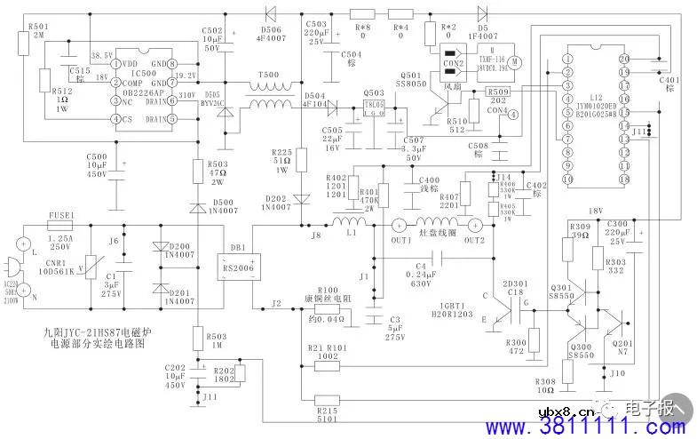
九阳JYC-21HS87电磁炉电路简析与故障检修
维修2026-03-09
九阳JYC-21HS87型电磁炉采用电磁炉专用芯片构成,电路简洁实用。为了便于分析,根据实物绘制了电路原理图,如附图所示。
为放大器模拟输入模块提供强大的输入过压保护
维修2026-03-09
可编程逻辑控制器中的一个关键子系统是模拟输入模块,它提供了一个高精度前端来测量各种传感器。但是,在许多情况下,放大器输入级通过长电缆连接到远程传感器,并且容易受到过压条件的影响。在本文中,我将介绍运
电磁炉的主要元器件及检测2。
维修2026-03-09
三、电流互感器、整流二极管、副电源变压器1.电流互感器电流互感器的作用是时刻检测电磁炉整机电流,它将整机电流的变化转换成相应电压的变化,该电压的变化经整流、滤波后送给CPU,再由CPU发出相应的PWM方波脉冲的
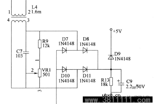
贝亲牌多功能蒸气消毒器故障检修1例
维修2026-03-09
故障现象:一台贝亲微电脑控制型多功能蒸气消毒器插上交流电源,按开机键无反应。分析与检修:通过故障现象分析,怀疑电源电路或其负载异常。为了便于故障检修,根据实物画出了电路简图,如图1、图2所示。图1从图1
学会清洗技巧,还你一个崭新的油烟机!实用。
维修2026-03-09
都说看一家人干不干净,主要看他家厨房,厨房是否干净最关键的就是抽油烟机了,今天我们就来进行抽油烟机清洗大作战!/ 白酒+洗洁精/首推白酒+洗洁精。只要将没喝完的一小杯白酒和洗洁精混合,再加入小半瓶水摇一摇
电磁炉通电不加热及自动关机故障检修方法。
维修2026-03-09
一、电磁炉加电后无反应,熔断器完好的故障检修电磁炉加电后无反应,但熔断器完好,这时电磁炉主电源电路和功率输出电路不存在严重短路现象。只是控制电路不工作从而造成功率管不工作,或者是220V交流输入电压无法
一台索佳4S4205D型液晶电视,开机后背光亮一...
时间:2026-03-09
TCL L42F1600E型液晶电视不开机故障检修
时间:2026-03-09
TCL 32英寸液晶电视滤波不良导致背光异常
时间:2026-03-09
TCL F3370B液晶彩电背光不亮故障维修
时间:2026-03-09
背光亮度控制芯片0Z9906GN工作原理与维修(上...
时间:2026-03-09
SHARP LCD-42GE50A型液晶彩电不开机故障维修...
时间:2026-03-09
康佳LED42M3500PDE有时候开机正常播放,有时...
时间:2026-03-09
三洋LCD-32CA320工厂模式进入和复位方法
时间:2026-03-09
夏普液晶电视维修模式进入方法与强制启动的...
时间:2026-03-09
创维洗衣机故障代码查询及处理方法
时间:2026-03-09
电信 IPTV 常见故障排除方法与检修实例 (三...
时间:2026-03-08
格兰仕G90F25CN3LV-Q6(GO)变频 微波炉,按启...
时间:2026-03-09
《洗衣机维修从入门到精通》电子书PPT之三
时间:2026-03-09
图文解说微波炉的原理知识与维修。
时间:2026-03-08
九阳电压力锅维修过程
时间:2026-03-09
洗衣机出现常见故障知识问答
时间:2026-03-08
电磁炉常见故障检修几例
时间:2026-03-09
豆浆机更换电机全过程
时间:2026-03-09
图解小天鹅全自动洗衣机各零部件及故障维修...
时间:2026-03-08
一台电压力锅死机的原因竟然是显示屏故障
时间:2026-03-08