PL2000A载波电路应用图
电路图基础2026-03-07
PL2000A载波电路应用图:
500W功率因数校正电路
电路图基础2026-03-07
500W功率因数校正电路: 功率因数校正的工作原理 1功率因数的定义 功率因数(PF)是指交流输入有功功率(P)与输入视在功率(S)的比值。其可以用公式(1)表示。
ZigBee在输油管泄漏监测系统中的研究
电路图基础2026-03-07
前言:由于管道老化以及其他自然或人为原因导致输油管道泄漏事故在国内外频频发生。输油管道的泄漏不仅会造成经济上的巨大损失,而且会污染环境,甚至引起火灾,给人们的生命财产安全带来了极大的威胁,
CW系列高增益放大器电路图
电路图基础2026-03-07
CW系列高增益放大器电路图如下:
循环工作定时控制器电路图
电路图基础2026-03-07
一、电路工作原理 电路通过电容C2 和泄放电阻R3 降压后,经过桥堆IC2 整流,VD2 稳压后,得到12V左右的直流电压,为IC1 及其它电路供电。IC1 为14 位二进制计数/分频器集成电路,通过
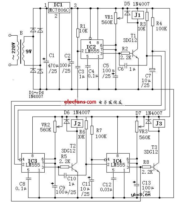
多级循环定时控制器电路
电路图基础2026-03-07
一、电路工作原理 电路中,由三个时基集成电路LM555 组成三个单稳态电路,每个单稳态电路作为一个定时控制单元。三个单元共同完成三级循环定时控制功能。
抗干扰定时器电路
电路图基础2026-03-07
一、电路工作原理 在SB 断开时,555 时基电路的4 脚通过电阻器R6 与地相连,555 时基电路被强制复位。此时,无论2 脚受到多大的干扰,555 时基电路都不工作。当按下按钮B 后,电源通过二极
555集成电路的简易光电控制器电路
电路图基础2026-03-07
一、电路工作原理 电路原理如图18 所示。无光照射时,光敏电阻RG 的阻值很大(1MΩ以上),555 时基集成电路的2 脚、6 脚电压约为电源电压的1/2(6V), 3 脚输出低电平,KA
uA709构成的电压跟随器电路图
电路图基础2026-03-07
图(a)所示电路为电压跟随器,它是同相放大电路的特殊情况,输入信号是从集成运放的同相端引入,反馈电阻为零,负反馈极强,运放工作非常稳定,输入阻抗很大。输出电阻却很小,因而这种电路具有阻抗变换作用。
基于μA741的电流扩展实用电路图
电路图基础2026-03-07
对于由μA741组成的运算放大电路,当输出电流大于10~35mA左右时,其输出电压将出现限幅现象,即此时的输出电压将出现较大的失真。当需要输出较大电流时,可采用由2SC503和2SA503组成的对管。这个电路的输出电流
基于μA709的差动放大电路图
电路图基础2026-03-07
差动放大电路的输入信号Vi1和Vi2分别通过R1和R3、R4分压电路加到运放的输入端。Vi1加到运放的反相输入端,Vi2加到同相输入端,而输出电压Vo与Vi1、Vi2具有如下关系:
OP200构成的同相差动放大电路图
电路图基础2026-03-07
如图所示为高输入阻抗同相差动放大电路。
μA709单电源反相放大器电路图
电路图基础2026-03-07
如图所示为单电源反相放大电路。图(a)为交流放大电路,图(b)为直流放大电路。外接电阻R3和R4是运放偏置电阻,电容C为耦合电容,其作用是“隔直流,通交流”。
8255数码管显示线路图
电路图基础2026-03-07
本内容提供了8255数码管显示电路图 8255数码管显示效果图
电路图基础2026-03-07
时间继电器是一种使用在较低的电压或较小电流的电路上,用来接通或切断较高电压、较大电流的电路的电气元件,也许可以这样说:用来控制较高电压或较大功率的电路的电动开关:给继电器工作线圈一个控制电流,继电器
15W调频发射机高频功放电路
电路图基础2026-03-07
调频发射机高频功放电路使用了电容,电阻以及电感等电子元件,功率为15W,频率为88~108MHz。
谈谈二极管单向导电性的内涵与外延
时间:2026-03-07
二极管怎么测量好坏
时间:2026-03-07
电容和二极管并联是什么电路
时间:2026-03-07
常见的特殊二极管有哪些?
时间:2026-03-07
电路二极管的作用是什么
时间:2026-03-07
二极管与三极管有什么区别
时间:2026-03-07
基于原位掺杂和浅台面型架构的短波红外InGa...
时间:2026-03-07
TVS二极管怎么判断正负
时间:2026-03-07
I/O接口防静电保护方案设计及ESD二极管选型
时间:2026-03-07
如何正确使用万用表判断二极管的正负极?
时间:2026-03-07
彩灯电路
时间:2026-03-05
三相异步电动机原理
时间:2026-03-04
三相异步电动机的七种调速方式
时间:2026-03-04
转角测量电路
时间:2026-03-05
经典的正弦波发生电路
时间:2026-03-05
电动机单线远程正反转控制电路图
时间:2026-03-04
USB转232电路图
时间:2026-03-04
电度表的工作原理
时间:2026-03-04
电风扇红外遥控器2
时间:2026-03-04
三相异步电动机的拆装详讲
时间:2026-03-04