UHF放大原理电路图
电路图基础2026-03-07
电缆断点寻迹电路图
电路图基础2026-03-07
电路图基础2026-03-07
在这个项目中,我们设计的低成本高性能的可编程家庭安全系统采用传感器作为输入几个LDR的。当上述传感器(S)被触发系统可拨打指定的电话号码的用户(使用内置的DTMF发生器)和激活的高功率音响和灯光报警。
JT2002的典型应用电路图
电路图基础2026-03-07
JT2002的典型应用线路 FET RA RB 启动电压 稳压范围 2N7002 180k 620k 11.2v 8v~19v
500Y触发电路原理图
电路图基础2026-03-07
500Y触发电路原理图如下(额定电压:500V,触发变压器:斯坦考P6426):
有源负截电路
电路图基础2026-03-07
有源负截电路简要介绍: Q1,Q2构成施密特触发器,恒流发光二极管NSL4944当作集电极负载提供12V、40mA的输出。当灯泡与Q2不导通时,发光二极管的大部份电流流经100Ω的电阻,使电路的触发电压限定在2V。当控制信号
用光电隔离耦合控制交流负载电路
电路图基础2026-03-07
用光电隔离耦合控制交流负载电路介绍: 微处理器的译码器输出馈送给7476JK触发器,JK触发器又通过光电耦合器去触发三端双向可控硅,从而对灯泡或其他交流负载进行“通/断”控制。发光二极管和硫化镉光电管
红外光幕靶调理与数据采集电路
电路图基础2026-03-07
本文提出一种新型红外光幕靶led/' target='_blank'>光电探测系统与信号调理电路设计,采用红外发光二极管作为发光光源,通过光电二极管阵列进行接收信号,将该信号处理后再接到测试仪器上,从而得到弹
555控制红外反射式插座电路
电路图基础2026-03-07
555控制红外反射式插座电路图以及简要说明:
DK04监控模块与计算机通信接口电路
电路图基础2026-03-07
计算机通信是一种以数据通信形式出现,在计算机与计算机之间或计算机与终端设备之间进行信息传递的方式。它是现代计算机技术与通信技术相融合的产物,在军队指挥自动化系统、武器控制系统、信息处理系统、决策分析
使用三端稳压器的双极性稳压电源
电路图基础2026-03-07
本文所应用到的相关键器件资料“:
DMAl0整流模块功能图
电路图基础2026-03-07
DMAl0整流模块功能图:
采用互补晶体管和CMOS驱动级的推扭电路
电路图基础2026-03-07
采用互补晶体管和CMOS驱动级的推扭电路:
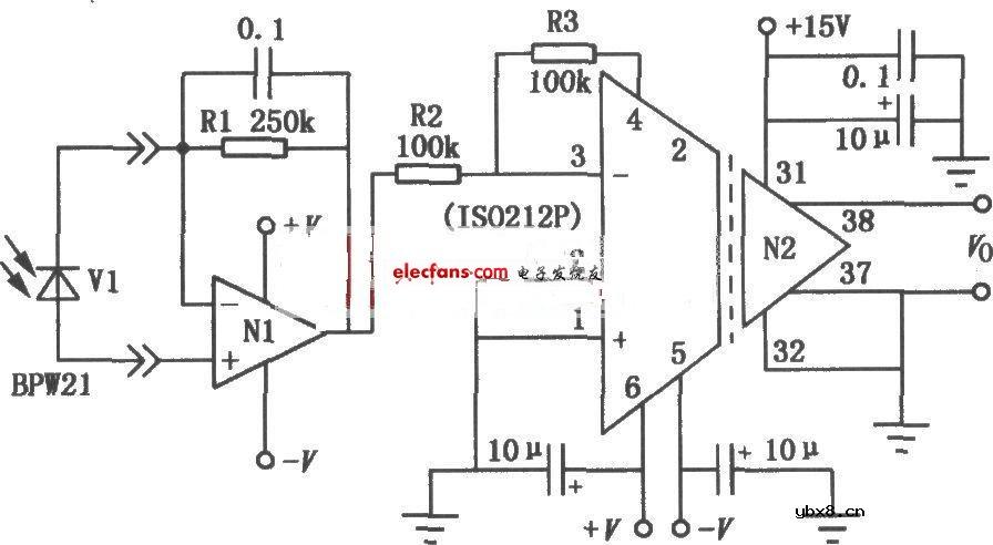
由ISO212P组成的光电二极管隔离放大电路图
电路图基础2026-03-07
IS0212P是低成本小型化变压器耦合的隔离放大电路,其片内采用两个高效率小型环形变压器,在信号和电源两通路之间提供可靠的隔离。
工作频率可变的信号发生器电路
电路图基础2026-03-07
工作频率可变的信号发生器电路:
零电压开关电子镇流器
电路图基础2026-03-07
自适应零电压开关电子镇流器电路图如下: IR2520主要用作驱动40W以下的荧光灯。灯的额定功率不同,Q1、 Q2、L2及C7等元件参数略有差异。
具有低导通电阻的GaN-on-SiC肖特基势垒二极...
时间:2026-03-07
蜂鸣器两端是否需要反向并联二极管?
时间:2026-03-07
半控和全控电路的特点 二极管是半控型器件吗
时间:2026-03-07
为何将电力二极管称为不可控器件?为何把晶...
时间:2026-03-07
续流二极管的作用及工作原理 续流二极管在整...
时间:2026-03-07
ESD二极管是什么?如何选择合适电容值的ESD...
时间:2026-03-07
晶体二极管的简易判别方法 晶体二极管的产品...
时间:2026-03-07
晶体二极管的伏安特性曲线及其基本应用电路...
时间:2026-03-07
晶体二极管具有什么特性?晶体二极管是如何...
时间:2026-03-07
啥是光电二极管 光电二极管采集电路-1mV/pA...
时间:2026-03-07
彩灯电路
时间:2026-03-05
三相异步电动机原理
时间:2026-03-04
三相异步电动机的七种调速方式
时间:2026-03-04
转角测量电路
时间:2026-03-05
经典的正弦波发生电路
时间:2026-03-05
电动机单线远程正反转控制电路图
时间:2026-03-04
USB转232电路图
时间:2026-03-04
电度表的工作原理
时间:2026-03-04
电风扇红外遥控器2
时间:2026-03-04
三相异步电动机的拆装详讲
时间:2026-03-04