数字温湿度传感器SHT11与CC2430应用接口电路
电工基础2026-03-07
数字温湿度传感器SHT11与CC2430应用接口电路 设计中采用了数字温湿度传感器SHT11,该传感器通过无线网络对监测区域内温度和湿度进行数据采集工作,具有极高的安全性、可靠性和长期稳定性。SHT11的供电电压为2.4~5.
串行12位ADC(MAX187)与PC(电脑)之间的接口电路
电工基础2026-03-07
串行12位ADC(MAX187)与PC(电脑)之间的接口电路 近几年来,IC制造商设计了实现接口的各种方法,并且特别重视减少IC接口I/O引脚的数量。MAX187就是这样一个器件,它是一个12位模/数转换器(ADC)。你可以利用串行数据
电阻式触摸屏接口电路(S3C2410)
电工基础2026-03-07
电阻式触摸屏接口电路 本振动测试分析仪的人机接口界面采用了电阻式触摸屏,加上采用了640×480的高亮TFT彩色液晶屏,使得人机界面很友善,操作非常方便。S3C2410自带了触摸屏的接口电路,触摸屏接口的设计比较简单
正12V转负12V电路
电工基础2026-03-07
正12V转负12V电路 本电路采用TPS5340降压芯片。 图1显示了一款精简型降压—升压电路,以及电感上出现的开关电压。这样一来该电路与标准降压转换器的相似性就会顿时明朗起来。实际上,除了输出电压和接地相反以外,它
用DAC0832产生锯齿波电路
电工基础2026-03-07
用DAC0832产生锯齿波电路 锯齿波电压发生器在一些控制应用中,需要有一个线性增长的电压(锯齿波)来控制检测过程、移动记录笔或移动电子束等。对此可通过在DAC0832的输出端接运算放大器,由运算放大器产生锯齿波来
矩形波电压发生器
电工基础2026-03-07
矩形波电压发生器 采用单缓冲方式,口地址设为FEFFH.参考程序如下: ORG 1100HSTART: MOV DPTR , #00FEH ;送DAC0832口地址LOOP: MOV A , #dataH ;送高
8031与DAC0832双缓冲方式接口电路
电工基础2026-03-07
8031与DAC0832双缓冲方式接口电路 双缓冲方式的接口与应用 在多路D/A转换的情况下,若要求同步转换输出,必须采用双缓冲方式。DAC0832采用双缓冲方式时,数字量的输入锁存和D/A转换输出是分两步进行的
圣诞节彩灯电路
电工基础2026-03-07
圣诞节彩灯电路 如图所示为利用简单、廉价的CMOS六反相器CD4069为主构成的圣诞彩灯电路,可控制4个回路共200只发光二极管(每路50只),并且直接由220V电源驱动,无需电源变压器。电源电压经VD1~VD4桥式整流后,通过
方波振荡器电路
电工基础2026-03-07
方波振荡器电路 该电路由74HC00组成。74hc00 pdf datasheet
石英晶体矩形波振荡器电路
电工基础2026-03-07
石英晶体矩形波振荡器电路
KD9561组成的开关式警音发生器电路
电工基础2026-03-07
KD9561组成的开关式警音发生器电路
采用幅值调制的红外发送电路
电工基础2026-03-07
采用幅值调制的红外发送电路 如图伴音用的红外发送电路,适用于无线电调谐选台,高保真放大器及收音机中作高灵敏度伴音电路。
闪光球鞋闪光球鞋的电路原理图
电工基础2026-03-07
闪光球鞋闪光球鞋的电路原理图 闪光球鞋闪光球鞋的电原理图如图3所示。IC是1声2闪集成电路。只要按一下SB,发光二极管D1、D2就交替闪亮。SB是一个特制的简易振动开关,其定片是一截长约6mm、直径为1mm的裸铜导体,动
不倒翁的电路原理图
电工基础2026-03-07
不倒翁的电路原理图 会眨眼能唱歌的不倒翁桌子上摆放着一尊笑容可掬的不倒翁,轻轻推它一下,它就摇头晃脑地唱着歌谣,两只眼睛还闪闪发亮,十分逗人喜欢。图4是这种不倒翁的电原理图,IC选用1声2闪集成电路,工作原
声光电子门铃电路原理图
电工基础2026-03-07
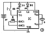
声光电子门铃电路原理图 声光电子门铃是为家中耳背(听力不好)的老人或聋人特别设计的一款新型电子门铃。图5是声光电子门铃电路原理图。IC有2路输出信号:OUT1经过三极管VT1放大后推动扬声器B发出音乐声;OUT2通过
闪光电子陀螺电路图
电工基础2026-03-07
闪光电子陀螺电路图 闪光电子陀螺是一种从古代一直流传到今天的小玩艺。闪光电子陀螺则是现代科技与传统相结合的新颖电子玩具,它既保留了陀螺古朴的内涵,又体现了现代电子科技的诱人魅力,图6是电子陀螺的电路图。
LM386等效电路
时间:2026-03-07
FU-5直耦甲类音频放大器电路
时间:2026-03-07
采用NE555的电热毯温控器电路
时间:2026-03-07
X86主板原理图设计的经验总结
时间:2026-03-07
JD1A-90调速器工作原理图分析
时间:2026-03-07
电子设计基础关键元器件篇(二):二极管
时间:2026-03-07
光电二极管检测电路的工作原理及设计方案
时间:2026-03-07
贴片二极管的检测技巧
时间:2026-03-07
先锋KYT-3OD型遥控风扇电路及检修案例
时间:2026-03-07
高效率PFC电路二极管选择方案
时间:2026-03-07
彩灯电路
时间:2026-03-05
三相异步电动机原理
时间:2026-03-04
三相异步电动机的七种调速方式
时间:2026-03-04
转角测量电路
时间:2026-03-05
经典的正弦波发生电路
时间:2026-03-05
电动机单线远程正反转控制电路图
时间:2026-03-04
USB转232电路图
时间:2026-03-04
电度表的工作原理
时间:2026-03-04
电风扇红外遥控器2
时间:2026-03-04
三相异步电动机的拆装详讲
时间:2026-03-04