| 阻容降压电路内的CBB降压电容失效原因的探讨阻容降压电路内的CBB降压电容失效原因的探讨故障现象:一台佛山产的“钻石”牌遥控风扇低速挡(1挡)转速很慢,中、高速挡运转基本正常;选择摆头功能时,风扇自动关机。
分析与检修:本着先易后难的维修原则,先检修转速慢的问题,再检修自动关机的问题。根据维修经验,风扇低速挡转速慢多为风扇的1.5μF启动电容(又称运行电容)容量不足致。用数字万用表电容挡测启动电容的容量已减为0.2μF左右,用同规格的电容更换后,低速挡转速恢复正常。
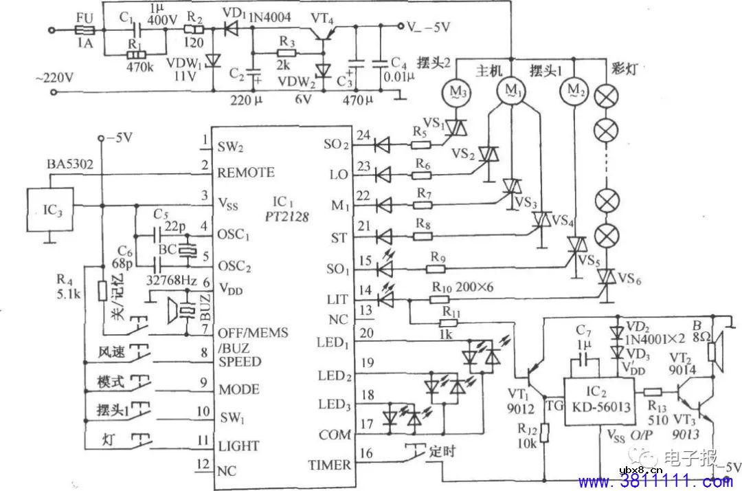
该机在按摆头键时出现自动关机现象,有点像负载过重导致的系统掉电现象,怀疑低压电源发生故障。拆机后对照实物检查,发现该机电路与附图所示的遥控风扇电路基本相同,就参考该图进行分析。
参见附图,-5V供电是220V市电电压通过阻容降压电路与滤波电路来完成的。根据维修的经验,直接来个简单粗暴的动作,对那个负责交流降压的CBB电容C1进行在线测量,结果让人大吃一惊,其标称容量为“105”(1μF),实测值仅为0.15μF。用一只105J400V电容更换后通电,摆头功能恢复正常,故障排除。
【提示】当C1的容量衰减过多(仅为标称容量的15%),就会导致供电电路的带载能力下降,在操作摆头键时,触发可控硅所需的控制电流虽然只增加了约10mA的有效负荷,但却直接将脆弱的供电能力拉垮。当供电电压不足4V后,控制芯片被复位。外在表现上,就是风扇突然自动关机。
作为家电维修,到此步骤就已完成任务。但本文的重点并非是记录维修过程,而是想和大家探讨CBB电容失效的原因。笔者的问题是:2只损坏的电容都是CBB电容,此类电容的特点是稳定可靠、“自愈性好”,为何都出现了容量衰减的问题呢?以往维修时,常碰到电容容量变小的情况,往往是一换了之,并没有对此进行深究,这种现象是电路设计问题,还是器件选用问题呢?如何提升器件应用的可靠性呢?这个话题才是本文讨论的重点。
先了解什么是CBB、CBB21/CBB22、CBB611A电容吧!依据国标GB2470-81的命名规则,第一字母“C”代表的是电容;“BB”代表的是电容介质为聚丙烯;后边的2个数字则分别表示电容的分类及序号。
【提示】CBB电容即为聚丙烯薄膜电容,它以金属箔作为电极,用无极性聚丙烯薄膜为介质制成的一种负温度系数无极性电容,所以CBB电容也被称为金属化聚丙烯膜电容。它主要分为非密封式(常用有色树脂漆封装)和密封式(用金属或塑料外壳封装)2种类型,电容量在1000pF |
相关热词:#液晶维修
电场激活原位掺杂平面光伏型胶体量子点红外...
时间:2026-03-09
什么是硅片或者晶圆?一文了解半导体硅晶圆
时间:2026-03-09
集成电路的几纳米代表了什么?
时间:2026-03-09
金刚石基GaN问世 化合物半导体行业进入第三...
时间:2026-03-09
实用模拟电路小常识浅析
时间:2026-03-09
寄存器是什么?怎么操作寄存器点亮LED灯?
时间:2026-03-09
一文详解MOS管驱动电路拓扑的设计
时间:2026-03-09
汽车芯片业应汲取的教训
时间:2026-03-09
半导体光刻工艺 光刻—半导体电路的绘制
时间:2026-03-09
电阻的原理和作用 电阻色环识别图 电路中电...
时间:2026-03-09
豆浆机更换电机全过程
时间:2026-03-09
电信 IPTV 常见故障排除方法与检修实例 (三...
时间:2026-03-08
三相电的相序 怎样才能分辨ABC
时间:2026-03-09
分享一下解决TV远程各种问题的工具方法,你...
时间:2026-03-09
格兰仕G90F25CN3LV-Q6(GO)变频 微波炉,按启...
时间:2026-03-09
九阳电压力锅维修过程
时间:2026-03-09
《洗衣机维修从入门到精通》电子书PPT之三
时间:2026-03-09
安装师傅却说:他只是帮忙的,并表示这个线...
时间:2026-03-09
电气电工专业就业前景,如果再给你一次机会...
时间:2026-03-09
电工师傅说,“干的农民工搬砖的活儿,挣的...
时间:2026-03-09