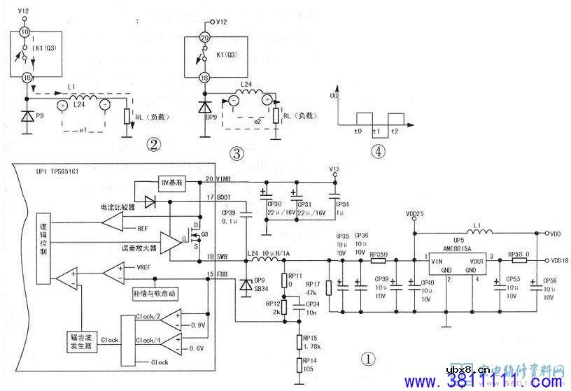
图解液晶逻辑板VDD电压产生电路的工作原理

如上图所示,上电后,UP1的16(图中未标出)脚(EN1)接输入12V电压(高电平),20、21(图中未标出)脚的输入电压分两路,一路送到基准电压发生器,产生稳定的8V电压,给驱动运放提供工作电压;一路供电内部MOS开关管漏极。时钟脉冲发生器产生的脉冲送到锯齿波发生器中,经调制处理后输出调制脉冲到运放的同相输入端,误差放大器输出的控制电压送到运放的反相输入端,经运放比较放大,输出电压到驱动控制器中,产生的驱动脉冲经驱动运放放大后,驱动MOS开关管Q3,见图1。下面分两个时段进行讨论。
(1)t0-t1时段在t0时刻,Q3的控制极输入正极性的跳变脉冲,如图4所示,Q3导通。相当于开关K1闭合,见图2,此时,V12电压通过导通的Q3,即开关K1,从UP1的18脚输出,向L24充电,见图2中的L1,同时向负载供电,由于电感线圈中的电流不能突变,因而电流是线性逐渐增大的,于是在L24两端产生左正右负的感应电势el,此时DP9处于反偏状态而截止,感应电势与电源电压叠加,合成电压为零,到t1时刻,充电结束,此时L24两端感应电势达到最大值。
(2)t1~t2时段在t1时刻,输入到Q3控制极脉冲迅速转变为负脉冲,见图4所示,导致Q3截止,相当于开关K1断开,见图3所示,根据楞次定律,开关K1突然断开的瞬间,电感线圈L24两端要产生一个反电动势e2,以维持原来方向的电流,使之沿原方向继续流动。
开关K1断开后,L24中的电流向负载供电,并与DP9构成回路,见图3中的e2,因为此时L24两段左负右正的感应电势使DP9正偏而导通,所以DP9又称之为续流二极管。
重复以上周期,可得到持续的VDD25电压,为了稳定输出电压,通过RP11、RP12、RP15、RP14,对VDD25取样分压,并反馈到UP1的15脚,经内部电路处理后,控制驱动脉冲的占空比,从而实现稳压控制。
VDD25电压分两路,一路经L1、CP56滤波后得到VDD电压,为逻辑板上时序控制器和扫描驱动器以及数据驱动器提供电压;另一路经CP39、CP40滤波后,送到UP5的①脚,经内部稳压处理后得到VDD18电压,供逻辑板上的时序控制芯片使用。