变压器在运行中,铁芯及固定铁芯、绕组的金属结构、零件、部件等均处在强电场中,在电场的作用下,它们具有较高的对地电位。如果铁芯不接地,它与接地的夹件及油箱等之间就会产生电位差,在电位差的作用下,可能会产生断续的放电现象。
除此之外,变压器在运行中,绕组的周围具有较强的磁场,铁芯、金属结构、零件、部件等都处在非均匀的磁场中,它们与绕组的距离各不相等,所以,各金属结构、零件、部件等受磁场感应产生的电动势大小也各不相等,彼此之间也存在着电位差。电位差虽然不大,但也能击穿很小的绝缘间隙,因而也可能会引起持续性的微量放电现象。
无论是由于电位差的作用可能产生的断续放电现象,还是可能击穿很小的绝缘间隙引起的持续性微量放电现象,都是不能允许的,而且要检查这些断续放电的部位是非常困难的。
有效解决办法是,将铁芯及固定铁芯、绕组的金属结构、零件、部件等可靠接地,使它们与油箱等同处于大地电位。变压器的铁芯接地是一点接地,而且只能是一点接地。因为铁芯的硅钢片相互之间是绝缘的,这是为了防止产生较大的涡流,因此,切不可将所有的硅钢片都接地或多点接地,否则,将造成较大的涡流而使铁芯严重发热。
变压器的铁芯接地,通常是将铁芯的任意一片硅钢片接地。因为硅钢片之间虽然绝缘,但其绝缘电阻数值是很小的,不均匀的强电场和强磁场,可以使硅钢片中感应的高压电荷通过硅钢片从接地处流向大地,但却能阻止涡流从一片流向另一片。所以,只要将铁芯的任意一片硅钢片接地,那么,就等于将整个铁芯都接地了。
需要注意的是:变压器的铁芯必须是一点接地,不能是两点接地,更不能多点接地,因为多点接地是变压器的常见故障之一。
审核编辑:刘清
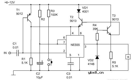
由555构成的音频振荡器电路
时间:2026-03-07
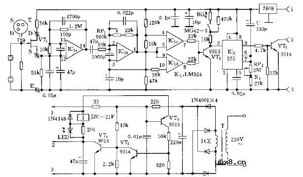
光控闪光灯电路图
时间:2026-03-07
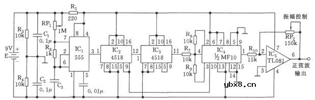
三款正弦波发生器电路图分享
时间:2026-03-07
高频正弦波发生器电路图
时间:2026-03-07
电容测试仪电路图
时间:2026-03-07
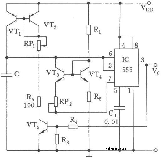
两款微功耗定时器电路图详解
时间:2026-03-07
可调的555多谐振荡器电路图
时间:2026-03-07
用555时基电路制成的单稳态延时电路
时间:2026-03-07
两款被动式红外报警器电路图
时间:2026-03-07
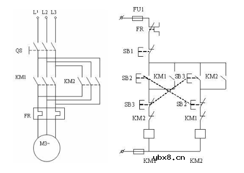
三相交流电动机正反转互锁电路的分析
时间:2026-03-07
玻璃釉电容器的结构与特点
时间:2026-03-05
电容器入门教程
时间:2026-03-05
关于STM32WL LSE 添加反馈电阻后无法起振的...
时间:2026-03-05
暑期买元器件下单立减还送华为P30pro
时间:2026-03-05
电阻的标称阻值和允许偏差
时间:2026-03-05
使用过滤器电容器和诱导器来抑制受辐射的EM...
时间:2026-03-05
LED固晶机龙头直面“寒冬”
时间:2026-03-05
浅谈高压贴片电容分类与性能参数
时间:2026-03-05
聚四氟乙烯电容器的结构与特点
时间:2026-03-05
漆膜电容器的结构与特点
时间:2026-03-05