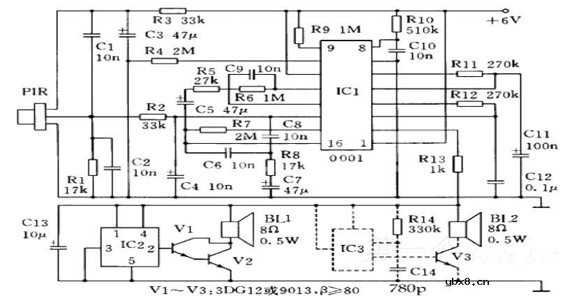
被动式红外报警器是利用热释电红外传感器接收到人体红外线,经菲涅尔透镜聚集,再经放大并报警或控制其他电器。
如图所示,报警探头由钛锆酸铅陶瓷体PZT(高热电系数)与红外滤光镜片窗口组成。当接收到人体辐射出8~15微米的红外线时,陶瓷体产生热电效应,经内部场效应管放大,加至有60dB增益的ICla,放大器(1/4LM324)和20dB增益的有源滤波器IClb(1/4LM324)。IClc和ICld(1/4LM324)组成用于极性和门限电平鉴别的比较器,不管人体向前或向后移动,在VT2的C极都产生一个负跳变信号,加至IC2(555)的触发端2脚,使555置位,3脚呈高电平,控制继电器J吸合。IC2与RP2等组成一个单稳触发电路,单稳延时时间取决于充、放电时间常数。


相关热词:#报警器电路
无线遥控器电路图制作
时间:2026-03-07
无线电遥控门铃电路原理图
时间:2026-03-07
NE555过流保护检测器电路图
时间:2026-03-07
串联谐振升压原理
时间:2026-03-07
谐振回路的工作原理
时间:2026-03-07
电容降压电路原理
时间:2026-03-07
实用的电容降压电路
时间:2026-03-07
低成本的阻容降压电路原理图分析
时间:2026-03-07
阻容降压原理及电路
时间:2026-03-07
阻容降压电路的误区
时间:2026-03-07
彩灯电路
时间:2026-03-05
三相异步电动机原理
时间:2026-03-04
三相异步电动机的七种调速方式
时间:2026-03-04
转角测量电路
时间:2026-03-05
经典的正弦波发生电路
时间:2026-03-05
电动机单线远程正反转控制电路图
时间:2026-03-04
三相异步电动机的拆装详讲
时间:2026-03-04
USB转232电路图
时间:2026-03-04
电度表的工作原理
时间:2026-03-04
电风扇红外遥控器2
时间:2026-03-04