延时电路由555振荡器与555单稳态电路组成。由IC1和和R1、RP、R2、D1、D2、C1组成无稳态多谐振荡器,振荡频率f=1.44/(R1+R2+RP)C1。图示参数的振荡频率约600赫兹左右。
IC1的振荡方波通过D3、R3,加至IC2的6、7脚。IC2和R4、C5、R3、C3等组成单稳态延时电路。通电初期,由于C5接在触发端2脚与地之间,故3脚呈高电平,继电器K吸合,K1-1闭合,维持给IC1、IC2供电,K2-2闭合,负载得电工作。此时,与IC2的7脚相连的芯片内放电管截止,因而C3开始充电。C3的充电呈阶跃式,即IC1输出方波的正脉冲期间对其充电,由于D3的接法,C3上的电压不能向IC1方向放电。当C3的充电电压超过2/3Vdd阈值电平时,555复位,3脚输出低电平,定时时间到,继电器K释放,K1,K2断开,负载停止工作。

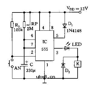
这是一个用555时基电路做成的单稳态延时电路,与通常的单稳态电路不同之处在于,5脚通过二极管D1接到Vdd,555的控制端5脚是与芯片内部分压点的2/3Vdd相连的。现该脚经D1与Vdd相连,就把该点箝在Vdd-0.7=11.3V电位上。这就使得阈值电平也应提高到11.3V以上,因而使电容器C的充电时间大大延长,即在相同RC时间常数下使定时时间加大了几倍。图示参数给出的定时时间约73分钟,即当C上电压充到高于11.3V时,555电路翻转,输出低电平,K释放,负载断电,定时结束。计时开始时,应按一下AN,使555电路置位。

相关热词:#延时电路
无线遥控器电路图制作
时间:2026-03-07
无线电遥控门铃电路原理图
时间:2026-03-07
NE555过流保护检测器电路图
时间:2026-03-07
串联谐振升压原理
时间:2026-03-07
谐振回路的工作原理
时间:2026-03-07
电容降压电路原理
时间:2026-03-07
实用的电容降压电路
时间:2026-03-07
低成本的阻容降压电路原理图分析
时间:2026-03-07
阻容降压原理及电路
时间:2026-03-07
阻容降压电路的误区
时间:2026-03-07
彩灯电路
时间:2026-03-05
三相异步电动机原理
时间:2026-03-04
三相异步电动机的七种调速方式
时间:2026-03-04
转角测量电路
时间:2026-03-05
经典的正弦波发生电路
时间:2026-03-05
电动机单线远程正反转控制电路图
时间:2026-03-04
三相异步电动机的拆装详讲
时间:2026-03-04
USB转232电路图
时间:2026-03-04
电度表的工作原理
时间:2026-03-04
电风扇红外遥控器2
时间:2026-03-04