薄膜电容器是一种广泛应用于电子电路中的电容器,它利用两层导电薄膜(通常为金属化塑料薄膜)之间的绝缘介质来存储电荷。这种电容器因其独特的结构和性能特点,在许多领域都有着重要的应用。
薄膜电容使用量比较大,常见的有CBB21/22电容、CBB81高压电容、CBB20轴向电容、CL21X超小型电容、CL23B校正电容、CBB61启动电容、MMKP82双面金属化电容、MPB盒装金属化聚丙烯薄膜电容等。
薄膜电容的优点还是非常多的:
优点一:具有自愈性。
当电容内部的故障引起的泄漏电流时,由于薄膜电容电介质中局部故障附近的电极材料足够薄,会发生汽化,从而以损失一些容值为代价消除(或“清除”)故障,所以薄膜电容具有自愈性。
优点二:温度变化引起的电容容量变化小。
像电容电解、陶瓷电容我们都不推荐长时间存放,因为放置时间过久,电容器的容量会发生变化。
陶瓷电容器在温度变化时,介电质的介电常数会发生变化,结果导致静电电容变动。此外,铝电解电容器,其电解液的导电性和电极的电阻会随着温度变化而变化,因而静电电容也会变化。
但是薄膜电容的稳定性极好,温度的高低一般对电容的容量影响极小。
优点三:薄膜电容的绝缘电阻高。
电容器的绝缘电阻一般随着温度的升高而下降,但与其他电容器相比,薄膜电容器的绝缘电阻即使温度升高也不易下降,从而保持性能。
此外:与其他电容器相比,薄膜电容器具有电气输入或输出时损耗小的特点。
优点四:没有极性。
像电容电解在使用的时候,一般需要区分正负极,如果搞错,通电后电解电容会爆炸,而且它只能用于直流电路中。
所有薄膜电容都是没有极性的,使用时不需要区分正负极,它不但能用于直流电路中,也能用于交流电路中。
优点五:故障小,寿命长。
薄膜电容器的介电质由于其物理性能稳定,因而与其他电容器相比,具有故障少、寿命长等特点。
只要薄膜电容不偷工减料,生产过程质量控制严谨,薄膜电容的设计寿命特别长,比如科雅KYET系列的薄膜电容设计寿命长达10万小时。
优点六:没有偏压特性变化
陶瓷电容器的静电电容随外加电压的变化而变化,而薄膜电容器的静电电容则几乎不随外加电压的变化而变化。利用这一特性,在音频电路中使用薄膜电容器时,具有失真少、音质提高的优点。
审核编辑:刘清
星三角启动接线图
时间:2026-03-07
热继电器在星三角启动电路中的位置
时间:2026-03-07
星三角形降压起动电路图
时间:2026-03-07
三角形接法电动机断相用电压继电器保护电路
时间:2026-03-07
三角形接法电动机零序电压继电器断相保护电...
时间:2026-03-07
3按钮手动星三角起动控制电路
时间:2026-03-07
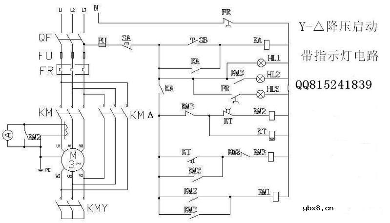
电动机星三角降压启动电路
时间:2026-03-07
QX3-13型星三角降压启动器电路
时间:2026-03-07
星三角降压起动控制电路
时间:2026-03-07
全自动星三角减压启动、反接制动电路
时间:2026-03-07
玻璃釉电容器的结构与特点
时间:2026-03-05
关于STM32WL LSE 添加反馈电阻后无法起振的...
时间:2026-03-05
电阻的标称阻值和允许偏差
时间:2026-03-05
使用过滤器电容器和诱导器来抑制受辐射的EM...
时间:2026-03-05
LED固晶机龙头直面“寒冬”
时间:2026-03-05
浅谈高压贴片电容分类与性能参数
时间:2026-03-05
聚四氟乙烯电容器的结构与特点
时间:2026-03-05
漆膜电容器的结构与特点
时间:2026-03-05
复合介质电容器的结构与特点
时间:2026-03-05
瓷介电容器的结构与特点
时间:2026-03-05