星三角启动接线图介绍
电路图基础2026-03-07
电子发烧友网提供了星三角启动接线图
星三角启动电路图
电路图基础2026-03-07
星三角启动电路图
星三角启动接线图
电路图基础2026-03-07
星三角启动接线图
揭秘STC12直流电子负载电路设计大全
时间:2026-03-07
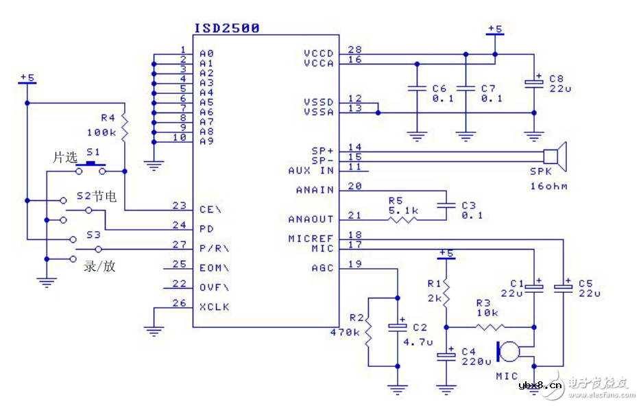
AT89C2051控制语音芯片录放音系统电路 —电...
时间:2026-03-07
低功耗MCU电子电路设计图集锦TOP12 —电路图...
时间:2026-03-07
无人机飞行控制器电路设计攻略——电路图天...
时间:2026-03-07
液晶信号板电路设计与原理详解TOP9 —电路图...
时间:2026-03-07
射频无线门禁系统电路设计方案详解 —电路图...
时间:2026-03-07
嵌入式CAN总线系统电路设计详解 —电路图天...
时间:2026-03-07
MCP2515多路CAN总线接口电路设计图
时间:2026-03-07
基于555定时器构成的多谐振荡器应用电路设计
时间:2026-03-07
电子密码锁555单稳态电路设计攻略
时间:2026-03-07
彩灯电路
时间:2026-03-05
三相异步电动机原理
时间:2026-03-04
三相异步电动机的七种调速方式
时间:2026-03-04
转角测量电路
时间:2026-03-05
经典的正弦波发生电路
时间:2026-03-05
电动机单线远程正反转控制电路图
时间:2026-03-04
USB转232电路图
时间:2026-03-04
电度表的工作原理
时间:2026-03-04
电风扇红外遥控器2
时间:2026-03-04
三相异步电动机的拆装详讲
时间:2026-03-04