TTL非门电路、结构及工作原理
电工基础2026-03-07
TTL非门电路、结构及工作原理 1、 电路结构图 2、 工作原理设Vcc=5V, UIH = 3.4V, UIL = 0.2V, PN结的导通电压为0.7V。
光敏电阻器浓度测量仪电路
时间:2026-03-07
三运放仪表放大器电路
时间:2026-03-07
D触发器结构的五分频器逻辑电路
时间:2026-03-07
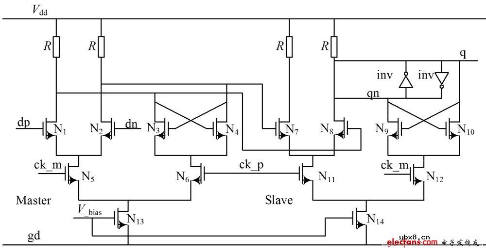
CML锁存器构成的主从式触发器电路
时间:2026-03-07
TSPC电路构成的触发器电路
时间:2026-03-07
LT2221步进电机驱动电路
时间:2026-03-07
麦克风前置放大电路原理图
时间:2026-03-07
NE555+CD4017构成多路程序控制电路
时间:2026-03-07
74LS74构成的遥控电路
时间:2026-03-07
扫频正弦/余弦波产生电路
时间:2026-03-07
彩灯电路
时间:2026-03-05
三相异步电动机原理
时间:2026-03-04
三相异步电动机的七种调速方式
时间:2026-03-04
转角测量电路
时间:2026-03-05
经典的正弦波发生电路
时间:2026-03-05
电动机单线远程正反转控制电路图
时间:2026-03-04
USB转232电路图
时间:2026-03-04
电度表的工作原理
时间:2026-03-04
电风扇红外遥控器2
时间:2026-03-04
三相异步电动机的拆装详讲
时间:2026-03-04