电工问答2026-03-06
恢复Unix系统被删除地文件 与DOS/Windows不同,Unix文件被删除后很难恢复,这是由Unix独特的文件系统结构决定的。所以,要想恢复这些文件,就需要另辟蹊径。
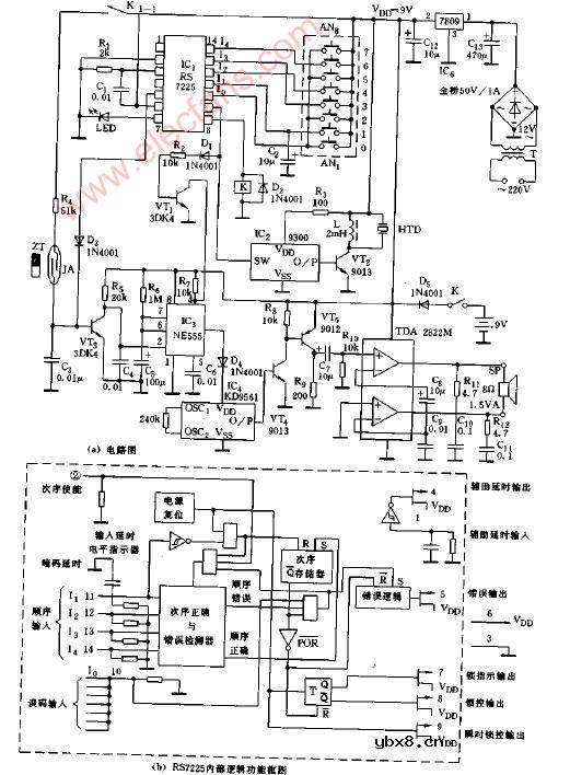
利用语言存储芯片的无线报警器电路图
时间:2026-03-06
两功能四声循环式防盗报警器电路图
时间:2026-03-06
灵敏的地震声光报警电路图
时间:2026-03-06
漏血报警器电路图
时间:2026-03-06
密码门铃报警器电路图
时间:2026-03-06
倾斜报警器电路图
时间:2026-03-06
全电子保险开关电路图
时间:2026-03-06
任意多路防盗报警器电路图
时间:2026-03-06
扫频报警器电路图
时间:2026-03-06
声控值班报警器电路图
时间:2026-03-06
瞬间抑制二极管(TVS)/瞬间抑制二极管(TVS)是...
时间:2026-03-04
什么是EPIC
时间:2026-03-06
什么是追踪缓存/转接卡?
时间:2026-03-06
什么是Speculative execution/SQRT?
时间:2026-03-06
什么是联合并行处理二级缓存?
时间:2026-03-06
什么是霍尔传感器
时间:2026-03-05
技术前沿:让我们来谈一谈封装
时间:2026-03-05
半导体材料的主要种类有哪些?
时间:2026-03-04
高级封装,高级封装是什么意思
时间:2026-03-04
数字比较器,数字比较器是什么意思
时间:2026-03-04