轴湿报警器电路图
时间:2026-03-06
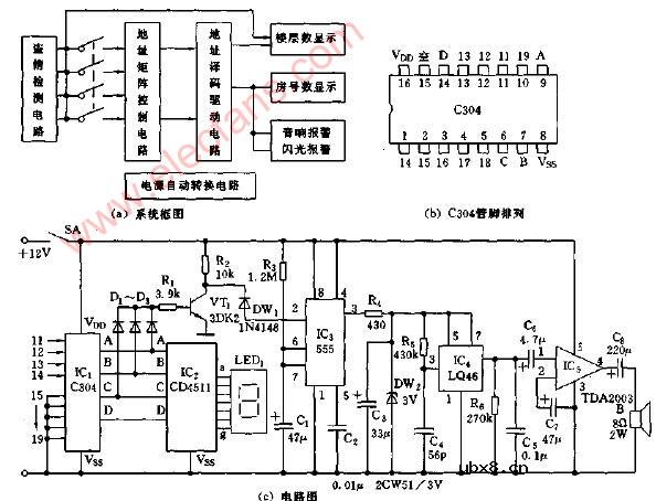
住宅楼智能报警系统种的音响电路图1
时间:2026-03-06
住宅楼智能报警系统种的音响电路图2
时间:2026-03-06
转速低限报警器电路图
时间:2026-03-06
FM无线发射电路图
时间:2026-03-06
YSTS比例遥控调速器电路图
时间:2026-03-06
长话线路故障遥测仪电路图
时间:2026-03-06
大容量编码定时无线发射电路图
时间:2026-03-06
电话机附加振铃提醒器电路图1
时间:2026-03-06
电话机附加振铃提醒器电路图2
时间:2026-03-06
瞬间抑制二极管(TVS)/瞬间抑制二极管(TVS)是...
时间:2026-03-04
什么是EPIC
时间:2026-03-06
什么是追踪缓存/转接卡?
时间:2026-03-06
什么是Speculative execution/SQRT?
时间:2026-03-06
什么是联合并行处理二级缓存?
时间:2026-03-06
什么是霍尔传感器
时间:2026-03-05
技术前沿:让我们来谈一谈封装
时间:2026-03-05
半导体材料的主要种类有哪些?
时间:2026-03-04
高级封装,高级封装是什么意思
时间:2026-03-04
数字比较器,数字比较器是什么意思
时间:2026-03-04