电工问答2026-03-05
AMD移动CPU Athlon XP-M:Athlon XP-M处理器采用了台式处理器版本的Thoroughbred核心,移动式 AMD Athlon XP-M 处理器可与 AMD 的 Socket A 结构兼容,而且还配备先进的 266MHz AMD Athlon 前端总线。低电压移
定向耦合器的技术指标及其设计
时间:2026-03-06
电气设备二次回路:隔离开关/断路器/变压器...
时间:2026-03-06
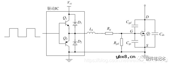
分享一种MOS管及其外围电路设计方案
时间:2026-03-06
散热器产品类型/使用寿命
时间:2026-03-06
散热器散热片材质
时间:2026-03-06
散热器
时间:2026-03-06
散热器风扇噪音
时间:2026-03-06
主机电源适用类型/安装方式
时间:2026-03-06
主机电源的额定功率
时间:2026-03-06
主机电源的主要输出接口
时间:2026-03-06
瞬间抑制二极管(TVS)/瞬间抑制二极管(TVS)是...
时间:2026-03-04
什么是霍尔传感器
时间:2026-03-05
半导体材料的主要种类有哪些?
时间:2026-03-04
高级封装,高级封装是什么意思
时间:2026-03-04
数字比较器,数字比较器是什么意思
时间:2026-03-04
常用整流二极管型号大全
时间:2026-03-04
S/HS固态继电器原理简介
时间:2026-03-04
稳压二极管的选用和代换
时间:2026-03-04
TVS器件的电特性有哪些
时间:2026-03-04
TVS二极管的分类/应用,TVS二极管的特点/选用...
时间:2026-03-04