电工问答2026-03-07
自打高通收购了Atheros后整合发布了IPQ系列路由处理器,当然也把自家的处理器技术都搬上来,双核Krait,主频达到1GHz,搭配2个739MHz的网络协处理器,也是可以算是一颗四核处理器了,性能各方面都是不差的。ipq8
信号机电路图讲解和实物图(黄灯点灯电路/出...
时间:2026-03-07
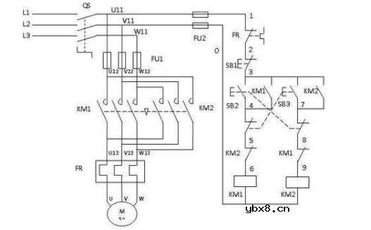
电机控制电路接线图(异步电动机可逆控制电...
时间:2026-03-07
电机控制电路实物接线图(接触器控制电机正...
时间:2026-03-07
调功电路原理(555调功电路/TDA2040汽车音响...
时间:2026-03-07
继电器与开关电路分析(JS20单结晶体管时间...
时间:2026-03-07
温度传感器电路原理(数字温度传感器电路/p...
时间:2026-03-07
应急灯电路原理图(应急灯充电电路/移相触发...
时间:2026-03-07
单片机复位电路图
时间:2026-03-07
分享使用 LTspice 进行电源电路设计的技巧
时间:2026-03-07
应急灯电路原理图(应急灯充电电路/移相触发...
时间:2026-03-07
什么是追踪缓存/转接卡?
时间:2026-03-06
瞬间抑制二极管(TVS)/瞬间抑制二极管(TVS)是...
时间:2026-03-04
什么是EPIC
时间:2026-03-06
什么是联合并行处理二级缓存?
时间:2026-03-06
什么是Speculative execution/SQRT?
时间:2026-03-06
什么是霍尔传感器
时间:2026-03-05
双向二极管起什么作用?
时间:2026-03-04
半导体材料的主要种类有哪些?
时间:2026-03-04
高级封装,高级封装是什么意思
时间:2026-03-04
数字比较器,数字比较器是什么意思
时间:2026-03-04