两线制应变压力传感器转换电路
电工基础2026-03-06
两线制应变压力传感器转换电路
压力传感器双线传输电路
电工基础2026-03-06
压力传感器双线传输电路
液体压强计电路图
电工基础2026-03-06
液体压强计电路图
有源电流反馈数放原理电路
电工基础2026-03-06
有源电流反馈数放原理电路
有源负反馈数放原理电路
电工基础2026-03-06
有源负反馈数放原理电路
振动式压力传感器振荡电路
电工基础2026-03-06
振动式压力传感器振荡电路
INA101基本连接电路
电工基础2026-03-06
INA101基本连接电路
INA101实用电路
电工基础2026-03-06
INA101实用电路
差动电容脉冲宽度调制电路
电工基础2026-03-06
差动电容脉冲宽度调制电路
传感器温度补偿原理电路
电工基础2026-03-06
传感器温度补偿原理电路
电桥放大电路
电工基础2026-03-06
电桥放大电路
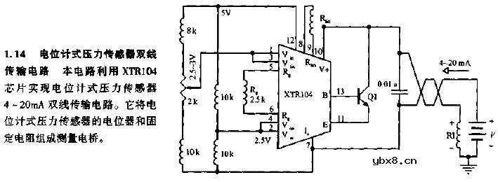
电位计式压力传感器双线传输电路
电工基础2026-03-06
电位计式压力传感器双线传输电路
多功能转换电路
电工基础2026-03-06
多功能转换电路
隔离发送-接收电路
电工基础2026-03-06
隔离发送-接收电路
节电定时灯开关电路图
电工基础2026-03-06
节电定时灯开关电路图
音调拨号盘顺序解码器电路图
电工基础2026-03-06
音调拨号盘顺序解码器电路图
一文简析变压器原理及接线组别
时间:2026-03-06
电脑辐射消除器
时间:2026-03-06
液晶显示器的液晶板类型
时间:2026-03-06
液晶显示器的屏幕尺寸
时间:2026-03-06
液晶显示器的接口类型
时间:2026-03-06
液晶显示器的灰阶响应时间
时间:2026-03-06
液晶显示器点距
时间:2026-03-06
液晶显示器的亮度
时间:2026-03-06
液晶显示器色彩数
时间:2026-03-06
液晶显示器的对比度
时间:2026-03-06
彩灯电路
时间:2026-03-05
三相异步电动机原理
时间:2026-03-04
转角测量电路
时间:2026-03-05
经典的正弦波发生电路
时间:2026-03-05
袖珍节拍器电路图
时间:2026-03-05
电度表的工作原理
时间:2026-03-04
电动机单线远程正反转控制电路图
时间:2026-03-04
三相异步电动机的拆装详讲
时间:2026-03-04
三相异步电动机的七种调速方式
时间:2026-03-04
USB转232电路图
时间:2026-03-04