交流电网超压、欠压报警装置
电工基础2026-03-06
交流电网超压、欠压报警装置
三相电动机制动装置
电工基础2026-03-06
三相电动机制动装置
三相交流电焊机空载自停控制电路
电工基础2026-03-06
三相交流电焊机空载自停控制电路
失电故障报警器
电工基础2026-03-06
失电故障报警器
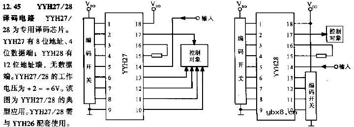
YYH27/28译码器电路
电工基础2026-03-06
YYH27,28译码器电路
编发,译收一体化电路
电工基础2026-03-06
编发,译收一体化电路
编译码一体电路图
电工基础2026-03-06
编译码一体电路图
单片UM3758-108A/AM编码电路图
电工基础2026-03-06
单片UM3758-108A/AM编码电路图
单片ZH8901编译码电路
电工基础2026-03-06
单片ZH8901编译码电路
单片ZH8901译码电路
电工基础2026-03-06
单片ZH8901译码电路
单片ZH9401编码电路图
电工基础2026-03-06
单片ZH9401编码电路图
译码器集成电路TC9150电路
电工基础2026-03-06
译码器集成电路TC9150电路
XTR101功能电路图
电工基础2026-03-06
XTR101功能电路图
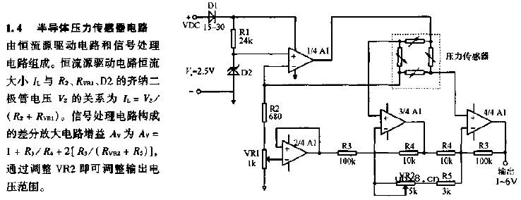
半导体压力传感器电路
电工基础2026-03-06
半导体压力传感器电路
电容式差压电路
电工基础2026-03-06
电容式差压电路
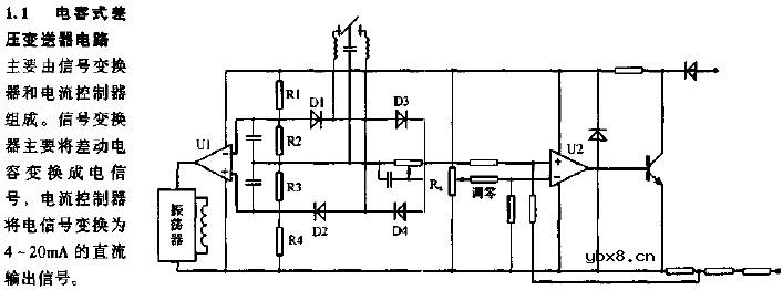
电容式整压变送器电路图
电工基础2026-03-06
电容式整压变送器电路图
一文简析变压器原理及接线组别
时间:2026-03-06
电脑辐射消除器
时间:2026-03-06
液晶显示器的液晶板类型
时间:2026-03-06
液晶显示器的屏幕尺寸
时间:2026-03-06
液晶显示器的接口类型
时间:2026-03-06
液晶显示器的灰阶响应时间
时间:2026-03-06
液晶显示器点距
时间:2026-03-06
液晶显示器的亮度
时间:2026-03-06
液晶显示器色彩数
时间:2026-03-06
液晶显示器的对比度
时间:2026-03-06
彩灯电路
时间:2026-03-05
三相异步电动机原理
时间:2026-03-04
转角测量电路
时间:2026-03-05
经典的正弦波发生电路
时间:2026-03-05
袖珍节拍器电路图
时间:2026-03-05
电度表的工作原理
时间:2026-03-04
电动机单线远程正反转控制电路图
时间:2026-03-04
三相异步电动机的拆装详讲
时间:2026-03-04
三相异步电动机的七种调速方式
时间:2026-03-04
USB转232电路图
时间:2026-03-04