电动机控制电路图原理
电机控制器主要通过并受磁场的作用实现对电机实现控制,通过计算机编程来操作电机驱动器来实现的。它的主要作用是利用电能转化为机械能,方法简便,具有编程较灵活等特点,现已经得到了广泛应用。
一、定时自动循环电路

定时自动循环电路原理:合上电源开关QF,按保持按钮SB2,中间继电器KA吸合,KA的自保触点与按钮SB2、KT1、KT2断电延时闭合的动断触点组成的串联电路并联,接通起动控制电路。如果按起动按钮SB3,时间继电器KT1得电,这时其断电延时断开的动合触点KT1闭合,接触器KM1线圈得电,主触点闭合,电动机就会开始正转。(这里设置的正转维持时间为20秒计时开始)。
同时KM1动合触点接通了时间继电器KT2,其串联在接触器KM2线圈回路中的断电延时断开的动合触点KT2闭合,由于KM1的互锁触点此时已断开,接触器KM2线圈不能通电。当正转维持时间结束后,断电延时断开的动合触点KT1断开,KM1释放,电动机正转停止。KM1的动断触点闭合,接触器KM2线圈得电,主触点闭合,电动机开始反转。同时KM1动合触点断开了时间继电器KT2线圈回路(反转维持时间为40秒计时开始)。这时KM2动合触点又接通了KT1线圈,断电延时断开的动合触点KT1闭合,为下次电动机正转作准备。因此时串联在接触器KM1线圈回路中的KM2互锁触点断开,接触器KM1线圈暂时不得电。与按钮SB2串联的KT1、KT2断电延时闭合的动断触点是保证在电动机自动循环结束后,才能再次起动控制电路。
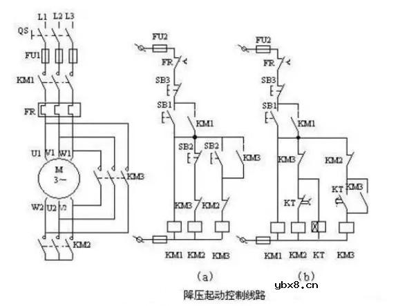
二、降压起动控制电路

( a )为按钮、接触器控制 Y —△降压起动控制线路。按下起动按钮 SB1 , KM1 、 KM2 得电吸合, KM1 自锁,电动机星形起动,待电动机转速接近额定转速时,按下 SB2 , KM2 断电、 KM3 得电并自锁,电动机转换成三角形全压运行。
( b )为时间继电器自动控制 Y —△降压起动控制线路,降压起动控制电路的工作原理:按下起动按钮 SB1 , KM1 、 KM2 得电吸合,电动机星形起动,同时 KT 也得电,经延时后时间继电器 KT 常闭触头打开,使得 KM2 断电,常开触头闭合,使得 KM3 得电闭合并自锁,电动机由星形切换成三角形正常运行。
三、多地控制电路

多地控制电路启动:按下甲乙两地(任意)启动按钮SB2或SB4→KM线圈得电吸合→其常开辅助触头闭合自锁→其主触头闭合接通电动机主回路→电动机M运转。
多地控制电路停止:按下甲乙两地(任意)停止按钮SB1或SB3→KM线圈失电释放→其常开辅助自锁触头断开自锁回路→其主触头释放断开电动机主回路→电动机M停止运转。
责任编辑:pj
相关热词:#控制器
晶体三极管放大原理 详解晶体三极管放大电路
时间:2026-03-07
pnp三级管怎么接线 详解三极管pnp和npn
时间:2026-03-07
三极管参数及功率计算 浅谈三极管参数应用
时间:2026-03-07
s8050三极管作用 详解三极管引脚判断
时间:2026-03-07
三极管各极的含义和辨别方法 浅谈三极管各极...
时间:2026-03-07
9013三极管管脚识别和正负极区分
时间:2026-03-07
如何正确区分9013系列三极管 详解9013开关电...
时间:2026-03-07
9013三极管引脚图怎么接 详解三极管开关电路
时间:2026-03-07
9013三极管怎么进行参数代换 浅谈三极管代换...
时间:2026-03-07
s9013三极管封装及参数介绍 浅析s9013三极管...
时间:2026-03-07
彩灯电路
时间:2026-03-05
电动机单线远程正反转控制电路图
时间:2026-03-04
三相异步电动机原理
时间:2026-03-04
三相异步电动机的拆装详讲
时间:2026-03-04
USB转232电路图
时间:2026-03-04
三相异步电动机的七种调速方式
时间:2026-03-04
转角测量电路
时间:2026-03-05
经典的正弦波发生电路
时间:2026-03-05
电度表的工作原理
时间:2026-03-04
电风扇红外遥控器2
时间:2026-03-04