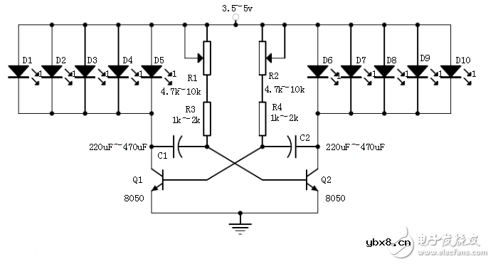
电路原理:每个8050三极管可以驱动十二个到二十四个发光二极管。如果Q1、Q2改成9013,则驱动的发光二极管数量减半。只有相同发光电压(不同颜色的发光电压一般不同)的发光二极管才可以并联使用。可以将发光二极管接成需要的图案,表达设计者的意图。彩灯闪烁的周期是:T=0.7×(R1+R3)×C2+0.7×(R2+R4)×C1 根据闪烁快慢要求选择R1,R2,R3,R4,C1,C2的参数。调节电位器R1、R2的大小,可以改变闪烁速度。电压过高会烧坏发光二极管。工作电压从3v开始调大,当提供的电源电压高于5v后应当串入一个2.2~27欧姆的电阻作为限流电阻,以免烧坏发光二极管。

相关热词:#三极管
无线遥控器电路图制作
时间:2026-03-07
无线电遥控门铃电路原理图
时间:2026-03-07
NE555过流保护检测器电路图
时间:2026-03-07
串联谐振升压原理
时间:2026-03-07
谐振回路的工作原理
时间:2026-03-07
电容降压电路原理
时间:2026-03-07
实用的电容降压电路
时间:2026-03-07
低成本的阻容降压电路原理图分析
时间:2026-03-07
阻容降压原理及电路
时间:2026-03-07
阻容降压电路的误区
时间:2026-03-07
彩灯电路
时间:2026-03-05
三相异步电动机原理
时间:2026-03-04
三相异步电动机的七种调速方式
时间:2026-03-04
转角测量电路
时间:2026-03-05
经典的正弦波发生电路
时间:2026-03-05
电动机单线远程正反转控制电路图
时间:2026-03-04
三相异步电动机的拆装详讲
时间:2026-03-04
USB转232电路图
时间:2026-03-04
电度表的工作原理
时间:2026-03-04
电风扇红外遥控器2
时间:2026-03-04