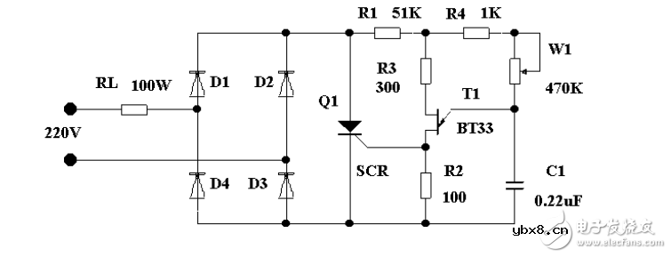
可控硅是一种新型的半导体器件,它具有体积小、重量轻、效率高、寿命长、动作快以及使用方便等优点,目前交流调压器多采用可控硅调压器。这里介绍一台电路简单、装置容易、控制方便的可控硅交流调压器,这可用作家用电器的调压装置,进行控制。图中RL是负载(照明灯,电风扇、电熨斗等)这台调压器的输出功率达100W,一般家用电器都能使用。
电路原理:可控硅交流调压器由可控整流电路和触发电路两部分组成,其电路原理图如下图所示。 从图中可知,二极管D1—D4组成桥式整流电路,双基极二极管T1构成张弛振荡器作为可控硅的同步触发电路。当调压器接上市电后,220V交流电通过负载电阻RL经二极管D1—D4整流,在可控硅SCR的A、K两端形成一个脉动直流电压,该电压由电阻R1降压后作为触发电路的直流电源。在交流电的正半周时,整流电压通过R4、W1对电容C充电。当充电电压Uc达到单结晶体管T1管的峰值电压Up时,单结晶体管T1由截止变为导通,于是电容C通过T1管的e、b1结和R2迅速放电,结果在R2上获得一个尖脉冲。这个脉冲作为控制信号送到可控硅SCR的控制极, 使可控硅导通。可控硅导通后的管压降很低,一般小于1V,所以张弛振荡器停止工作。当交流电通过零点时,可控硅自关断。当交流电在负半周时,电容C又从新充电,如此周而复始,便可调整负载RL上的功率了。

元器件选择:调压器的调节电位器选用阻值为470KΩ的WH114-1型合成碳膜电位器,这种电位器可以直接焊在电路板上,电阻除R1要用功率为1W的金属膜电阻外,其余的都用功率为1/8W的碳膜电阻。D1—D4选用反向击穿电压大于300V、最大整流电流大于0.3A的硅整流二极管,如2CZ21B、2CZ83E、2DP3B等。SCR选用正向与反向电压大于300V、额定平均电流大于1A的可控硅整流器件,如国产3CT系列。
相关热词:#可控硅
无线遥控器电路图制作
时间:2026-03-07
无线电遥控门铃电路原理图
时间:2026-03-07
NE555过流保护检测器电路图
时间:2026-03-07
串联谐振升压原理
时间:2026-03-07
谐振回路的工作原理
时间:2026-03-07
电容降压电路原理
时间:2026-03-07
实用的电容降压电路
时间:2026-03-07
低成本的阻容降压电路原理图分析
时间:2026-03-07
阻容降压原理及电路
时间:2026-03-07
阻容降压电路的误区
时间:2026-03-07
彩灯电路
时间:2026-03-05
三相异步电动机原理
时间:2026-03-04
三相异步电动机的七种调速方式
时间:2026-03-04
转角测量电路
时间:2026-03-05
经典的正弦波发生电路
时间:2026-03-05
电动机单线远程正反转控制电路图
时间:2026-03-04
三相异步电动机的拆装详讲
时间:2026-03-04
USB转232电路图
时间:2026-03-04
电度表的工作原理
时间:2026-03-04
电风扇红外遥控器2
时间:2026-03-04