斜齿圆柱齿轮的传动原理图
电工基础2026-03-05
斜齿圆柱齿轮的传动原理图 滚切斜齿圆柱齿轮的传动原理图 图中:虚线表示传动链中的固定传动比; 表示改变滚刀主轴转速用的变速机构; 表示改变渐开线形状(即:改变工件齿轮齿数)的变速机构;
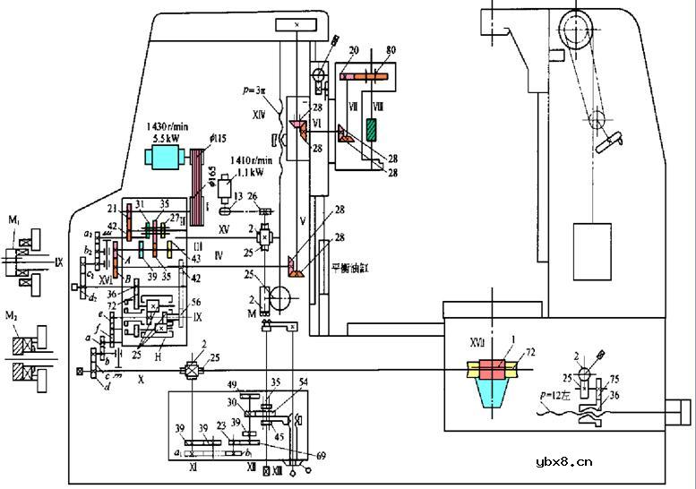
Y3150E型滚齿机传动系统图
电工基础2026-03-05
Y3150E型滚齿机传动系统图 根据传动系统图分别写出主运动传动链、展成运动传动链、轴向进给传动链和差动运动传动链的末端件、计算位移和运动平衡式。
插齿机传动原理图
电工基础2026-03-05
插齿机传动原理图 插齿机传动原理图
万能外圆磨床结构图
电工基础2026-03-05
万能外圆磨床结构图
组合机床的组成
电工基础2026-03-05
组合机床的组成 组合机床的特点: 以系列化、标准化的通用部件为基础再配以少量的专用部件组成的专用机床。生产率及自动化程度高,精度易保证。 能缩短设计制造周期,经济效果好。能适应
数控车床的组成
电工基础2026-03-05
数控车床的组成主要有如下组件: 1.直流伺服电机 2.换刀机械手 3.数控柜 4.盘式刀库
PIN二极管衰减器电路
电工基础2026-03-05
PIN二极管衰减器电路
噪声电桥电路
电工基础2026-03-05
噪声电桥电路
计数器(反馈归零法)
电工基础2026-03-05
计数器(反馈归零法) 1)设计四路抢答器,当主持人宣布开始时,一旦有一个参赛者最先按下按钮,则此参赛者对应的指示灯亮,而其余三个参赛者的按钮将不起作用,信号也不再被输出,直到主持人宣布下一轮抢答开始为
彩灯循环电路图
电工基础2026-03-05
彩灯循环电路图
10W SSB混频电路图
电工基础2026-03-05
10W SSB混频电路图
27MHz晶体调制器电路
电工基础2026-03-05
27MHz晶体调制器电路
225MHz前端电路图
电工基础2026-03-05
225MHz前端电路图
DSB平衡调制器电路
电工基础2026-03-05
DSB平衡调制器电路
DSB信号产生电路图
电工基础2026-03-05
DSB信号产生电路图
USB信号产生电路图
电工基础2026-03-05
USB信号产生电路图
满足多种需求的DSP架构解决方案
时间:2026-03-05
电子驱赶器中为什么要使用5个20k的电阻呢?
时间:2026-03-05
“线上版华强北”是如何构建的?
时间:2026-03-05
内桥接线变电站电压电流回路及备自投装置设...
时间:2026-03-05
Sunlord板载式NTC热敏电阻—SDNC-G系列介绍
时间:2026-03-05
贴片电阻选型方法,贴片电阻选型时的注意事...
时间:2026-03-05
贴片电阻选购小技巧,贴片电阻识别及型号
时间:2026-03-05
智能电网基础详细教程:电网短路电流
时间:2026-03-05
柔性负荷调度,发电调度的补充
时间:2026-03-05
“三华”地区联网规模宠大,符合电网合理受...
时间:2026-03-05
彩灯电路
时间:2026-03-05
三相异步电动机原理
时间:2026-03-04
转角测量电路
时间:2026-03-05
经典的正弦波发生电路
时间:2026-03-05
电度表的工作原理
时间:2026-03-04
电动机单线远程正反转控制电路图
时间:2026-03-04
三相异步电动机的拆装详讲
时间:2026-03-04
三相异步电动机的七种调速方式
时间:2026-03-04
USB转232电路图
时间:2026-03-04
沈乐满SR-5燃气热水器原理图
时间:2026-03-05