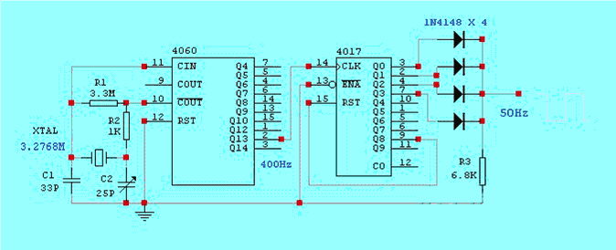
50Hz时基信号发生器电路图
本电路由CD4050和4017组成。
cd4050中文资料:http://www.elecfans.com/soft/78/223/2008/200807195284.html

相关热词:#时基
矩阵切换器的控制方式
时间:2026-03-05
降压转换器使用陶瓷输出电容器
时间:2026-03-05
金属膜电容和其他电容的简单分类
时间:2026-03-05
矩阵切换器的输入/输出阻抗
时间:2026-03-05
矩阵切换器的输入/输出电平
时间:2026-03-05
分配器的支持分辨率/传输距离
时间:2026-03-05
车载显示屏的屏幕比例
时间:2026-03-05
分配器的输入接口/输出接口
时间:2026-03-05
车载显示屏的屏幕尺寸
时间:2026-03-05
KVM切换器的切换方式
时间:2026-03-05
彩灯电路
时间:2026-03-05
三相异步电动机原理
时间:2026-03-04
转角测量电路
时间:2026-03-05
经典的正弦波发生电路
时间:2026-03-05
电动机单线远程正反转控制电路图
时间:2026-03-04
三相异步电动机的拆装详讲
时间:2026-03-04
三相异步电动机的七种调速方式
时间:2026-03-04
USB转232电路图
时间:2026-03-04
电度表的工作原理
时间:2026-03-04
电风扇红外遥控器2
时间:2026-03-04