7805作为最常见的线性稳压器件,大家都不会陌生。

78系列的芯片,除了LDO功能外,其实也可以用来做其它的一些电路功能,如简单的恒流电路、可调稳压电路、放大电路等。
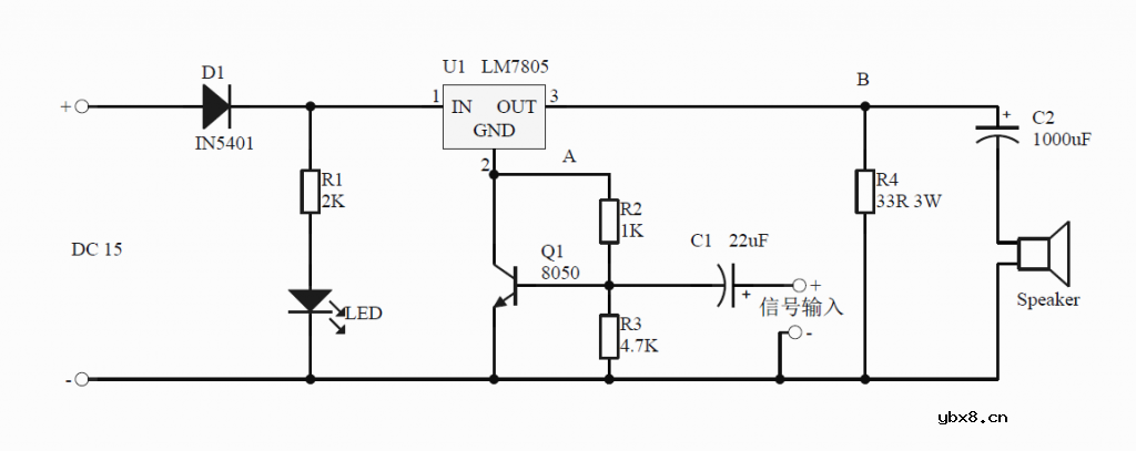
在网上看到一个7805用作音频放大器的电路,修改重画了一下如下图。

然后再来看看7805的内部结构图。

结合两张图对电路做简单的分析。
D1的作用是为了防止电源反接,R1限流后点亮LED作为电源显示。
C1为信号输入的耦合电容,NPN三极管Q1、电阻R2、R3结合芯片内部连接到芯片2号脚的两个电压采样电阻,形成一个共射放大。
R4作为直流负载,C2为输出耦合电容。
Q1通过R2、R3偏置在放大工作点,当音频信号通过C1耦合输入到Q1的基极后,7805的2脚所在的A点电压会随信号放大而波动。
A点的波动则经过7805输出到输出端。比如A点的电压为2V,那么输出端B点电压则会抬升到7V左右。从而实现音频放大的作用。
为什么需要MOSFET栅极电阻?MOSFET栅极电阻...
时间:2026-03-05
NTC/PTC/CTR热敏电阻是什么?热敏电阻的使用...
时间:2026-03-05
解析单电阻采样的原理以及注意点
时间:2026-03-05
共源极放大器的设计方法
时间:2026-03-05
关于STM32WL LSE 添加反馈电阻后无法起振的...
时间:2026-03-05
如何直观地判断两级放大器的零点位置呢?
时间:2026-03-05
时序分析基本概念介绍<wire load model&...
时间:2026-03-05
电子元器件解析—电阻
时间:2026-03-05
3PEAK高压零漂放大器契合精密应用
时间:2026-03-05
助力绿色5G数字式电流和功率监测芯片-TPA62...
时间:2026-03-05
电阻的标称阻值和允许偏差
时间:2026-03-05
零欧电阻的功能
时间:2026-03-05
PPTC热敏电阻在电池中的应用
时间:2026-03-05
水泥电阻规格及型号
时间:2026-03-05
气敏电阻的型号命名方法是怎样的
时间:2026-03-05
国巨片式电阻缺货涨价之应对方案 你要知道电...
时间:2026-03-05
RI-80F型高压高阻玻璃釉膜电阻分压器
时间:2026-03-05
电阻器的分类
时间:2026-03-05
电阻的额定功率
时间:2026-03-05
电阻的高频特性
时间:2026-03-05