基带网 | ~窄带网),基带网(窄带网)是什么意思
网络从信息传输带宽或传输介质来分:基带网、宽带网。
● 基带网的传输介质用双绞线、扁平电缆或同轴电缆,数据传输率在10Mbps以下。以太网就是一种基带网,它采用基带传输技术。
● 宽带网采用受保护的同轴电缆,数据传输率可高达400Mbps。常见的宽带网有PC网等。
相关热词:#电子电路图
暂停警告电路
时间:2026-03-05
暂停警告电路图
时间:2026-03-05
噪声抑制器电路
时间:2026-03-05
自动插入清除电路
时间:2026-03-05
4位数呼叫器电路
时间:2026-03-05
65-240Hz单音电路
时间:2026-03-05
100Hz,CTCSS振荡器电路
时间:2026-03-05
100Hz发生器电路
时间:2026-03-05
1800Hz单音猝发电路图
时间:2026-03-05
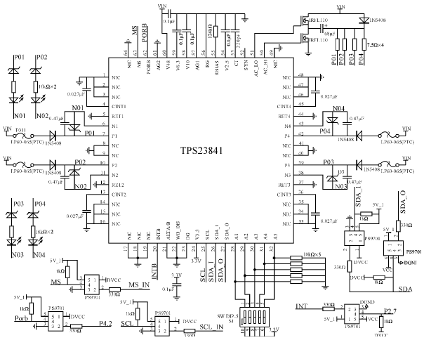
PSE的硬件原理图-电路图
时间:2026-03-05
瞬间抑制二极管(TVS)/瞬间抑制二极管(TVS)是...
时间:2026-03-04
什么是霍尔传感器
时间:2026-03-05
半导体材料的主要种类有哪些?
时间:2026-03-04
高级封装,高级封装是什么意思
时间:2026-03-04
数字比较器,数字比较器是什么意思
时间:2026-03-04
常用整流二极管型号大全
时间:2026-03-04
S/HS固态继电器原理简介
时间:2026-03-04
稳压二极管的选用和代换
时间:2026-03-04
TVS器件的电特性有哪些
时间:2026-03-04
TVS二极管的分类/应用,TVS二极管的特点/选用...
时间:2026-03-04