电子管原理(英语版)
Michael S. McCorquodale
Solid State Electronics Laboratory
Center for Integrated Microsystems
Department of Electrical Engineering and Computer Science
University of Michigan at Ann Arbor
ABSTRACT
Understanding the fundamentals of vacuum tube operation is essential to design, modify, or maintain electronic equipment that utilizes these components. Although the theory behind vacuum tube operation can be highly technical, there are basic principles that can be learned and that will aid the reader in understanding more complicated aspects of tube operation. This paper will address these basic principles.
INTRODUCTION
Vacuum tubes are constructed of a glass or metal container that is vacuum sealed. The basic elements inside the tube are: the anode (or plate), the cathode, and the heater. It should be noted that the cathode is not essential for operation. A tube that does not contain a cathode is considered to be directly heated, while a tube that does contain a cathode is considered to be indirectly heated. The heater is supplied a voltage that allows it to heat up and excite electrons to the point that they escape off of the cathode. These electrons are then attracted to the plate if it is supplied by a positive voltage relative to the cathode. If the tube is directly heated, then the electrons move directly from the heater to the plate. The movement of electrons from the cathode (or the heater) to the plate is called current. By convention, electrons moving in one direction implies a current in the opposite. Refer to Fig.1 for an illustration.


(A) (B)
Fig. 1: (A) SCHEMATIC REPRESENTATION OF A SIMPLE TUBE ILLUSTRATING ELECTRON (e-) AND PLATE CURRENT (IP) FLOW.
Fig. 1:(B) PHYSICAL SCHEMATIC OF THE INTERNALS OF A BEAM POWER PENTODE TUBE TO BE DESCRIBED LATER. ELEMENTS OF THE BASIC TUBE ARE SHOWN AS WELL AS ELEMENTS TO BE DISCUSSED LATER.
It is imperative to recognize that the current will flow only if the plate is positive relative to the cathode. If the plate were not, then no current would flow. This is the fundamental basis of vacuum tube operation.
TUBE TYPES
There are five standard tube types that are utilized in audio electronic equipment. Fig. 2 illustrates the schematic diagrams for each type.

Fig. 2: FIVE COMMON TUBE TYPES
The simplest tube is the rectifier. The tube rectifier behaves very similar to a solid state diode in the sense that when an AC voltage is applied across the plates it is rectified at the heater. See Fig 3.

Fig. 3: AC OPERATION OF THE RECTIFIER. THE TUBE CONDUCTS ONLY WHEN THE INPUT SIGNAL IS POSITIVE.
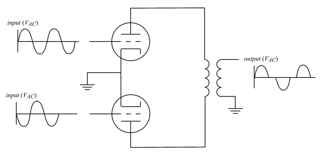
The rectifier's heater is generally tapped in an amplifier to provide a full wave rectified output when there are two plates present in the chamber. The two plates are supplied AC voltages that 180 degrees out of phase with each other. Generally the center tap of the power transformer can be grounded and thus provide two signals that are at one half of the voltage between the two secondary taps and 180 degrees out of phase.

Fig. 4: FULL WAVE RECTIFICATION
The output signal can then be regulated by RC circuits where the AC signal will be transformed into a DC supply rail. Of course, AC ripple is of concern to the designer and should be minimized to prevent the injection of 60 Hz hum into the system. This can be accomplished by selecting appropriate capacitors and resistors for the RC network and by using a choke.
The next tube that will be discussed is the triode. The triode is a three terminal device. These terminals are: the anode (or plate), the control grid, and the cathode. The operating principle is as follows: The voltage at the control grid enhances or impedes electron flow from the cathode to the plate (or current flow from the plate to cathode). Here it should be noted that there is a heater, which is usually not shown in the schematic representation of the device, that is below the cathode. The heater is generally connected to a 6.3 VAC or 12.6 VAC source, depending upon the tube type. However, the heater may also be supplied power from an equivalent DC source, but it is not cost effective for commercial suppliers to regulate an AC signal if it is not required. Unfortunately, AC heater current may introduce 60 Hz hum into the system if the heater wires are not installed properly. The heater is what allows current to flow from the cathode to the plate by boiling off electrons, as described previously. If the control grid goes positive, then current flow is enhanced. If the control grid goes negative, then the current flow is impeded. Lastly, if the control grid goes negative enough, all of the current will be stopped with the exception of residual leakage. It should be clear from this discussion that if a signal is applied to the control grid and tapped from the plate, the output at the plate will be 180 degrees out of phase with the input. It should also be clear from where the name valve originated. Indeed, the triode acts as a valve by either allowing current to flow or impeding it.

The tetrode was designed due to the fact that there is a large internal grid to plate capacitance that exists in the triode. This severely limits its application to radio frequency design. The tetrode introduces another control grid called the screen. The screen effectively splits the grid to plate capacitance in half since capacitors in series add like resistors in parallel, and thus the total grid to plate capacitance is reduced. In general the screen is kept at a positive voltage to be most effective. This, in turn, accelerates electrons toward the plate.
One solution brings on a new problem. The pentode was designed since the tetrode accelerates electrons toward the plate and causes what is known as secondary emission. The electrons that travel in the vacuum space bombard the plate with sufficient energy such that the electrons on the plate become dislodged and thus enter the vacuum space. Since the screen is positive, these free electrons are attracted to it. This reduces the plate current. Enter the pentode. This device adds another control grid named the suppressor. In general, this grid is internally connected to the cathode and thus it is at a lower voltage than the screen. Since the electrons from secondary emission encounter the negative suppressor, they are repelled and therefore not attracted to the screen.
The beam power pentode is a specialized type of pentode. A virtual control grid is formed by an electric field that is set up between the screen and the plate. The schematic representation of the device is very explicit in this regard.
Lastly, the reader should note that some tubes come with more that one device in the vacuum tube chamber. For example, the 12AX7 (a common tube type in audio pre-amp circuitry) has two triodes internally. Additionally, there are other tube types with six, seven, or even mode control grids in the chamber. However, these types are not encountered commonly in audio electronic circuits.
IMPLEMENTATION
Standard audio amplifier topologies will now be discussed since a basic understanding of tube operation and devices has been presented. In the most general application, a tube amplifier will utilize the following system level topology.

Fig. 6: STANDARD GUITAR AMPLIFIER TOPOLOGY
The preamp boosts low level signals and then allows for frequency filtering such as bass, mid, and treble adjustments (this is also known as tone control). The phase splitter takes the preamp signal and splits it into equal and opposite portions. This will be used to drive a class AB power amplifier. It should be noted that some commercial manufacturers use different output stages, such as class A. Although it is important to understand all output stages, class AB is the most common encountered in audio tube amplifiers, especially guitar amplifiers) due to power amplification efficiency. Also, note that the output stage can drastically effect the sonic characteristics of the amplifier. However, this subject is beyond the scope of this paper.
Several types of output stages exist in design topologies. Here we will briefly discuss the class A, class B, and class AB stages. Class A is relatively simple to understand. In class A operation, the active devices drive the output for the entire cycle. This can be better understood by examining Fig 6 where a single active device is illustrated.

Fig. 7: CLASS A OPERATION WITH ONE ACTIVE DEVICE
Clearly the output stage is being driven entirely by the single triode in this schematic. It should also be clear that the output device must be biased correctly so as to allow the tube to operate in the linear amplification region. Class B differs from class A in the sense that each half of the output signal is carried by an active device, or cascade of active devices. See Fig. 7 to understand this mode of operation.

Fig. 8: CLASS B OPERATION UTILIZING ONE ACTIVE DEVICE FOR EACH HALF CYCLE
Observe that this class of operation introduces what is known as crossover distortion and it has been grossly exaggerated in the figure above for illustrative purposes. Crossover distortion is attributed to the finite turn-on voltage of each active element in the crossover region. Class AB operation eliminates this distortion by applying the correct bias so each active element will will share part of the output signal in the crossover region. Except for this modification, classes B and AB are identical.
BREAKING DOWN THE AMPLIFIER
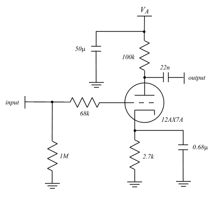
The preamp generally makes use of 12AX7 triode tubes. The most common configuration is the common cathode. The common cathode gives rise to a signal with a 180 degree phase shift. This means that the output goes low as the input goes high and vice versa. It is instructive to recall the operation of the control grid and verify that this is truly the case.

Fig. 9: COMMON CATHODE CONFIGURATION
From this configuration we see that the cathode capacitor allows a signal path to ground since the impedance for an AC signal is small through the capacitor and infinite for the DC signal. One can recall that the complex impedance of a capacitor is given by 1/(jwC) where w is radian frequency and C is the capacitance. The letter j is the square root of negative one. Therefore, the magnitude of the impedence is simply 1/(wC). Clearly the complex magnitude is infinite for w=0 (DC) and decreases as w (or frequency) increases. Note that the radian frequency is defined as w = 2pf where f = frequency.
The power supply capacitor isolates each gain stage since it provides a signal path to ground. If we did not isolate the power supply in each stage, we would experience what is known as motorboating. This name is derived from the sound it makes. It is due to modulation from stage to stage in the pre-amp. Unfortunately, not all commercial manufacturers isolate their power supplies from stage to stage in the amplifier.
The last item to note regarding the common cathode configuration is the resistors. The plate and cathode resistances are what set the bias point. Through design and analysis in subsequent papers the role of these components will become more apparent.
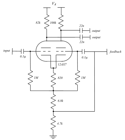
The phase splitter allows us to draw an equal and opposite signal to the power amp stage. Although many phase splitter topologies exist, the one illustrated in Fig. 10 is the most common among commercial guitar amplifiers.

By examining the circuit above, we see something similar to a common cathode stage on each side. This configuration is also known as a differential pair and it is very common in tube and solid state designs. The resistor network on the cathodes is equivalently a current source. The current in the cathodes of the differential pair is what sets several properties of the configuration, such as the gain. The input grids are biased by tapping the cathode network just below the 820W resistor. The 4.7k resistor allows a DC feedback path to ground. The feedback linearizes the diff-pair by closing the loop around the amplifier. Adjusting the feedback will modify the transfer function through the diff-pair. This is the origin of the presence and resonance controls. These controls change the transfer function of the diff-pair. The entire configuration behaves as a current switch. The input will allow more or less current to flow in it's anode while causing the opposite effect in the other anode. It should then be clear that the input steers the current, while the feedback will change how much gets steered. It should also be clear that each anode has a signal that is 180 degrees out of phase with the other (see Fig. 8). This is exactly what is needed in order to produce the signal input for a class AB output stage as will be examined below. Note that most amplifier phase splitters are compensated as shown in the schematic where the two plate resistors are not equal. This compensation deals with the fact that if the plate resistors are equal, then the output of the first triode is greater than the output of the second. Reducing the resistance on the plate of the first triode compensates for that fact. In general this is not a trivial configuration to analyze as the outputs are dependent upon both the input and the feedback paths. It is recommended that the interested reader peruse any of the appropriate books in the references section for a more technical understanding of diff-pair operation. Lastly, note that the resistance values shown here are common for the phase splitter and feedback circuitry.
Power amp stages generally utilize pentodes or beam power pentodes. The following circuit is a generalized version of the common class AB or push-pull topology. One pentode conducts while the other doesn't and vice versa. Although most amp manufacturers use 12AX7's for preamp stages and phase splitters, a variety of pentodes can be utilized in the power amp stage. For example, Marshall uses EL34's commonly, while Fender amplifiers generally use more expensive 6L6's or 6V6's. The output of the plate on each pentode drives a transformer in order to convert high voltage to the necessary current for speaker output. The control grid may be biased via a variable or fixed mechanism (fixed is shown here). This bias is generally negative and is often considered to be the most important voltage in the amplifier. If this voltage is set incorrectly, severe crossover distortion will occur as class B operation is approached. The screen is driven by a positive voltage as explained previously.
Please do not think the author is even attempting to put EL34's and 6V6's in the same class. Their sonic characteristics are vastly different. The idea here is to realize that any of these pentodes may be seen in a power stage.
Fig. 11: STANDARD POWER AMPLIFIER
CONCLUSION
Although this is only a very brief introduction to vacuum tube electronics, it is sufficient to begin simple designs and analysis. Subsequent papers will describe analysis and design techniques for vacuum tube amplifiers. Addition subjects that will be examined include vacuum tube SPICE simulation, small signal analysis, and distrotion analysis. The following references contain excellent information relating to the subjects discussed here.
REFERENCES
Louis N. Ridenour et al., Vacuum Tube Amplifiers, 1st ed., Massachusetts Institute of Technology Radiation Laboratory Series, New York: McGraw-Hill Book Company, 1948.
Alfred J. Cote Jr. and J. Barry Oakes, Linear Vacuum-Tube and Transistor Circuits: A Unified Treatment of Linear Active Circuits, New York: McGraw-Hill Book Company, 1961.
Karl T. Compton et al., Magnetic Circuits and Transformers, New York: John Wiley & Sons, 1950.
K. O'Connor, The Ultimate Tone, Canada: London Power Press, 1995.
F. Langford-Smith et al.,The Radiotron Designer's Handbook, 4th ed., Sydney: Wireless Press, 1953.
为什么需要MOSFET栅极电阻?MOSFET栅极电阻...
时间:2026-03-05
NTC/PTC/CTR热敏电阻是什么?热敏电阻的使用...
时间:2026-03-05
解析单电阻采样的原理以及注意点
时间:2026-03-05
共源极放大器的设计方法
时间:2026-03-05
关于STM32WL LSE 添加反馈电阻后无法起振的...
时间:2026-03-05
如何直观地判断两级放大器的零点位置呢?
时间:2026-03-05
时序分析基本概念介绍<wire load model&...
时间:2026-03-05
电子元器件解析—电阻
时间:2026-03-05
3PEAK高压零漂放大器契合精密应用
时间:2026-03-05
助力绿色5G数字式电流和功率监测芯片-TPA62...
时间:2026-03-05
瞬间抑制二极管(TVS)/瞬间抑制二极管(TVS)是...
时间:2026-03-04
什么是霍尔传感器
时间:2026-03-05
半导体材料的主要种类有哪些?
时间:2026-03-04
高级封装,高级封装是什么意思
时间:2026-03-04
数字比较器,数字比较器是什么意思
时间:2026-03-04
常用整流二极管型号大全
时间:2026-03-04
S/HS固态继电器原理简介
时间:2026-03-04
稳压二极管的选用和代换
时间:2026-03-04
TVS器件的电特性有哪些
时间:2026-03-04
TVS二极管的分类/应用,TVS二极管的特点/选用...
时间:2026-03-04