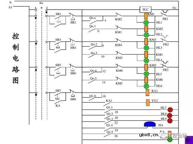
| PLC和变频器都是工业控制中最常用的设备,二者可以单独使用,也可以密切配合,都能够达到自动化控制的目的,应用非常的广泛,今天就举一个具体的例子:双恒压无塔供水系统,这个系统是由变频器和PLC密切配合才能完成的,一般都在大的项目上使用。
|
相关热词:#电工论坛
电场激活原位掺杂平面光伏型胶体量子点红外...
时间:2026-03-09
什么是硅片或者晶圆?一文了解半导体硅晶圆
时间:2026-03-09
集成电路的几纳米代表了什么?
时间:2026-03-09
金刚石基GaN问世 化合物半导体行业进入第三...
时间:2026-03-09
实用模拟电路小常识浅析
时间:2026-03-09
寄存器是什么?怎么操作寄存器点亮LED灯?
时间:2026-03-09
一文详解MOS管驱动电路拓扑的设计
时间:2026-03-09
汽车芯片业应汲取的教训
时间:2026-03-09
半导体光刻工艺 光刻—半导体电路的绘制
时间:2026-03-09
电阻的原理和作用 电阻色环识别图 电路中电...
时间:2026-03-09
豆浆机更换电机全过程
时间:2026-03-09
电信 IPTV 常见故障排除方法与检修实例 (三...
时间:2026-03-08
三相电的相序 怎样才能分辨ABC
时间:2026-03-09
《洗衣机维修从入门到精通》电子书PPT之三
时间:2026-03-09
电气电工专业就业前景,如果再给你一次机会...
时间:2026-03-09
TCL王牌 LE50D8810型液晶电视图像抖动故障应...
时间:2026-03-09
长虹55Q2R型液晶电视,上电后指示灯亮,二次...
时间:2026-03-09
MT23机芯特别之处
时间:2026-03-09
分享一下解决TV远程各种问题的工具方法,你...
时间:2026-03-09
采用TP.VST69T.PB901主板的一台长虹LD32U31...
时间:2026-03-09