海尔65A5M型液晶彩电二次不开机故障检修纪实 一台海尔65A5M型液晶彩电,上电后指示灯亮,二次开机无反应。 上电后指示灯亮,说明电源板输出的待机电压基本正常。该机采用的二合一电源板(板号是TV6501-ZC02-01 )输出5V.12V及背光LED灯驱动电压,其输出电压插座引脚功能标注如图1所示。
本机待机电源芯片是一只6脚贴片IC,次级感应电压通过二极管D204整流,电容EC207、EC208滤波后输出+5VSB电压。上电,测得+5VSB电压正常,说明待机电源正常;ON/OFF(开/待机控制)端电压为3.29V,说明主板已发出了开机指令;12V输出电压为4.58V,LED灯驱动电压为0V,说明主电源有问题。该机主电源PWM芯片为U105(LCS702LG),线圈次级的一组感应电压通过D203.D205整流输出12V,另-组感应电压通过D206.D207整流输出背光电路所需的约100V电压。仔细观察电路,发现5VSB电压通过二极管D202与12V电压输出端相连,现测得12V输出电压为4.58V,该电压应是5VSB电压减去D202压降所得值,同时说明主电源没有工作。首先检查U105的供电电路如图2所示。
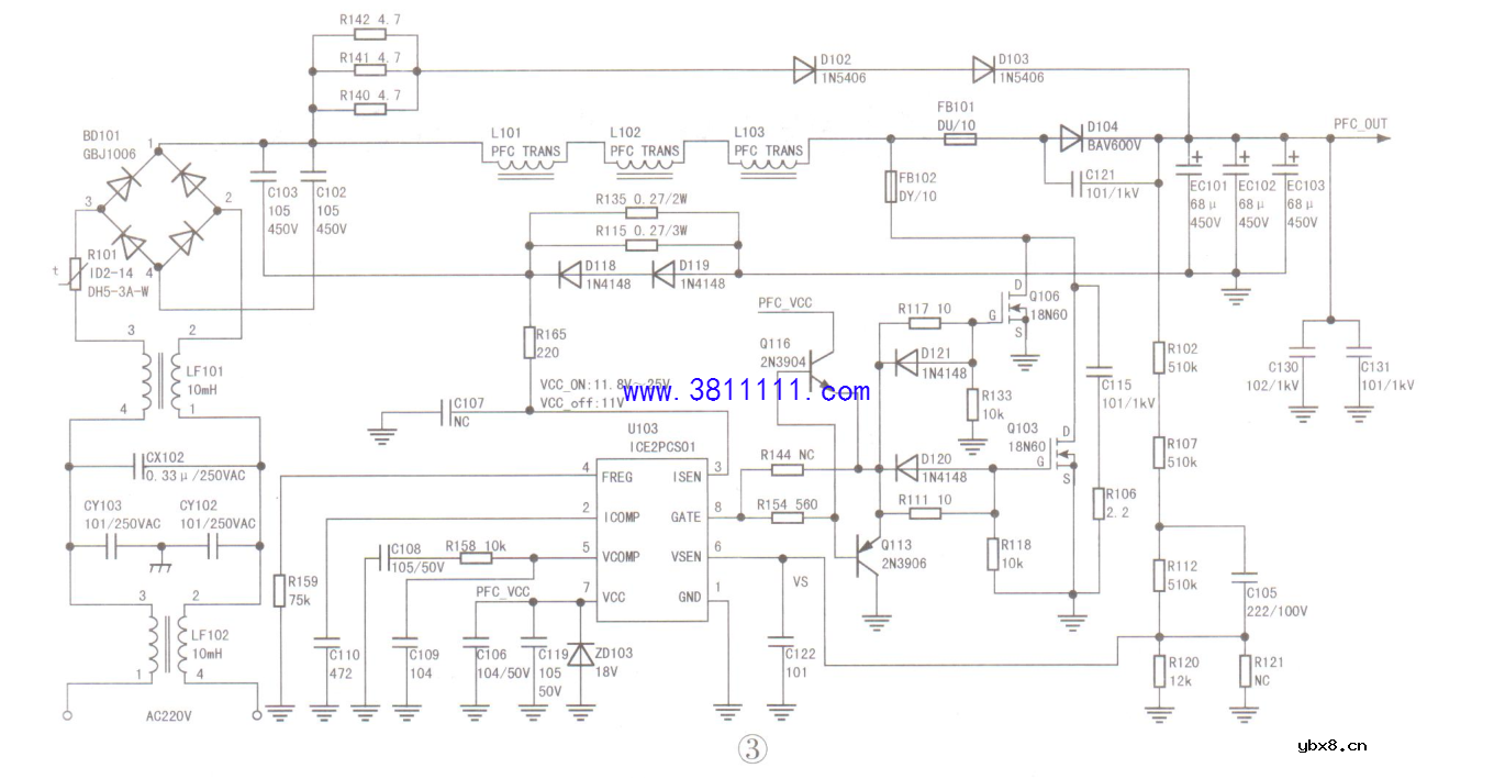
二次开机后,PON信号为高电平,Q209饱和导通,光耦U201①.②脚内部发光二极管发光,其③、④脚阻值变小,待机变压器绕组提供的vcc电压加到ZD101负极。ZD101.Q110等元件组成串联稳压电路,Q110发射极输出14.5V 电压,分别送给U105及PFC芯片U103( ICE2PCS01)。上电,测量Q110发射极电压为14.5V,U105的VCC供电端①脚电压也为14.5V,均正常,看来U105不工作另有原因。查看电路,发现U105⑤脚(0V/UV)是市电输入检测端,我们可以通过检测PFC电压来判断输入电压是否正常。若不正常,则LLC电路停止工作。测试PFC滤波电容EC101两端电压为353V,明显偏低,于是转向检查PFC电路,如图3所示。
待机时测得EC101两端电压为329V,二次开机后升至353V,升压才24V,明显异常,怀疑稳压电路有问题。本机的PFC电压取样由R102、R107、R112、R120串联分压完成,R120两端电压送到U103⑥脚,在IC内部进行比较处理,然后控制⑧脚输出脉冲的占空比,即改变Q103的导通时间,达到稳定PFC电压的目的。怀疑取样电阻或板材漏电,取下.上述分压电阻检测,阻值正常。去掉电阻下边的红胶,加热PCB板后焊回,上电试机, PFC电压依旧是353V。取样电路除有上述4只电阻外,还有贴片电容C105和C122。开机时,C105两端电压不能突变,以防止PFC输出过高;C122用于滤除电源中的高频干扰。拆下C105试机,PFC电压升到370V,U103⑥脚电压为3V,C105焊盘两端电压为123V,而C105标称耐压是100V,看来是C105过压损坏。更换C105后,PFC电路工作正常,但12V输出电压仍为4.58V,U105还是没有进入工作状态,此时测得U105⑤脚电压为1.3V,正常值约为2.4V,看来U105⑤脚外接的检测电路有问题,如图4所示。
提示:U105⑤脚为市电电压检测输入端,当该脚电压低于1.9V或高于3.14V时,芯片会进入欠压或过压保护状态。 PFC电压通过电阻R162、R161.R138降压,加到Q105的漏极D。二次开机后,Q105因栅极电压为14.5V而饱和导通,R153两端电压( 约为2.45V )送到U105⑤脚。检查分压电阻及Q105,发现Q105的D.S极正反向均有数千欧电阻,明显损坏。Q105的表面丝印已看不清楚,图纸上标注的型号为2SK3018。查阅资料,2SK3018的耐压仅为30V,低于此处的实际电压,估计此型号标注有误。决定不安装Q105,短接Q105的D.S极焊盘开机,U105⑤脚电压依旧是1.3V,说明电路中有元件短路。断开C123试机,故障依旧。在路测量U105⑤脚对地电阻为2.3kΩ,怀疑U105⑤脚内部电路损坏。更换U105后,在路测量⑤脚对地电阻约为20kΩ。通电开机,故障排除。此时测得U105 .⑤脚电压为2.43V,主电源输出的背光驱动电压为113V。 本机虽然修复,但PFC电压为370V,感觉有些偏低。为保证整机可靠性,决定适当提高PFC电压。参见图3,在PFC电压取样预留电阻R121处装上一只270kSl电阻,这时PFC电压升至383V,U105⑤脚电压升至2.52V。 |
相关热词:#液晶维修
电场激活原位掺杂平面光伏型胶体量子点红外...
时间:2026-03-09
什么是硅片或者晶圆?一文了解半导体硅晶圆
时间:2026-03-09
集成电路的几纳米代表了什么?
时间:2026-03-09
金刚石基GaN问世 化合物半导体行业进入第三...
时间:2026-03-09
实用模拟电路小常识浅析
时间:2026-03-09
寄存器是什么?怎么操作寄存器点亮LED灯?
时间:2026-03-09
一文详解MOS管驱动电路拓扑的设计
时间:2026-03-09
汽车芯片业应汲取的教训
时间:2026-03-09
半导体光刻工艺 光刻—半导体电路的绘制
时间:2026-03-09
电阻的原理和作用 电阻色环识别图 电路中电...
时间:2026-03-09
豆浆机更换电机全过程
时间:2026-03-09
电信 IPTV 常见故障排除方法与检修实例 (三...
时间:2026-03-08
三相电的相序 怎样才能分辨ABC
时间:2026-03-09
《洗衣机维修从入门到精通》电子书PPT之三
时间:2026-03-09
别等到连技术工人都没了,但技术工人的待遇...
时间:2026-03-09
电气电工专业就业前景,如果再给你一次机会...
时间:2026-03-09
电工师傅你知道变送器标准信号是多少吗?百...
时间:2026-03-09
二合一电源OB5269CP+AP3041方案----原理与维...
时间:2026-03-09
TCL王牌 LE50D8810型液晶电视图像抖动故障应...
时间:2026-03-09
TCL L39E5090-3D型液晶电视自动关机故障检修...
时间:2026-03-09