PE06R31型(电源+LED背光驱动)二合一板是TCL公司推出的一款性能优异的经济型二合一电源板。图1是它的电路结构方框图。由图1可看出,该电源板主要由输入整流滤波电路、PWM主电源、(控制芯片TEA1733)、背光LED驱动电路(控制芯片MP3394)、待机电源(控制芯片EUP3482)等电路组成,省去了常用的PFC电路。该二合一电源板具有电路简单、性能稳定、保护功能完善、性价比高等优点。电源输出电压为3.3V、24V,在目前TCL中、小屏幕经济型电视中广泛采用。下面先介绍该二合一板各部分电路工作原理,然后谈下它的维修思路,最后给出维修实例。 一、 工作原理介绍 1、电源启动与工作过程
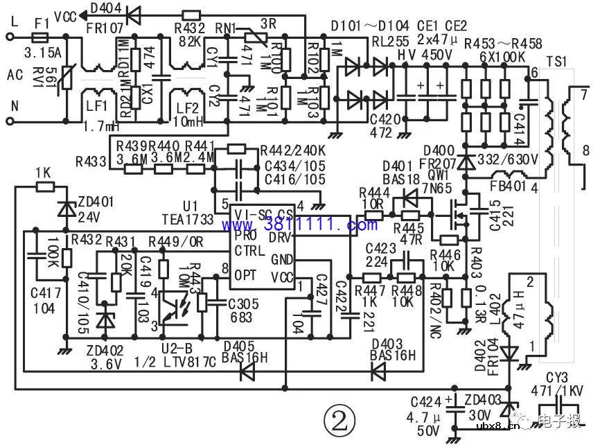
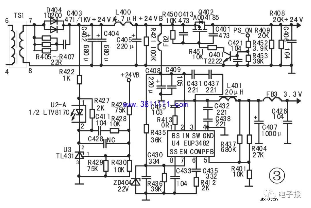
该型电源(见图2、图3)工作过程是:市电经保险管F1、抗高压压敏电阻RV1进入抗干扰滤波电路。电感 LF1、LF2、电容CX1、CY1、CY2电阻、R100~R103等构成EMC电路,以消除电网杂波进入开关电源,同时防止开关电源产生的干扰进入电网。市电经热敏电阻RN1限流及滤除干扰后由D101~D104全波整流、CE1、CE2滤波后输出约300V的直流电压HV。该电压经开关变压器TS1初级⑥-④绕组、电感FB401送至PWM电路功率管QW1的D极。另外,由R100~R103连接中点取出的市电电压,经R432限流、D404半波整流后得到的约+26V电压送至控制芯片U1电源端①脚,此时内部的高压稳压电路工作,为振荡器提供启动电源。于是,内部的振荡器、脉宽调制器工作,产生的开关激励脉冲从U1的③脚输出,使功率开关管QW1工作于开关状态,给开关变压器TS1注入能量。由于电磁感应,①-②绕组产生的感应电压,经D402整流、C424滤波、ZD403钳位后得到约+15V电压送往U1的①脚,作为U1正式电源为其供电(此时,①脚内部的高压稳压电路会自动断开)。同时,TS1次级⑦-⑧绕组产生的感应电压,经D404整流、C402、C404滤波后,得到+24VA电压,作为稳压系统取样电压和LED驱动电路的输入电源。+24VA电压经电感L400和C405滤波后得到+24VB电压,作为稳压系统基准电压和待机电路控制芯片U4(EUP3482)的工作电源及输出控制管Q402的输入电源。当主板送来的高电平开机信号,经R452送到前置控制管Q401的b极时→Q401导通→Q402导通→对外输出+24V主电压,彩电进入工作状态 。反之,当主板送来的低电平待机信号经R452送到Q401的b极时→Q401截止→Q402截止→Q402的D极输出电压为零,彩电处于待机状态。+24VB电压经电感FB2送到待机电源控制芯片U4的电源端②脚,再经R435降压后加至U4使能端⑦脚。于是,U4进入工作状态,③脚输出直流脉冲电压,经电感L401、电容C407、C426滤波后,得到送至主板的3.3V待机电压。该电源的稳压系统主要由光耦器U2(LTV817C)、基准电压比较器U3(TL431)和它们周围元件及U1内部相关电压比较器、脉宽调制器等组成。其工作原理是:当负载变重导致输出+24VA电压降低时,经电阻R422加至光耦器U2的①脚的电压降低→流过光耦U2的①-②脚(发光二极管)的电流下降→U2次级③-④脚(光敏三极管)内阻变大→U1的⑦脚(反馈端)电压上升→U1内部脉宽调制器输出的脉冲宽度增加→功率开关管QW1导通时间延长→对开关变压器TS1的注能增加→保持输出电压不变。当负载变轻导致输出电压升高时的稳压过程与上述相反。顺便说明,图2中C414、C415、R434~R438、D400为高压吸收电路,防止开关管QW1截止时,TS1初级绕组的反峰脉冲高压将它击穿。
|
相关热词:#液晶维修
长虹55D2000i电视,开机后屏显“系统正在升级...
时间:2026-03-09
长虹58U1型机,黑屏的维修
时间:2026-03-09
长虹58Q2F型机,上电后指示灯闪烁,不开机的...
时间:2026-03-09
长虹55D2000i 型机,开机后一直显示厂标“CH...
时间:2026-03-09
长虹50D2000i型机,不开机的维修
时间:2026-03-09
康佳LC22ES61型液晶彩电,图像彩色异常的维...
时间:2026-03-09
康佳LED32F3300CE型液晶彩电开机后花屏的维...
时间:2026-03-09
康佳LED32HS11液晶电视出现开机LOGO后自动关...
时间:2026-03-09
康佳液晶电视LED32MS92C背光亮无图的维修和...
时间:2026-03-09
康佳LED42IS97N(2BOM)液晶电视开机花屏的...
时间:2026-03-09
电信 IPTV 常见故障排除方法与检修实例 (三...
时间:2026-03-08
分享一下解决TV远程各种问题的工具方法,你...
时间:2026-03-09
格兰仕G90F25CN3LV-Q6(GO)变频 微波炉,按启...
时间:2026-03-09
九阳电压力锅维修过程
时间:2026-03-09
《洗衣机维修从入门到精通》电子书PPT之三
时间:2026-03-09
海信TLM32V66A液晶电视不开机的故障维修
时间:2026-03-09
8G29软件工厂调试说明
时间:2026-03-09
TCL王牌 LE50D8810型液晶电视图像抖动故障应...
时间:2026-03-09
创维55F5型机电源板故障维修3例
时间:2026-03-09
TCL L39E5090-3D型液晶电视自动关机故障检修...
时间:2026-03-09