在电子电路设计过程中,不可避免的会使用运算放大器来做信号放大、波形变换、滤波处理等,但在运放选型的时候,很多工程师往往只关注运放的工作电源、温度范围、封装、价格等,不认真研究Datasheet,特别容易忽视运放的一些重要指标参数,比如:输入偏置电流、输入失调电压、输入失调电流、最大共模输入电压、共模抑制比、输入噪声电压等等。其实这些参数对运放精度会有相当大的影响,如果不搞懂这些参数含义会让你在设计运放电路时走很多弯路。今天我想讲解一下“输入偏置电流Ib”的来源,分析其对运放电路精度的影响,以及如何设计周边电阻参数。
一、什么是运放的“输入偏置电流Ib”
“输入偏置电流”这个概念是针对运放的输入级提出来的,目前运放输入级都是差分输入,要么是三级管BJT,要么是场效应管FET(细分为MOS和JFET),如图1所示。

图1 三极管差分对和场效应管差分对输入级运放
先说说三极管(BJT)差分对:运放的两个输入端是三极管差分对管的基极,而三极管属于电流控制电流器件,先对电流进行放大(IC=β*IB),再通过阻性负载或有源负载实现电压放大,因此差分对三极管要工作在线性放大区,就需要对输入三极管基极提供基极电流,但是目前所有运放基本上都是设计成基极开路的模式(因为芯片上空间有限,不可能集成提供偏置电流的电流源),如图2所示为运放LM358芯片内部电路原理图,显然两个输入端三极管基极是没有任何偏置电路的,因此就需要由外部信号源或者外部偏置电路来对其提供基极电流。

图2 运放LM358芯片内部电路原理图
在图1三极管差分对输入级中,Ib1和Ib2分别是两个输入三极管基极电流,“输入偏置电流Ib”就定义为这两个电流的平均值,即Ib=(Ib1+Ib2)/2,一般来说,三极管差分对运放输入偏置电流Ib在nA~uA数量级。
再说说场效应管(FET)差分对:运放的两个输入端是场效应差分对管的栅极,而场效应管属于电压控制电流器件,由于栅极与源极、栅极与漏极之间均有一层很薄的二氧化硅绝缘层,导致场效应管输入电阻非常大(MOS为10的9次方Ω以上,JFET为10的7次方Ω以上),因此它的栅极电流是很小很小的,一般会在fA级,完全可忽略。但不幸的是,它的每个输入端都有一对ESD保护二极管,如图1右边所示,这两个二极管都是有反向漏电流的,且这个漏电流一般会比场效应管的栅极电流大很多,这就形成了场效应管差分对输入运放偏置电流的主要来源,Ib=(Ib1+Ib2)/2依然成立,一般来说,场效应管差分对运放输入偏置电流Ib在pA数量级。
二、运放的“输入偏置电流Ib”对放大精度的影响
根据上一节所述:“输入偏置电流Ib”是指运放两个输入端静态电流的平均值,即Ib=(Ib1+Ib2)/2,在三极管差分对输入级的运放中,“输入偏置电流Ib”是必要且必须的,它保证放大器工作在线性放大区,为放大器提供直流工作点,而在场效应管差分对输入级的运放中,“输入偏置电流Ib”是毫无用处的。那我们应该怎么选择运放及其周边电阻值呢?
(1)首先尽量选择“输入偏置电流Ib”小的运放,在价格能够承受的情况下越小越好。为什么这么说呢,因为“输入偏置电流Ib”还有一个亲兄弟叫“输入失调电流Ios”,“输入失调电流Ios”是指当输入电压为零时流入运放两输入端的静态输入电流之差,即Ios=|Ib1-Ib2|,再经过运放的输入电阻,“输入失调电流Ios”就会转换为“输入失调电压Vos”,最后经过运放增益的作用就会变成噪声电压输出。可别小瞧了这个失调电压Vos,图3是一个增益为11的同向运算放大器,如果选择运放芯片LM358(根据图4芯片规格书其Vos=3mV,最大可达到7mV),那么经过放大后在运放输出端的噪声电压就会达到33mV,最大可能达到77mV,这个噪声电压对于小信号放大应用,比如说市场上常用来采样电流的75mV分流器来说是不可接受的,因为它已经淹没了有效输入信号。

图3 输入失调电压Vio对运算放大器的影响

图4 运放LM358规格书中标识的输入失调电压值Vos、失调电流值Ios及输入偏置电流Ib
所以,当运放“输入偏置电流Ib”值较大时,“输入失调电流Ios”值也会水涨船高,因为它们是一个数量级别(如图4运放LM358输入偏置电流Ib和输入失调电流Ios都是nA级别的),何况对于场效应管差分对输入运放来说,这个“输入偏置电流Ib”是不应该存在的,是有害信号。图5所示是场效应管差分对输入型运放MAX4238规格书中“输入失调电流Ios”和“输入偏置电流Ib”值,属于pA级别的,非常小,因此其“输入失调电压Vos”值也很小,只有0.1~2uV,那么如果还是使用图3放大电路来计算其输出噪声电压就只有1.1uV~22uV,基本上可以忽略,其实MAX4238就是一款超低失调、超低温漂、超高精度的运算放大器。

图5 运放MAX4238规格书中输入失调电流Ios、输入偏置电流Ib及输入失调电压Vos值
(2)其次选择运放周边电阻值要求与“输入偏置电流Ib”拉开距离
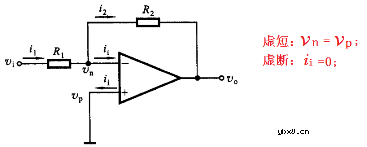
我们知道,运放增益(放大倍数)只与选择的外围电阻有关,与运放本身无关,那是建立在“理想运放”的基础之上的,“理想运放”满足“虚短”和“虚断”概念,如图6所示反向运算放大器电路,这才有了反向运算放大器增益Av=-R2/R1;

图6 反向运算放大器电路
请注意,反向运算放大器增益Av=-R2/R1是建立在理想运放虚短Vn=Vp及虚断ii=0基础之上的,这个“ii”就是运放输入级的偏置电流,这样根据基尔霍夫电流定律i1=i2,即(Vi-Vn)/R1=(Vn-V0)/R2就能得到反向运放增益Av=V0/Vi=-R2/R1的公式。
虚断ii=0的前提是:i1和i2要远大于ii,至少要大三个数量级(1000倍),这样才能忽略输入偏置电流ii的影响,上述的计算公式才能成立,下面举例说一下。
假设我们选择运放芯片LM358来设计图6所示的反向放大器,根据LM358的规格书可知其输入偏置电流Ib为20nA(如图4所示),那这个时候i1和i2的取值至少要保证在20nA的1000倍,即20mA。因为运放LM358的输入偏置电流是由输入信号源来提供的,假如LM358采用单电源5V供电,那么就要保证待处理的输入信号源最小值能让i1和i2至少达到20mA数量级,不然的话反向运放增益Av=V0/Vi=-R2/R1的公式就不能够成立,按照这里来计算和处理就会产生较大误差。因此我们选择电阻R1和R2时,不能够选的太大,但是也不能选的太小,你选小了,电阻上功耗就会变大,那你电阻封装就需要更大的,这显示不符合我们电路设计思想,所以你常常见到别人一般选择KΩ级别电阻就在于这点上,KΩ级别电阻产生的i1和i2就是mA数量级,现在大家明白了吧!
相关热词:
基于逻辑门的构成解释如何完成任意逻辑的管...
时间:2026-03-08
有源钳位技术解析
时间:2026-03-08
从0学电路,万用表演示测量三极管方法
时间:2026-03-08
NE555的有趣电路设计分享
时间:2026-03-08
电路系统常用的图形符号
时间:2026-03-08
看下三极管的应用电路
时间:2026-03-08
H桥电机驱动电路解析
时间:2026-03-08
光耦在电子电路中作用、关键参数详解
时间:2026-03-08
理解了这几个基础电路,模电分析就不难了
时间:2026-03-08
遥控器背光照明电路原理详解
时间:2026-03-08
彩灯电路
时间:2026-03-05
电动机单线远程正反转控制电路图
时间:2026-03-04
三相异步电动机的拆装详讲
时间:2026-03-04
三相异步电动机原理
时间:2026-03-04
USB转232电路图
时间:2026-03-04
三相异步电动机的七种调速方式
时间:2026-03-04
转角测量电路
时间:2026-03-05
经典的正弦波发生电路
时间:2026-03-05
电风扇红外遥控器2
时间:2026-03-04
电度表的工作原理
时间:2026-03-04