调幅电路原理的解释
调幅电路是把调制信号和载波信号同时加在一个非线性元件上(例如晶体二极管或三极管)经非线性变换成新的频率分量,再利用谐振回路选出所需的频率成分。调幅电路分为二极管调幅电路和晶体管基极调幅、发射极调幅及集电极调幅电路等。通常,多采用三极管调幅电路,被调放大器如果使用小功率小信号调谐放大器,称为低电平调幅;反之,如果使用大功率大信号调谐放大器,称为高电平调幅。这里的MC1496调幅电路的设计就是属于采用晶体管基极的调幅,它既能应用于小功率调幅的场合,在一些大功率调幅的场合里也有应用。
静态偏置电压设置
静态偏置电压应保证各个晶体管工作在放大状态,即晶体管的集-基极间的电压应大于或等于2V,小于或等于最大允许工作电压。MC1496模拟乘法器的内部电路等效如下图所示。

对于MC1496,静态偏置电压应使相关的一些引脚电压满足下列关系:
V8=V10,V1=V4,V6=V12
12V≥V6(V12)-V8(V10)>2V
12V≥V8(V10)-V1(V4)>2.7V
12V≥V1(V4)-V5>2.7V
静态偏置电流的确定
在上面MC1496的内部结构图中,Pin5和Pin14之间的构成一个恒流源电路,设恒流源电路产生的恒定电流为I0,而静态偏置电流主要就是由恒流源I0确定,MC1496可工作于单电源状态和双电源状态,工作于单电源状态时,Pin14接地,Pin5通过一电阻VR接正电源+VCC,I0=IS(镜像电流),改变VR可以调节I0。

工作于双电源状态时,Pin14接-Vee,Pin5通过一电阻VR接地,所以改变VR可以调节I0的大小。

由MC1496的性能参数知,静态电流小于1mA,VR取6.8kΩ。
输出与反馈电阻,输入的关系
MC1496的输出U0由反馈电阻RE及输入信号Ux,Uy幅值有关。反馈电阻RE,即Pin2于Pin3之间的电阻值。
当Ux为小信号时(<26mV)时,输出电压U0:

当Ux为大信号时(>100mV),输出电压U0:

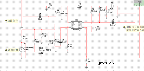
载波信号经高频耦合电容C1从Pin10输入,调制信号经低频耦合电容C2,从Pin1输入,调幅信号从Pin12单端输出。
MC1496调幅的电路图
基于MC1496的调幅电路如图所示:

载波信号产生的原理及电路图
载波信号的产生是通过电容三点式振荡电路产生需要的振荡信号,产生的振荡信号频率为5MHz,如下图所示,

仿真结果
最终输出的调幅信号如图所示

相关热词:
基于逻辑门的构成解释如何完成任意逻辑的管...
时间:2026-03-08
有源钳位技术解析
时间:2026-03-08
从0学电路,万用表演示测量三极管方法
时间:2026-03-08
NE555的有趣电路设计分享
时间:2026-03-08
电路系统常用的图形符号
时间:2026-03-08
看下三极管的应用电路
时间:2026-03-08
H桥电机驱动电路解析
时间:2026-03-08
光耦在电子电路中作用、关键参数详解
时间:2026-03-08
理解了这几个基础电路,模电分析就不难了
时间:2026-03-08
遥控器背光照明电路原理详解
时间:2026-03-08
彩灯电路
时间:2026-03-05
电动机单线远程正反转控制电路图
时间:2026-03-04
三相异步电动机的拆装详讲
时间:2026-03-04
三相异步电动机原理
时间:2026-03-04
三相异步电动机的七种调速方式
时间:2026-03-04
USB转232电路图
时间:2026-03-04
转角测量电路
时间:2026-03-05
经典的正弦波发生电路
时间:2026-03-05
电风扇红外遥控器2
时间:2026-03-04
电度表的工作原理
时间:2026-03-04