在交流输入电压过零处附近,由于电感电流很小,慢恢复二极管无法保持较长时间的反向恢复特性。此时,PFC电路会处于自由谐振工作状态,从而导致慢恢复二极管阴阳极两端电压不再保持与输入电压之间的稳定电平,会出现如图6中所示的高频抖动电压。从理论上来说,该高频抖动会带来较大的共模干扰。解决方法可以在慢恢复二极管上并联较大容量的电容,通过电容的充放电特性,消除该高频抖动。加电容后的电压波形如图7所示,由图中波形可看到增加C1、C2后,有效消除了慢恢复二极管两端电压的高频震荡。
增加C1、C2后,电路的工作状态分析如下(以交流由正半周至负半周过零点附近为例,具体工作时序请见图8,具体波形请见图9):
状态1:在过零附近,在Q2有驱动信号之前,各器件的状态如下:Vds_Q1=Vds_Q2=VD2=0,Vc1=Vc2=VD4=0, VD1=VD3=Uo
状态2:当Q2开始有驱动信号,Q2开通,交流电压给PFC电感L充电,电感电流iL线性上升,由于C1、C2被二极管钳位,其电压维持上一个状态的电压,各器件的状态如下:
Vds_Q1=Vds_Q2=0,Vc1=Vc2=VD4= VD2,VD1=VD3=Uo-Vc2
状态3:当Q2关断,PFC电感电流续流,给C1、C2充电,但由于此时PFC电感储能有限,无法使电容电压在续流期间快速上升至Uo,故C1、C2上电压在Q2再次导通前只能线性上升至一定的电压U1。
当Q2再次开通关断,电路交替进入状态2和状态3,直至电容C1、C2电压上升至Uo,结束C1、C2在过零点附近的台阶式的电压爬升状态。在交流输入由负半周至正半周变化的过零点附近,C1、C2也会经历类似模式的台阶式放电过程。

图6a. 交流电压过零处波形

图6b. 展开波形
图6:53.5V输出轻载,未加电容波形:C1(黄色): Vds_Q1;C2(红色):VD4;C3(蓝色):VD1;C4(绿色):iL

图7a. 交流电压过零处波形

图7b. 展开波形
图7:53.5V输出轻载,加电容后波形:C1(黄色): Vds_Q1;C2(红色):VD4;C3(蓝色):VD1;C4(绿色):iL

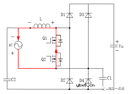
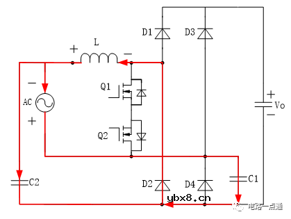
图8 交流输入过零处电容充电工作状态(从正半周到负半周)工作状态2

图8 交流输入过零处电容充电工作状态(从正半周到负半周)工作状态3

C1(黄色): Vds_Q1; C2(红色): VD4; C3(蓝色):VD1;C4(绿色):iL

C1(黄色): Vds_Q2; C2(红色): VD3; C3(蓝色):VD2; C4(绿色):iL

C1(黄色): Vac; C2(红色): Vc1; C3(蓝色):VL; C4(绿色):iL
图9 交流输入过零处各器件的电压电流波形(从正半周到负半周)
相关热词:
基于逻辑门的构成解释如何完成任意逻辑的管...
时间:2026-03-08
有源钳位技术解析
时间:2026-03-08
从0学电路,万用表演示测量三极管方法
时间:2026-03-08
NE555的有趣电路设计分享
时间:2026-03-08
电路系统常用的图形符号
时间:2026-03-08
看下三极管的应用电路
时间:2026-03-08
H桥电机驱动电路解析
时间:2026-03-08
光耦在电子电路中作用、关键参数详解
时间:2026-03-08
理解了这几个基础电路,模电分析就不难了
时间:2026-03-08
遥控器背光照明电路原理详解
时间:2026-03-08
彩灯电路
时间:2026-03-05
电动机单线远程正反转控制电路图
时间:2026-03-04
三相异步电动机的拆装详讲
时间:2026-03-04
三相异步电动机原理
时间:2026-03-04
USB转232电路图
时间:2026-03-04
三相异步电动机的七种调速方式
时间:2026-03-04
转角测量电路
时间:2026-03-05
经典的正弦波发生电路
时间:2026-03-05
电风扇红外遥控器2
时间:2026-03-04
电度表的工作原理
时间:2026-03-04