电子点火器由集成电路、大功率开关三极管及相应的电路构成,电子点火器基本电路内部主要是一个晶体管开关电路。由磁电线圈、霍尔传感器、或者电脑ECU的IGT信号去触发其导通或截止,从而控制点火线圈初级电流的通断,实现高压点火。
一、燃气热水器电子点火器电路

图中K是水压开关,当打开水龙头后K将接通3V的电池组,电路开始工作。由于C2需要一定的充电时间,此时Q6处于截止状态,电源通过两个电阻对C3进行充电,充电电流使得Q7导通,Q8导通。Q8的导通使得供气(煤气)电磁阀BK的启动绕组得电,煤气阀门打开,开始向热水气供气。
由于Q8的导通使Q4也导通,振荡管Q5得到偏置而开始工作,并通过Q9、C1、B2产生脉冲高压,使点火嘴产生放电火花,从而完成点火的过程。
点火后,火焰传感器将产生电动势使Q3、Q2导通,Q2的导通使电路中的A点电位下降,Q4截止,振荡管Q5因失去偏置电压而停止工作,火花放电停止。与此同时Q1导通,BK维持绕组得电;此时由于C2两端电压通过一段时间的充电而升高,使Q6导通,这样一来C3两端的电压将通过Q6加到Q7的基极与发射极间,使Q7反偏而截止,Q7的截止使Q8也截止,BK的启动绕组失电,BK靠维持绕组继续维持阀门打开状态,从而达到低功耗的目的。
二、汽车电子点火器电路

在图中,+12V电压经IC1(7089)三端稳压器输出9V电压,作为IC2(555)的供电源。555和R1、R2、C2等组成一个无稳态多谐振荡器。一旦得电便起振,其振荡频率为f=1.44/(R2+2R1)C2图示参数的振荡频率为528Hz。
555(IC2)输出的振荡脉冲经R3限流加至VT1的基极,经放大驱动升压变压器T,在点火线圈上产生约1500的点火电压,它在高压放电时的火花距离可达12mm。
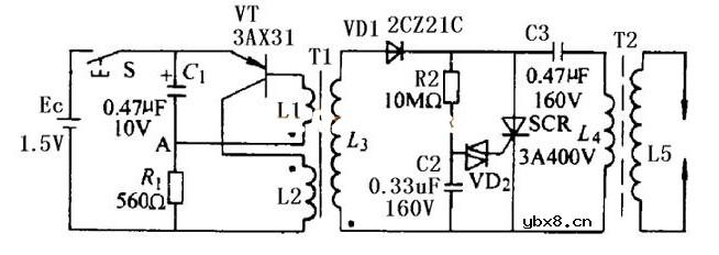
三、电子点火器电路

电路中C1、R1、VT、L1、L2为利用变压器耦合形成正反馈的自励振荡电路。
电源接通时,通过R1给VT提供一个基极电流,因此VT的集电极电流开始增加,通过L1、L2的耦合作用,在L1产生感应电动势,此电动势与电源电压叠加,使基极电流进一步增加,集电极电流也更趋增加,形成强烈的正反馈,结果使VT很快进入饱和状态,这时VT的集电极电流不再增加,因而L1中感应电动势将减小,VT的基极电流也开始减小,VT开始退出饱和区。
集电极电流开始下降,在L1中的感应电动势极性变化,使基极电流进一步减小,如此又形成一个正反馈过程,结果使VT很快进人截止状态。在L1中感应电动势极性改变的同时,VD1开始导通,L2的能量传递给L3,待L2中磁能消耗完毕,VT的基极电位又下降,使VT再次导通,进人一个新的振荡周期。二极管VD1和C3、L4组成高压整流储能电路。根据T1各绕组的接法,L2处于电流增加阶段时,L3中的感应电动势的方向使VD1不能导通,只有当L2中电流从最大值开始减小时,L3的感应电势使VD1导通,并通过L4向C3充电,同时还通过R2向C2充电。在C2的电压还没有充到触发管VD2的导通电压(约30V左右)以前,C3没有放电回路,电压越来越高。R2、C2、VD2、SCR、C3、L4、L5组成充放电回路及打火回路。当C2的电压充到触发二极管VD2的导通电压时,VD2被击穿,电容C2通过VD2向晶闸管的触发极放电,使晶闸管SCR导通,把C3储存的能量迅速放掉,在L5感应出万伏以上的脉冲电压,击穿放电电极的间隙,产生放电火花。
责任编辑:pj
相关热词:#集成电路
大功率三极管的符号大全及含义介绍
时间:2026-03-07
电磁炉常用的大功率三极管有哪些
时间:2026-03-07
三级管13001的参数 三级管13001的用途
时间:2026-03-07
D468三极管管脚定义规则 D468三极管管脚图
时间:2026-03-07
13001和13003管脚图 浅谈三极管的原理及应用
时间:2026-03-07
三极管9013能用什么型号的三极管代替
时间:2026-03-07
如何测量三极管9014的好坏
时间:2026-03-07
解析MOS管的三个引脚G、S、D都是什么及含义
时间:2026-03-07
三极管to220和to220f的性能比较并其区别分析
时间:2026-03-07
了解2ty在贴片三极管上代表着什么及参数
时间:2026-03-07
彩灯电路
时间:2026-03-05
电动机单线远程正反转控制电路图
时间:2026-03-04
三相异步电动机原理
时间:2026-03-04
三相异步电动机的拆装详讲
时间:2026-03-04
USB转232电路图
时间:2026-03-04
三相异步电动机的七种调速方式
时间:2026-03-04
转角测量电路
时间:2026-03-05
经典的正弦波发生电路
时间:2026-03-05
电度表的工作原理
时间:2026-03-04
电风扇红外遥控器2
时间:2026-03-04