图2.1.5是一个声光控制灯的实用电路。其中二极管D1-D4组成桥式整流电路,R7和C3、D5组成降压滤波稳压电路,作为控制电路的直流电源。话筒MIC、电阻R1、电容C1、电阻R2、R3和三极管VT组成声信号输入电路,电阻RP、R4和光敏电阻CDR组成光信号输入电路,与非门1和与非门2组成声信号和光信号与逻辑电路,电路中应用了一个D6二极管来阻断,然后加上了一个电阻R2与一个电容C来控制电路的延迟时间,这个延迟时间主要是靠电容的放电使集成块持续高电平,让晶闸管持续在工作状态,当电容放完电后集成块输出低电平使晶闸管无触发信号而关断,灯自动熄灭。与非门3、与非门4和电阻R6组成触发电路,晶闸管SCR是控制灯的开关元件。

220V交流电经D1~D4桥式整流电路整流后变为脉动的直流电压,由R7分压、C3滤波,D5稳压,获得8V直流电压。当有光照射时,光敏电阻CDR呈低阻状态,使与非门1的管脚3为低电平;若无光照射时,光敏电阻CDR呈高阻状态,使与非门1的管脚3为高电平。话筒MIC和电阻R1将外界的声音信号转变成电信号,在外界无声的情况下,三极管VT处于放大状态,使与非门1的输入端为低电平;若外界有声音,三极管VT将会出现反复截止的状态,使与非门1的1反复出现高低电平的过程。
若与非门1的两个输入端有一个为低电平时,与非门2便输出低电平;只有当与非门1的两个输入端都为高电平时,与非门2才输出高电平。当与非门2输出高电平时,通过隔离二极管D6给电容C2充电,当C2的充电电压达到与非门3的阈值电平时,使与非门4输出高电平,通过电阻R6触发SCR导通,主回路便有较大的电流通过,灯泡便发光。SCR导通后,与非门1的输入端很快变为低电平,与非门2输出为低电平,但延耐电路的电容C2通过R5放电,经过大约两分钟的时间,下降到与非门3的阈值电平以下,使与非门4输出低电平,当交流电过零点时,SCR自行关断。所以,白天灯泡不亮,只有到了晚上MIC接收到声音时,才能产生触发信号,使晶闸管导通,灯泡发光,延时一段时间灯泡自动熄灭。
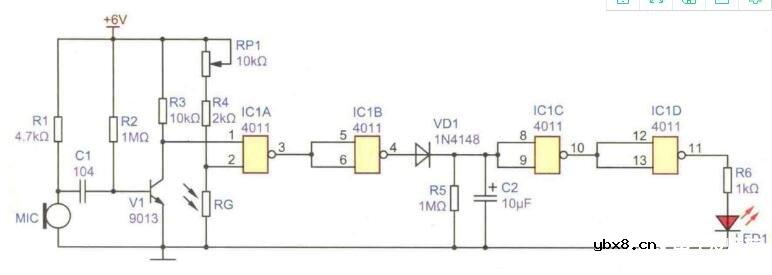
一种声、光双控延时灯,在白天或者光线较强的场合,即使有较大的声响,灯也不会点亮,在晚上或者光线较暗时,如有说话、拍手、 脚步等声音,灯将自动点亮,经过一段时间后,自动熄灭,电路原理图如下图所示。

在白天,光线照射到光敏电阻RG上,其阻值变得较小,与非门1C1A的输入端第2脚为低电平,这样不论输入端第1脚是高电平还是低电平,输出端第3 脚都将保持为高电平,不受声音脉冲的控制,IC1A的输出高电平,经过ICB、 IClC、ICID3次缓冲、反相后,第11脚输出为低电平,发光二极管LED1熄灭。
在晚间,光线很暗,光敏电阻RG呈现较高的阻值,使与非门ICIA的输入端第2脚变为高电平,ICIA的输出状态将受到第1脚的电平控制,这为声音通 道的开通创造了条件。在没有声音信号时,三极管V1工作在饱和导通状态,故 ICIA的第1脚为低电平,发光二极管LED1仍然处于熄灭状态。当附近有说话 或者走路等声响时,驻极话筒MC拾取声音信号,经过C1送到VI的基极,V 将由饱和状态进入放大状态,V1的集电极由低电平变为高电平,并送至IC1A 的第1脚,IC1A的输出端第3脚将变为低电平,经过IC1B反相后,由第4脚输 出高电平,该高电平通过二极管VD1向电解电容C2充电,因充电时间常数很 小,C2很快就充满电,第4脚的高电平再经过IClC、ICID两次缓冲、反相后, 第11脚输出高电平,发光二极管LED1点亮。声音消失后,三极管Ⅵ1恢复饱和 导通状态,IC1A的第1脚变为低电平,输出端第3脚变为高电平,经过IC1B反 相后,输出端第4脚变为低电平。
此时,由于有二极管VD起到的隔断作用, 电解电容C2只能通过电阻R5缓慢放电,IClC的输入端仍将维持高电平,因此 ICID的输出端第11脚将继续维持高电平,LEDl继续处于点亮状态。经过一段 时间后,当电解电容C2两端电压随着放电的持续而下降到低电平时,IC1C的 输出将变为高电平,再经过CID的反相后,其输出将变为低电平,LED1熄灭, 完成一次声控过程。
相关热词:#声光控制
无线遥控器电路图制作
时间:2026-03-07
无线电遥控门铃电路原理图
时间:2026-03-07
NE555过流保护检测器电路图
时间:2026-03-07
串联谐振升压原理
时间:2026-03-07
谐振回路的工作原理
时间:2026-03-07
电容降压电路原理
时间:2026-03-07
实用的电容降压电路
时间:2026-03-07
低成本的阻容降压电路原理图分析
时间:2026-03-07
阻容降压原理及电路
时间:2026-03-07
阻容降压电路的误区
时间:2026-03-07
彩灯电路
时间:2026-03-05
三相异步电动机原理
时间:2026-03-04
电动机单线远程正反转控制电路图
时间:2026-03-04
三相异步电动机的七种调速方式
时间:2026-03-04
转角测量电路
时间:2026-03-05
经典的正弦波发生电路
时间:2026-03-05
三相异步电动机的拆装详讲
时间:2026-03-04
USB转232电路图
时间:2026-03-04
电度表的工作原理
时间:2026-03-04
电风扇红外遥控器2
时间:2026-03-04