本文介绍的触摸式报警器电路如图2-38所示。

电路工作原理
三极管VT1与VT2组成互补型正反馈放大器。平时VT1与VT2均处于截止状态,继电器K不动作。当有人手触碰电极片M时,人体泄漏电流经R1高值电阻输出并直接送入VT1的基极进行放大,故VT2有较强的发射极电流流经继电器K,使K得电吸合,其常开触点闭合,接通警灯或警铃报警。同时VT2的集电极电流又直接送至VT1的基极再次进行放大。如此的正反馈过程使VT1与VT2迅速进入导通状态,所以此时人手即使离开电极片M,VT1与VT2仍能保持可靠的导通状态。只有保安人员按下解警按钮SB,使VT1强制截止,VT1与VT2才恢复截止状态,警报方能解除。
元器件选择
VT1可用9012型三极管,VT2为9013型三极管,要求β≥100,且漏电流尽可能小些,否则电路在无触摸信号的情况下也会误导通报警。ZD为12V稳压管。K可用JZC—22F、DC12V小型中功率继电器。C2用CBB—40V型聚丙烯电容。其他元器件按图标选用即可。
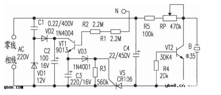
触摸报警器的电路主要由电源电路、触摸延迟电路、可控硅开关电路及负阻振荡器等四大部分组成。
电源电路由VD1、VD2、C1、C2等组成,为触摸延迟电路提供约12V直流工作电压。触摸延迟电路主要由VT1等元件组成,平时VT1处于截止状态,可控硅VS因无触发电压而处于关断状态,后续电路无电不工作。
N为触摸电极片,当人手触碰时,人体泄漏电流经电阻R1、R2注入VT1的发射结,使VT1导通,C2上的12V直流电压经VT1、VD3向可控硅VS门极提供正向门极电流,使VS迅速开通,电容C4两端可获得300V左右的直流高压。VT2、R4、R5、RP及B组成的负阻振荡器立刻起振,压电陶瓷片B就发出响亮的报警声。调节可变电阻器RP可改变报警声响的音调。
人手离开电极片N后,三极管VT1迅速恢复截止态,但此时C3储存的电能可通过VD3继续为VS提供正向门极电流,故VS不会立即关断,电路依然报警。C3的电荷放完后,VS失去正向触发电流,当交流电过零时即关断。由于电路的发声器件是压电陶瓷片,电路功耗很小,C4储存的电荷仍能维持负阻振荡器工作一段时间,直至C4电荷放完,电路才停止报警。如果再次触碰电极片N,则电路又能立刻报警。由上面分析可知,电路存在两级延迟,所以不必使用大容量电容器就能获得较长的延迟时间,本电路每触碰一次N,报警时间约可维持3分钟左右。负阻振荡器由于工作在高压状态,输出波形峰峰值较高,所以报警音量比较大。
元器件选择与制作
VD1使用12V左右的稳压二极管,VT1可用普通9013型等硅NPN三极管,VT2最好用3DK4型等硅开关三极管。VS要采用触发电流较小的单向可控硅,如2N6565、CR106型等。C1要求采用耐压400V以上的CBB型聚苯电容器,C4要求使用耐压450V的电解电容器。触摸电极片N与电路相连采用两只高值电阻器R1与R2,其目的是增加电路的安全可靠性。B采用∮35mm的压电陶瓷片,为增加其发声音量应配置合适的共鸣腔,如能采用高响度的压电陶瓷报警喇叭,效果更佳。
如要改变电路报警的延迟时间,可以更改电容C3、C4的容量,容量大延迟时间长。增减电阻R3的阻值对延迟时间也有较大的影响,R3阻值大延迟时间就长,但阻值不能取得过大,否则VS将一直处于开通态,电路就不能正常工作了。此外可控硅的触发灵敏度对延迟时间的长短也有影响。这些因素都可通过实验进行调整。
本电路安装时,220V交流电源的相、零线必须按图所示连接,如接错了,电路则不能正常工作。若可控硅VS开通后,负阻振荡器不能工作,只要适当调整电位器RP的阻值,电路即能起振,并将报警声响调至音量最大、音调最满意为止。

相关热词:#报警器
无线遥控器电路图制作
时间:2026-03-07
无线电遥控门铃电路原理图
时间:2026-03-07
NE555过流保护检测器电路图
时间:2026-03-07
串联谐振升压原理
时间:2026-03-07
谐振回路的工作原理
时间:2026-03-07
电容降压电路原理
时间:2026-03-07
实用的电容降压电路
时间:2026-03-07
低成本的阻容降压电路原理图分析
时间:2026-03-07
阻容降压原理及电路
时间:2026-03-07
阻容降压电路的误区
时间:2026-03-07
彩灯电路
时间:2026-03-05
三相异步电动机原理
时间:2026-03-04
电动机单线远程正反转控制电路图
时间:2026-03-04
三相异步电动机的七种调速方式
时间:2026-03-04
转角测量电路
时间:2026-03-05
经典的正弦波发生电路
时间:2026-03-05
三相异步电动机的拆装详讲
时间:2026-03-04
USB转232电路图
时间:2026-03-04
电度表的工作原理
时间:2026-03-04
电风扇红外遥控器2
时间:2026-03-04