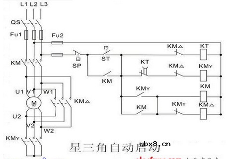
启动时先用Y型接法电路,使得电机加载电压为220V,这样减少系统负荷防止过载; 电机启动后,改成三角型接法电路,使得电压为380V,进行正常运转。 这样有效保护电机以及电路系统,防止电流过载,不容易烧毁。
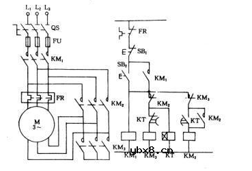
星三角降压启动,就是以改变电动机绕组接法,来达到降压启动的目的。启动时,由主接触器将电源给三角形接法的电动机的三个首端,由星点接触器将三角形接法的电动机的三个尾端闭合。绕组就变成了星形接法,启动完成后,星点接触器断开运转接触器将电源给电动机的三个尾端。绕组就变成了三角形接法。电动机全压运转。整个启动过程由时间继电器来指挥完成。星点接触器和运转接触器必须实行连锁。
必须是三角形接线的电动机才能用星三角降压起动。起动时,用开关将电动机三相绕组接线方式改为星形,每相绕组的电压为220V,起动完毕后用开关再改回三角形接线使各相绕组电压为380V。这样的起动电流只有全压起动时的1/3。
异步电动机因其结构简单、价格便宜、可靠性高等优点被广泛应用.但在起动过程中起动电流较大,所以容量大的电动机必须采取一定的方式起动,星一三角形换接起动就是一种简单方便的降压起动方式.星三角起动可通过手动和自动操作控制方式实现。
对于正常运行的定子绕组为三角形接法的鼠笼式异步电动机来说,如果在起动时将定子绕组接成星形,待起动完毕后再接成三角形,就可以降低起动电流,减轻它对电网的冲击。这样的起动方式称为星三角减压起动,或简称为星三角起动(Y-Δ起动)。
采用星三角起动时,起动电流只是原来按三角形接法直接起动时的1/3。如果直接起动时的起动电流以6~7Ie计,则在星三角起动时,起动电流才2~2.3倍。
起动电流降低了,起动转矩也降为原来按三角形接法直接起动时的1/3。
由此可见,采用星三角起动方式时,电流特性很好,而转矩特性较差,所以客观存在只适用于无载或者轻载起动的场合。换句话说,由于起动转矩小,星三角起动的优点还是很显著的,因为基于这个起动原理的星三角起动器,同任何别的减压起动器相比较,其结构最简单,价格也最便宜。除此之外,星三角起动方式还有一个优点,即当负载较轻时,可以让电动机在星形接法下运行。此时,额定转矩与负载可以匹配,这样能使电动机的效率有所提高,并因之节约了电力消耗。
Y—△降压起动也称为星形—三角形降压起动,简称星三角降压起动。这一线路的设计思想仍是按时间原则控制起动过程。所不同的是,在起动时将电动机定子绕组接成星形,每相绕组承受的电压为电源的相电压(220V),减小了起动电流对电网的影响。而在其起动后期则按预先整定的时间换接成三角形接法,每相绕组承受的电压为电源的线电压(380V),电动机进入正常运行。凡是正常运行时定子绕组接成三角形的鼠笼式异步电动机,均可采用这种线路。常见的降压启动方式有:1、星/三角降压启动。电机绕组呈星形接法时电流小,每个绕组承受220V。呈三角形接法时电流大,每个绕组承受380V。所以先星接再三角形接法的启动方式也叫星三角降压启动。成本低,所以用得多。三相对称电路星形连接电流ia=ib=ic=u(相电压)/z(阻抗)=220v / r功率p=3u(相电压)×i(相电流)三相对称电路三角形连接电流iab=uab/r;ibc=ubc/r;ica=uca/r;(注: uab=ubc=uca=380v)功率p=3u(线电压380v)×i(相电流)2、自藕降压启动。利用多抽头的自藕变压器降压电压逐级升压,最后切除变压器,因为自藕变压器体积小,所以应用很广。3、变频器变频启动。这是很平滑的启动方式了,只是变频器动不动就四五千。非不得已用得不多。4、软启动器。我用过两次。5、串电阻启动




相关链接
星三角启动电路图
相关热词:#电气
无线遥控器电路图制作
时间:2026-03-07
无线电遥控门铃电路原理图
时间:2026-03-07
NE555过流保护检测器电路图
时间:2026-03-07
串联谐振升压原理
时间:2026-03-07
谐振回路的工作原理
时间:2026-03-07
电容降压电路原理
时间:2026-03-07
实用的电容降压电路
时间:2026-03-07
低成本的阻容降压电路原理图分析
时间:2026-03-07
阻容降压原理及电路
时间:2026-03-07
阻容降压电路的误区
时间:2026-03-07
彩灯电路
时间:2026-03-05
三相异步电动机原理
时间:2026-03-04
电动机单线远程正反转控制电路图
时间:2026-03-04
三相异步电动机的七种调速方式
时间:2026-03-04
转角测量电路
时间:2026-03-05
经典的正弦波发生电路
时间:2026-03-05
三相异步电动机的拆装详讲
时间:2026-03-04
USB转232电路图
时间:2026-03-04
电度表的工作原理
时间:2026-03-04
电风扇红外遥控器2
时间:2026-03-04