数值比较器,数值比较器的作用和原理是什么?
一、数值比较器的定义及功能
在数字系统中,特别是在计算机中都具有运算功能,一种简单的运算就是比较两个数A和B的大小。数值比较器就是对两数A、B进行比较,以判断其大小的逻辑电路。比较结果有A>B、A<B以及A=B三种情况。
1.一位数值比较器
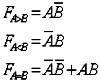
1位数值比较器是多位比较器的基础。当A和B都是1位数时,它们只能取0或1两种值,由此可写出1位数值比较器的真值表:

由真值表得到如下逻辑表达式:

由以上逻辑表达式可画出如下图所示的逻辑电路。实际应用中,可根据具体情况选用逻辑门。

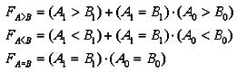
2.两位数值比较器 现在分析比较两位数字A1A0和B1B0的情况。 利用1位比较器的结果,可以列出简化的真值表如下:

为了减少符号的种类,不再使用字母L,而以(Ai>Bi)、(Ai<Bi)、(Ai=Bi)直接表示逻辑函数。可以由真值表对两位比较器作如下简要概述。 当高位(A1、B1)不相等时,无需比较低位(A0、B0),两个数的比较结果就是高位比较的结果。 当高位相等时,两数的比较结果由低位比较的结果决定。 由真值表可以写出如下逻辑表达式:

根据表达式画出逻辑图:

电路利用了1位数值比较器的输出作为中间结果。它所依据的原理是,如果两位数A1A0和B1B0的高位不相等,则高位比较结果就是两数比较结果,与低位无关。这时,由于中间函数(A1=B1)=0,使与门G1、G2、G3均封锁,而或门都打开,低位比较结果不能影响或门,高位比较结果则从或门直接输出。如果高位相等,即(A1=B1)=1,使与门G1、G2、G3均打开,同时由(A1>B1)=0和(A1<B1)=0作用,或门也打开,低位的比较结果直接送达输出端,即低位的比较结果决定两数谁大、谁小或者相等。
二、集成数值比较器
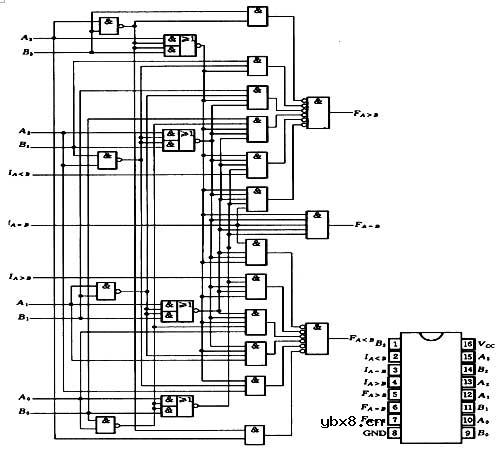
我们以74LS85为例来说明集成数值比较器。
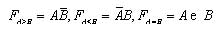
1.集成数值比较器74LS85得功能 集成数值比较器74LS85是4位数值比较器,其功能如下:

从功能表可以看出,该比较器的比较原理和两位比较器的比较原理相同。两个4位数的比较是从A的最高位A3和B的最高位B3进行比较,如果它们不相等,则该位的比较结果可以作为两数的比较结果。若最高位A3=B3,则再比较次高位A2和B2,余类推。显然,如果两数相等,那么,比较步骤必须进行到最低位才能得到结果。

真值表中的输入变量包括A3与B3、A2与B2、A1与B1、A0与B0和A与B的比较结果。其中A和B是另外两个低位数,IA>B、IA

再根据74LS85的功能表可得:

上式与逻辑图一致。由上式可以看出,仅对4位数进行比较时,应对IA>B、IA<B和IA=B进行适当处理,即IA>B=IA<B=0,IA=B=1。
2.数值比较器的位数扩展
现在来讨论一下数值比较器的位数扩展问题。数值比较器的扩展方式有串联和并联两种。
下图表示两个4位数值比较器串联而成为一个8位数值比较器。

我们知道,对于两个8位数,若高4位相同,它们的大小则由低4位的比较结果确定。因此,低4位的比较结果应作为高4位的条件,即低4位比较器的输出端应分别与高4位比较器的IA>B、IA<B、IA=B端连接。
当位数较多且要满足一定的速度要求时,可以采取并联方式。
下图表示16位并联数值比较器的原理图。
由图可以看出,这里采用两级比较方法,将16位按高低位次序分成4组,每组4位,各组的比较是并行进行的。将每组的比较结果再经4位比较器进行比较后得出结果。显然,从数据输入到稳定输出只需两倍的4位比较器延迟时间,若用串联方式,则16位的数值比较器从输入到稳定输出需要4倍的4位比较器的延迟时间。
如何使用通用争议合约L2应用程序来构建状态...
时间:2026-03-05
高位水箱蓄水自动控制电路
时间:2026-03-05
简易电极式水位自动控制电路
时间:2026-03-05
简易水塔上水控制电路
时间:2026-03-05
简易水位控制
时间:2026-03-05
节水控制电路
时间:2026-03-05
金属控头水位控制器
时间:2026-03-05
全自动电热水控制电路
时间:2026-03-05
全自动供水控制电路
时间:2026-03-05
三级水位指示电路
时间:2026-03-05
瞬间抑制二极管(TVS)/瞬间抑制二极管(TVS)是...
时间:2026-03-04
什么是霍尔传感器
时间:2026-03-05
半导体材料的主要种类有哪些?
时间:2026-03-04
数字比较器,数字比较器是什么意思
时间:2026-03-04
常用整流二极管型号大全
时间:2026-03-04
S/HS固态继电器原理简介
时间:2026-03-04
稳压二极管的选用和代换
时间:2026-03-04
TVS器件的电特性有哪些
时间:2026-03-04
TVS二极管的分类/应用,TVS二极管的特点/选用...
时间:2026-03-04
快恢复二极管,快恢复二极管是什么意思
时间:2026-03-04