400Hz低通巴特沃思滤波器电路中自动开关器用于400赫兹的切断频率,它可以通过改变频率的比例值来扩大。

相关热词:#滤波器
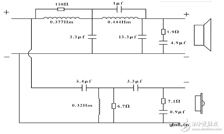
音箱三分频器电路图(四款模拟电路设计原理...
时间:2026-03-07
音响二分频器电路图(六款模拟电路设计原理...
时间:2026-03-07
一拖三软启动器控制图(四款一拖三软启动器控...
时间:2026-03-07
60w电烙铁调温电路图大全(四款电烙铁调温电...
时间:2026-03-07
ne555调温电路图大全(六款ne555调温电路)
时间:2026-03-07
温度控制器接线方法_温度控制器接线图
时间:2026-03-07
太阳能路灯控制电路设计方案汇总(两款太阳...
时间:2026-03-07
太阳能路灯电路图大全(四款模拟电路设计原...
时间:2026-03-07
硬件工程师入门的基础元器件知识
时间:2026-03-07
硬件工程师入门基础元器件与电路原理
时间:2026-03-07
彩灯电路
时间:2026-03-05
三相异步电动机原理
时间:2026-03-04
三相异步电动机的七种调速方式
时间:2026-03-04
转角测量电路
时间:2026-03-05
经典的正弦波发生电路
时间:2026-03-05
电动机单线远程正反转控制电路图
时间:2026-03-04
USB转232电路图
时间:2026-03-04
电度表的工作原理
时间:2026-03-04
电风扇红外遥控器2
时间:2026-03-04
三相异步电动机的拆装详讲
时间:2026-03-04