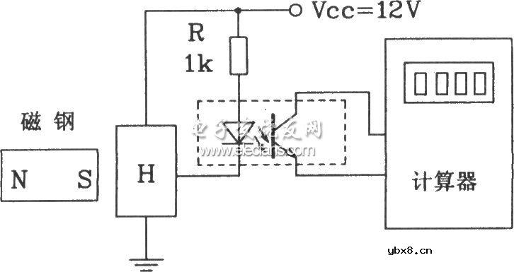
图中采用了光电耦合器隔离和8位计算器。每当磁钢接近HK-1开关一次,计算器记一个数,并累加,从而完成计数功能。霍尔接近开关构成的计数器电路:

相关热词:#开关
脉冲计数器的设计与分析详解
时间:2026-03-07
采样保持电路图(五款采样保持电路设计原理...
时间:2026-03-07
ne555呼吸灯电路图大全(四款ne555呼吸灯电...
时间:2026-03-07
555脉冲发生器电路图大全(六款555脉冲发生...
时间:2026-03-07
单次脉冲发生器电路图大全(七款单次脉冲发...
时间:2026-03-07
脉冲计数器电路图大全(六款脉冲计数器电路...
时间:2026-03-07
一种简易PWM温控风扇电路设计
时间:2026-03-07
基于ARM的LED自适应调光系统设计
时间:2026-03-07
基于单片机的LED自适应调光系统的设计与实现
时间:2026-03-07
楼梯开关双控电路图大全(七款楼梯开关双控...
时间:2026-03-07
彩灯电路
时间:2026-03-05
三相异步电动机原理
时间:2026-03-04
三相异步电动机的七种调速方式
时间:2026-03-04
转角测量电路
时间:2026-03-05
经典的正弦波发生电路
时间:2026-03-05
电动机单线远程正反转控制电路图
时间:2026-03-04
三相异步电动机的拆装详讲
时间:2026-03-04
USB转232电路图
时间:2026-03-04
电度表的工作原理
时间:2026-03-04
电风扇红外遥控器2
时间:2026-03-04