电阻阵列DAC,电阻阵列DAC基本原理是什么?
随着通信、多媒体技术和图像处理技术的快速发展,数字信号处理中的数模转换器(Digital-Analog Converter,即DAC)被广泛应用于数字无线系统、通信、计算机、高精度成像系统和视听系统,而数字信号处理的各种数字信号,最终要通过数模转换技术,变为可输出的模拟信号。数模转换器的好坏直接影响整个系统的性能。由于数字信号处理技术的飞速发展,要求DAC具有足够高的数据处理速度和足够高的精度。然而,考虑到芯片的实际应用,在不损失电路性能的前提下,降低成本便成为首要任务。在∑-△型DAC高成本的不利因素下,各式各样的DAC都为了降低成本,提高精度而努力。
基本原理:
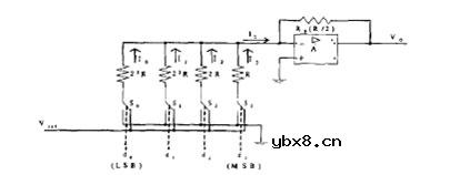
电阻列阵DAC又称为权电阻网络DAC。如图,它由模拟开关S、权电阻网络、求和放大器和参考电压Vref组成。

模拟开关S受输入二进制码do,di,d2,d3控制。当di=1时,S,将权电阻网络中相应的电阻和参考电压Vref接通,有支路电流Ii流向求和放大器;当di=0时,S*将权电阻网络中相应的电阻接地,支路电流为0。权电阻网络由4个按二进制规律排列的电阻23R,22R,21R, 20R组成,所有电阻的一端接在运算放大器的反相端,另一端分别与相应的模拟开关相连。最高有效位(MSB)的权电阻RMSB为R,最低有效位(Least Significant Bit缩写为“B)的权电阻RLSB=23R。也就是说,二进制权码的位权越大,对应的权电阻越小。
下面对转换输出模拟电压Vom与输入数字量d。之间的关系进行定量的分析。当输入二进制码中某位di=1时,开关Si接至参考电压Vref,由于运放为理想运放,反相端虚地电位为零,这时电阻支路中的电流为:
[[image:bk070539-2.jpg
当输入二进制码中某位di=0时,S;开关接地,Ii=0。因此,可得出对应于第i位数字量到模拟量的转换表达式为:

根据运放虚断原理,运放的输入不取电流,所以有:

因为RF=R/2,代入上式得

进一步推广到当n位权电阻网络DAC,当反馈电阻RF为R/2时,输出电压为

从上式可以看出DAC输出的模拟电压正比于输入的数字量Dn,实现了从数字量到模拟量的转换。当Dn=0时,Vo=O,当D_=111...11时,

所以可以得出DAC输出巧的最大变化范围为:
权电阻网络型DAC的精度取决于参考电压Vref、模拟开关Si、运算放大器及各权电阻的精度。为了保证精度,网络中每个权电阻的阻值都要很精确。但权电阻解码网络中阻值范围太宽,最高位电阻RMSB与最低位电阻RLSB之比为1:2N-1,即当N=11时,其比值为1:1024。若RMSB=2kO, RisB=2.048MO。一般利用集成工艺制造如此大的阻值是很困难的,从产品成本控制上也不允许。
相关热词:#电子电路图
高通正在通过为先进的技术为生态系统赋能助...
时间:2026-03-05
中国移动副总经理汪恒江表示5G终端产业的发...
时间:2026-03-05
中国移动将启动2019 OSCAR战略合作计划
时间:2026-03-05
中国移动正式推出自主品牌5G试验终端5G sma...
时间:2026-03-05
工信部正式向运营商发放了5G系统中低频段试...
时间:2026-03-05
5G要成功商用就必须要深入到行业中去
时间:2026-03-05
KDDI表示5G设备是否采用华为产品还尚未确定
时间:2026-03-05
日本计划禁止政府购买华为和中兴通讯的5G设...
时间:2026-03-05
5G到来后运营商的捆绑套餐服务是否真能留住...
时间:2026-03-05
新华三正在从三个层面全方位进行赋能助力运...
时间:2026-03-05
瞬间抑制二极管(TVS)/瞬间抑制二极管(TVS)是...
时间:2026-03-04
什么是霍尔传感器
时间:2026-03-05
半导体材料的主要种类有哪些?
时间:2026-03-04
高级封装,高级封装是什么意思
时间:2026-03-04
数字比较器,数字比较器是什么意思
时间:2026-03-04
常用整流二极管型号大全
时间:2026-03-04
S/HS固态继电器原理简介
时间:2026-03-04
稳压二极管的选用和代换
时间:2026-03-04
TVS器件的电特性有哪些
时间:2026-03-04
TVS二极管的分类/应用,TVS二极管的特点/选用...
时间:2026-03-04