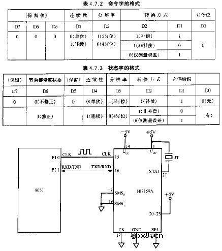
1、HI7159/7159A的引脚功能
HI7159/7159A采用DIP 28封装,引脚排列如图所示。UCC为模拟与数字电路的+5V电源,UEE为模拟电路的-5V电源。COM和GND分别为模拟地、数字地。INT IN、INT OUT分别为积分器输入、输出端。BUF OUT是缓冲器输出端。CREF+GUARD、CRDF-

2、A/D转换原理

3、通信方式




4、转换方式

相关热词:#HI7159
PN结二极管的工作原理/特性和应用
时间:2026-03-07
东芝研讨会解读肖特基势垒二极管的特性、选...
时间:2026-03-07
如何设计微波或光子通信中的非互易设备?
时间:2026-03-07
微波混频电路仿真设计
时间:2026-03-07
分享一个限流恒流电路
时间:2026-03-07
西门子S7-200 CPU输入/输出接线说明步骤
时间:2026-03-07
光电二极管工作原理,如何在电路中使用光电...
时间:2026-03-07
普通二极管与稳压管的区别
时间:2026-03-07
如何测量开关二极管的质量
时间:2026-03-07
复位与JTAG接口电路设计图
时间:2026-03-07
彩灯电路
时间:2026-03-05
三相异步电动机原理
时间:2026-03-04
三相异步电动机的七种调速方式
时间:2026-03-04
转角测量电路
时间:2026-03-05
经典的正弦波发生电路
时间:2026-03-05
电动机单线远程正反转控制电路图
时间:2026-03-04
USB转232电路图
时间:2026-03-04
电度表的工作原理
时间:2026-03-04
电风扇红外遥控器2
时间:2026-03-04
三相异步电动机的拆装详讲
时间:2026-03-04