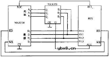
MAX134构成的数字多用表基本电路如图所示(不包括UP)。R1~R4是分压电阻。测DCV时,400MV以下的输入电压经R6接第27脚,4V-4000V电压经R5接第16脚。测ACV时可参照图2外接AC/DC转换器。C4~C7分别与R1~R5匹配,构成RC型宽频带不失真衰减器,减小测交流



相关热词:#MAX134
复位与JTAG接口电路设计图
时间:2026-03-07
电容的基本功用
时间:2026-03-07
嵌入式智能网关硬件无线收发电路图设计
时间:2026-03-07
一种智能家居安防系统的电路设计图
时间:2026-03-07
安全智能家居监控系统各模块电路图组合
时间:2026-03-07
智能家居RFID射频电子锁电路图剖析
时间:2026-03-07
智能家居红外遥控无线接收电路设计
时间:2026-03-07
双音频解码电子电路设计
时间:2026-03-07
基于InGaAs NFAD的集成型低噪声近红外单光子...
时间:2026-03-07
I2C与串口通信模块电子电路设计
时间:2026-03-07
彩灯电路
时间:2026-03-05
三相异步电动机原理
时间:2026-03-04
三相异步电动机的七种调速方式
时间:2026-03-04
转角测量电路
时间:2026-03-05
经典的正弦波发生电路
时间:2026-03-05
电动机单线远程正反转控制电路图
时间:2026-03-04
USB转232电路图
时间:2026-03-04
电度表的工作原理
时间:2026-03-04
电风扇红外遥控器2
时间:2026-03-04
三相异步电动机的拆装详讲
时间:2026-03-04