
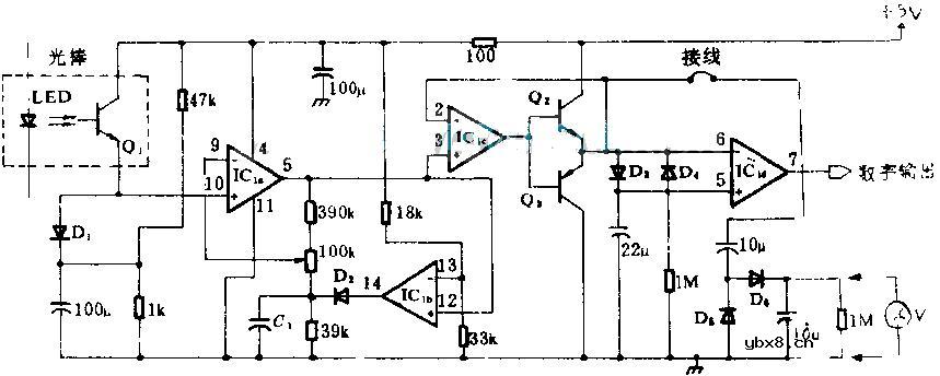
本电路主要由光棒和四运算放大器IC1组成,IC1a为放大器,利用硅二极管的指数式正向导电特性,把光棒的输出变换成对数式的变化电压,其峰-峰值正比于白,黑光电流之比,而与绝对值无关,IC1b为比较器,和峰值检测器D2-C1一起把放大器ICa的输出箝到固定电位。于是,放大和箝位后的信号变换成微处理器需要的二进制数字式输出。输出是与TTL兼容的。
相关热词:#放大电路
如何生成自己的去中心化身份DID
时间:2026-03-05
电阻是一种什么元件_电阻在串联电路中起什么...
时间:2026-03-05
色环电阻有哪些颜色,分别代表什么?
时间:2026-03-05
五环电阻色环表口诀_5环电阻读数法
时间:2026-03-05
标准电阻规范要求_标准电阻法检定接线图
时间:2026-03-05
铝壳电阻的作用_铝壳电阻的特点
时间:2026-03-05
大功率水泥电阻优点_大功率水泥电阻缺点
时间:2026-03-05
无感水泥电阻结构_无感水泥电阻器参数
时间:2026-03-05
线绕电阻的应急代换方法
时间:2026-03-05
接地电阻多少欧为合格_接地电阻为什么要小于...
时间:2026-03-05
彩灯电路
时间:2026-03-05
三相异步电动机原理
时间:2026-03-04
转角测量电路
时间:2026-03-05
经典的正弦波发生电路
时间:2026-03-05
电度表的工作原理
时间:2026-03-04
电动机单线远程正反转控制电路图
时间:2026-03-04
三相异步电动机的拆装详讲
时间:2026-03-04
三相异步电动机的七种调速方式
时间:2026-03-04
USB转232电路图
时间:2026-03-04
半球牌调温电炉电路图
时间:2026-03-04