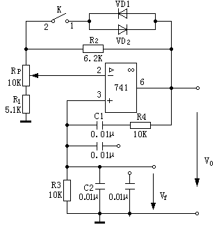
按图接线(1、2两点接通)。本电路为文氏电桥RC正弦波振荡器,可用来产生频率范围宽、波形较好的正弦波。电路由放大器和反馈网络组成。
文氏电桥RC正弦波振荡器
相关热词:#电桥
uwb技术有什么作用_uwb技术主要应用于哪些方...
时间:2026-03-05
uwb定位技术优劣势有哪些_uwb定位技术的应用
时间:2026-03-05
iBeacon定位设备选择的几个参数介绍
时间:2026-03-05
中国通信电源市场的综合分析
时间:2026-03-05
美国将取消中兴通讯销售禁令
时间:2026-03-05
中国北斗导航2020年将覆盖全球建成全球系统
时间:2026-03-05
北斗卫星导航产品正式启动,对包括芯片、终...
时间:2026-03-05
国内海上精确定位技术长期依赖于GPS的局面被...
时间:2026-03-05
中国电信向商用市场放出天通一号专用“1740...
时间:2026-03-05
基于CORS系统的高精度RTK定位技术设计详解
时间:2026-03-05
彩灯电路
时间:2026-03-05
三相异步电动机原理
时间:2026-03-04
转角测量电路
时间:2026-03-05
经典的正弦波发生电路
时间:2026-03-05
电度表的工作原理
时间:2026-03-04
电动机单线远程正反转控制电路图
时间:2026-03-04
三相异步电动机的拆装详讲
时间:2026-03-04
三相异步电动机的七种调速方式
时间:2026-03-04
USB转232电路图
时间:2026-03-04
半球牌调温电炉电路图
时间:2026-03-04