自动调功式温控器电路_开关型自动调功式温控...
时间:2026-03-07
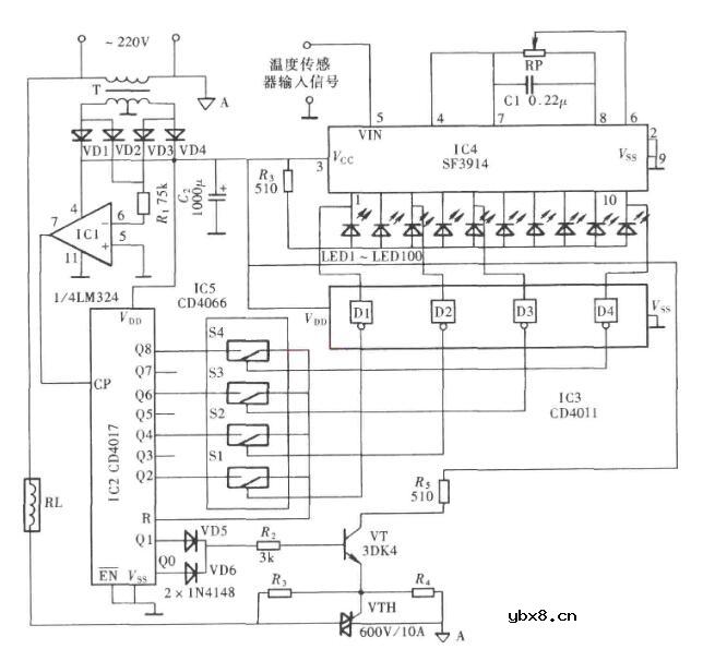
采用温度传感器构成的温度控制电路图
时间:2026-03-07
超温监测警示电路图_超温监测无线电警示电路...
时间:2026-03-07
三款恒温控制器电路图详解
时间:2026-03-07
温度计辐射电路图
时间:2026-03-07
冰箱电子温控器电路原理图
时间:2026-03-07
新型电话线路保护器电路图
时间:2026-03-07
漏电报警交流调压器电路图_全自动的交流调压...
时间:2026-03-07
三款交流调压电路图解析
时间:2026-03-07
交流调压电路和交流调功电路的区别
时间:2026-03-07
彩灯电路
时间:2026-03-05
三相异步电动机原理
时间:2026-03-04
三相异步电动机的七种调速方式
时间:2026-03-04
转角测量电路
时间:2026-03-05
经典的正弦波发生电路
时间:2026-03-05
电动机单线远程正反转控制电路图
时间:2026-03-04
三相异步电动机的拆装详讲
时间:2026-03-04
USB转232电路图
时间:2026-03-04
电度表的工作原理
时间:2026-03-04
电风扇红外遥控器2
时间:2026-03-04