电工常用电动机控制电路图集
时间:2026-03-07
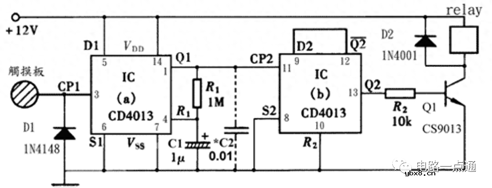
一键开关机电路图 一键开关机电路原理详解
时间:2026-03-07
按键开关机电路图 按键开关机电路设计方案
时间:2026-03-07
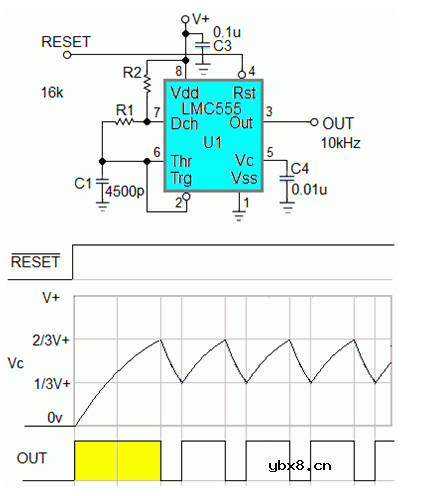
IC 555 定时器用途和应用
时间:2026-03-07
电动机的点动与连续运行控制电路图解
时间:2026-03-07
基于CD4013的声控开关电路和555时基电路的温...
时间:2026-03-07
ULN2003应用电路分析
时间:2026-03-07
自激振荡的简单判别方法 振荡电路的条件
时间:2026-03-07
需要生成50%占空比方波,门控555第一脉冲过...
时间:2026-03-07
ADALM2000实验:调谐放大器级(二)
时间:2026-03-07
彩灯电路
时间:2026-03-05
电动机单线远程正反转控制电路图
时间:2026-03-04
三相异步电动机原理
时间:2026-03-04
三相异步电动机的拆装详讲
时间:2026-03-04
三相异步电动机的七种调速方式
时间:2026-03-04
转角测量电路
时间:2026-03-05
经典的正弦波发生电路
时间:2026-03-05
USB转232电路图
时间:2026-03-04
电度表的工作原理
时间:2026-03-04
电风扇红外遥控器2
时间:2026-03-04