对于常用的电源拓扑而言,非隔离电源主要有:Buck、Boost、Buck-Boost等;而隔离电源主要有各种带隔离变压器的反激、正激、半桥、LLC等拓扑。
结合常用的隔离与非隔离电源,我们从直观上就可得出它们的一些优缺点,如表1和表2所示,两者的优缺点几乎是相反的。


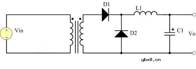
对于上述的优缺点,大部分我们都很好理解,由于电源发生异常后,电源隔离与否对负载的危害大小,我们以Buck和它对应的隔离电路即正激电路来简单分析,如下列图示。




由图3和图4可知,对于Buck电路而言,若开关管击穿短路,由于没隔离,输入端较高的电压,直接通过电感作用在负载端,负载很可能因为过压烧毁。
由图5和图6可知,对于正激电路而言,同样开关管击穿短路,对负载而言,只是失去了供电的电源而断电,不会对负载本身造成其它影响。
NE602射频振荡器电路
时间:2026-03-07
短波脉冲标记振荡器
时间:2026-03-07
业余无线电频段用变频振荡器
时间:2026-03-07
用于调频调谐器的副载适配器电路
时间:2026-03-07
高稳定度的60Hz正弦波信号源
时间:2026-03-07
简易正弦波振荡器
时间:2026-03-07
维氏电桥正弦波振荡器
时间:2026-03-07
用电池供电的正弦波发生器
时间:2026-03-07
1Hz正弦波振荡器
时间:2026-03-07
正弦波发生器
时间:2026-03-07
玻璃釉电容器的结构与特点
时间:2026-03-05
关于STM32WL LSE 添加反馈电阻后无法起振的...
时间:2026-03-05
电阻的标称阻值和允许偏差
时间:2026-03-05
使用过滤器电容器和诱导器来抑制受辐射的EM...
时间:2026-03-05
LED固晶机龙头直面“寒冬”
时间:2026-03-05
浅谈高压贴片电容分类与性能参数
时间:2026-03-05
聚四氟乙烯电容器的结构与特点
时间:2026-03-05
漆膜电容器的结构与特点
时间:2026-03-05
复合介质电容器的结构与特点
时间:2026-03-05
瓷介电容器的结构与特点
时间:2026-03-05