01
空间矢量SVPWM控制
空间矢量SVPWM控制技术广泛运用于变频器中,驱动交流电机时,使电机的磁链成为圆形的旋转磁场,从而使电机产生恒定的电磁转矩。

三相电压型桥式逆变电路
采用180°导通方式,共有8种工作状态,即V6、V1、V2 通,V1、V2、V3通,V2、V3、V4通,V3、V4、V5通, V4、V5、V6通,V5、V6、V1通,以及V1、V3、V5通和V2、V4、V6通,用“1”表示每相上桥臂开关导通,用“0”表示下桥臂开关导通,则上述8种工作状态可依次表示为100、110、010、011、001、101以及111和000。前6种状态有输出电压,属 有效工作状态 ,而后两种全部是上管通或下管通,没有输出电压,称之为 零工作状态 ,故对于这种基本的逆变器,称之为 6拍逆变器 。
对于6拍逆变器,在每个工作周期中,6种有效工作状态各出现一次,每一种状态持续 60°,在一个周期中6个电压矢量共转过360°,形成一个封闭的正六边形

电压空间矢量六边形
对于111和000这两个“零工作状态”,在这里表现为位于原点的零矢量,坐落在正六边形的中心点。采用PWM控制,就可以使交流电机的磁通尽量接近圆形,工作频率越高,磁通就越接近圆形,需要的电压矢量不是6个基本电压矢量时,可以用两个基本矢量和零矢量的组合来实现。

空间电压矢量的线形组合
所要的矢量为us,用基本矢量u1和u2的线形组合来实现,u1和u2的作用时间一般小于开关周期To的60°,不足的时间可用“零矢量”补齐。

扇区Ⅰ内三相PWM调制方式
02
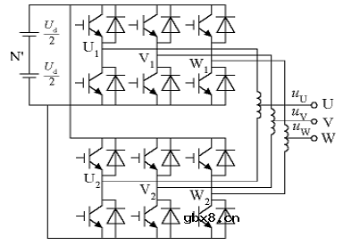
PWM逆变电路的多重化
多重化目的是为了提高等效开关频率,减少开关损耗,减少和载波有关的谐波分量。PWM逆变电路多重化联结方式有变压器方式和电抗器方式。
电抗器联接的二重PWM逆变电路

电路的输出从电抗器中心抽头处引出,两个单元逆变电路的载波信号相互错开180°, 输出端相对于直流电源中点N'的电压uUN'=(uU1N'+uU2N')/2,已变为单极性PWM波了,输出线电压共有0、(±1/2)Ud、±Ud五个电平,比非多重化时谐波有所减少。所加电压的频率越高,电抗器所需的电感量就越小。

二重PWM型逆变电路输出波形
二重化后,输出电压中所含谐波的角频率仍可表示为nωc +kωr,但其中当n为奇数时的谐波已全部被除去,谐波的最低频率在2ωc附近,相当于电路的等效载波频率提高了 一倍。
03
PWM跟踪控制技术
**跟踪控制方法:**把希望输出的电流或电压波形作为指令信号,把实际电流或电压波形作为反馈信号, 通过两者的瞬时值比较来决定逆变电路各功率开关器件的通断,使实际的输出跟踪指令信号变化。
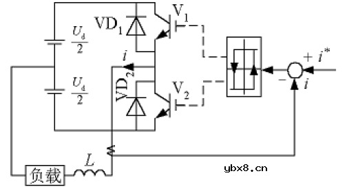
滞环比较方式
此种方式电流跟踪控制应用的较多。
①PWM电流跟踪控制单相半桥式逆变电路

把指令电流i 和实际输出电流i的偏差i -i作为带有滞环特性的比较器的输入,通过其输出来控制功率器件V1和V2的通断。

滞环比较方式的指令电流和输出电流
当V1(或VD1)导通时,i增大;当V2(或VD2)导通时,i减小。通过环宽为2ΔI的滞环比较器的控制,i就在i*+ΔI和i*-ΔI的范围内,呈锯齿状地跟踪指令电流i*。环宽过宽时,开关频率低,跟踪误差大;环宽过窄时,跟踪误差小,但开关频率过高,开关损耗增大。L大时,i的变化率小,跟踪慢;L小时,i的变化率大,开关频率过高。
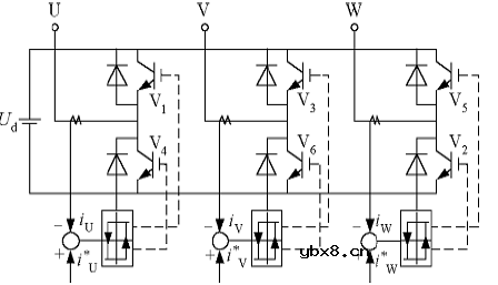
②三相电流跟踪型PWM逆变电路

由三个单相半桥电路组成,三相电流指令信号iU 、iV和i*W依次相差120°。在线电压的正半周和负半周内,都有极性相反的脉冲输出,这将使输出电压中的谐波分量增大,也使负载的谐波损耗增加。
采用滞环比较方式的电流跟踪型PWM变流电路有如下特点:
⑴硬件电路简单;
⑵实时控制,电流响应快。
⑶不用载波,输出电压波形中不含特定频率的谐波。
⑷和计算法及调制法相比,相同开关频率时输出电流中高次谐波含量多。
⑸属于闭环控制,是各种跟踪型PWM变流电路的共同特点。
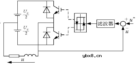
电压跟踪控制:

把指令电压u*和输出电压u进行比较,滤除偏差信号中的谐波,滤波器的输出送入滞环比较器,由比较器输出控制开关器件的通断,从而实现电压跟踪控制。输出电压PWM波形中含大量高次谐波,必须用适当的滤波器滤除。
u*=0时,输出电压u为频率较高的矩形波,相当于一个自励振荡电路。u为直流信号时,u产生直流偏移,变为正负脉冲宽度不等,正宽负窄或正窄负宽的矩形波。u为交流信号时,只要其频率远低于上述自励振荡频率,从u中滤除由器件通断产生的高次谐波后,所得的波形就几乎和u* 相同,从而实现电压跟踪控制。
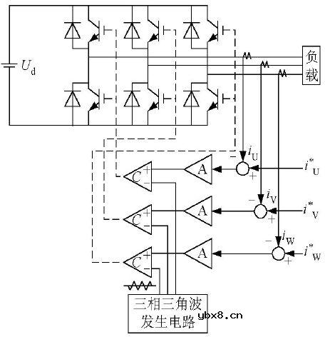
三角波比较方式

三角波比较方式电流跟踪型逆变电路
把指令电流iU、iV和i*W和逆变电路实际输出的电流iU、iV、iW进行比较,求出偏差电流,通过放大器A(放大器A通常具有比例积分特性或比例特性,其系数直接影响着逆变电路的电流跟踪特性)放大后,再去和三角波进行比较,产生PWM波形。
特点:
⑴开关频率固定,等于载波频率,高频滤波器设计方便。
⑵为改善输出电压波形,三角波载波常用三相三角波载波。
⑶和滞环比较控制方式相比,这种控制方式输出电流所含的谐波少。
定时比较方式
这种方式不用滞环比较器,而是设置一个固定的时钟。以固定的采样周期对指令信号和被控制变量进行采样,并根据二者偏差的极性来控制变流电路开关器件的通断,使被控制量跟踪指令信号。
我们以单相半桥逆变电路为例,在时钟信号到来的采样时刻
如i
如i>i*,V1关断,V2导通,使i减小。
每个采样时刻的控制作用都使实际电流与指令电流的误差减小,采用定时比较方式时,器件的最高开关频率为时钟频率的1/2。和滞环比较方式相比,电流控制误差没有一定的环宽,控制的精度低一些。
继电器几个典型常用的接线图
时间:2026-03-06
为什么直流继电器要并联二极管呢?
时间:2026-03-06
更换或使用继电器时需要注意哪些事项?
时间:2026-03-06
学习PCB设计需要知道的16个原则
时间:2026-03-06
光伏控制器简介
时间:2026-03-06
PLC现场安装和维护的注意事项介绍
时间:2026-03-06
继电器的工作原理以及驱动电路解析
时间:2026-03-06
三菱PLC功能指令介绍(二)
时间:2026-03-06
三菱PLC辅助继电器和定时器介绍
时间:2026-03-06
HTCC:半导体封装的理想方式
时间:2026-03-06
关于STM32WL LSE 添加反馈电阻后无法起振的...
时间:2026-03-05
电阻的标称阻值和允许偏差
时间:2026-03-05
浅谈高压贴片电容分类与性能参数
时间:2026-03-05
玻璃釉电容器的结构与特点
时间:2026-03-05
瓷介电容器的结构与特点
时间:2026-03-05
电解电容器的结构与特点
时间:2026-03-05
超级电容器在汽车控制中的应用
时间:2026-03-05
表贴电容的分类
时间:2026-03-05
告诉你电容器那些鲜为人知的秘密
时间:2026-03-05
合金电阻与贴片电阻有什么区别?你知道合金...
时间:2026-03-05